ÌâÄ¿ÄÚÈÝ

ijÐËȤС×éΪÁ˲âÁ¿Ò»´ý²âµç×èRxµÄ×èÖµ£¬×¼±¸ÏÈÓöàÓõç±í´Ö²â³öËüµÄ×èÖµ£¬È»ºóÔÙÓ÷ü°²·¨¾«È·µØ²âÁ¿£®ÊµÑéÊÒÀï×¼±¸ÁËÒÔÏÂÆ÷²Ä:

    A£®¶àÓõç±í

    B£®µçѹ±íVl£¬Á¿³Ì6V£¬ÄÚ×èÔ¼10k¦¸

    C£®µçÁ÷±íAl£¬Á¿³Ì0£®6A£¬ÄÚ×èÔ¼0£®2¦¸

    D£®µçÁ÷±íA2£¬Á¿³Ì3A£¬ÄÚ×èÔ¼0£®02¦¸

    E£®µçÔ´£ºµç¶¯ÊÆE=12V

    F£®»¬¶¯±ä×èÆ÷Rl£¬×î´ó×èÖµ10¦¸£¬×î´óµçÁ÷Ϊ2A

    G£®»¬¶¯±ä×èÆ÷R2£¬×î´ó×èÖµ50¦¸£¬×î´óµçÁ÷Ϊ0£®1A

    H£®µ¼Ïß¡¢µç¼üÈô¸É

1.ÔÚÓöàÓõç±í´Ö²âµç×èʱ,¸ÃÐËȤС×éÊ×ÏÈÑ¡Óá°¡Á10¡±Å·Ä·µ²£¬Æä×èÖµÈçͼ¼×ÖÐÖ¸ÕëËùʾ£¬ÎªÁ˼õС¶àÓõç±íµÄ¶ÁÊýÎó²î,¶àÓõç±íµÄÑ¡Ôñ¿ª¹ØÓ¦»»Óà        Å·Ä·µ²£»


2.°´ÕýÈ·µÄ²Ù×÷³ÌÐòÔÙÒ»´ÎÓöàÓõç±í²âÁ¿¸Ã´ý²âµç×èµÄ×èֵʱ£¬Æä×èÖµÈçͼÒÒÖÐÖ¸ÕëËùʾ£¬ÔòµÄ×èÖµ´óÔ¼ÊÇ               ¦¸£»

3.ÔÚÓ÷ü°²·¨²âÁ¿¸Ãµç×èµÄ×èֵʱ£¬ÒªÇó´ý²âµç×èµÄµçѹ´Ó0¿ªÊ¼¿ÉÒÔÁ¬Ðøµ÷½Ú£¬ÔòÔÚÉÏÊöÆ÷²ÄÖÐӦѡ³öµçÁ÷±íºÍ»¬¶¯±ä×èÆ÷·Ö±ðÊÇ       £¨ÌîÆ÷²ÄÇ°ÃæµÄ×Öĸ´úºÅ£© £»

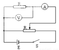
4.ÔÚÐéÏß¿òÄÚ»­³öÓ÷ü°²·¨²âÁ¿¸Ãµç×èµÄ×èֵʱµÄʵÑéµç·ͼ£®

 

 

¡¾´ð°¸¡¿

 

1.¡°¡Á1¡±Å·Ä·µ²

2.

3.CF

4.ÈçͼËùʾ

¡¾½âÎö¡¿

 

Á·Ï°²áϵÁдð°¸
Ïà¹ØÌâÄ¿
ijÐËȤС×éΪÁ˲âÁ¿Ò»´ý²âµç×èRXµÄ×èÖµ£¬×¼±¸ÏÈÓöàÓõç±í´Ö²â³öËüµÄ×èÖµ£¬È»ºóÔÙÓ÷ü°²·¨¾«È·µØ²âÁ¿£®ÊµÑéÊÒÀï×¼±¸ÁËÒÔÏÂÆ÷²Ä£º
A£®¶àÓõç±í
B£®µçѹ±íVl£¬Á¿³Ì6V£¬ÄÚ×èÔ¼10k¦¸
C£®µçÁ÷±íAl£¬Á¿³Ì0.6A£¬ÄÚ×èÔ¼0.2¦¸
D£®µçÁ÷±íA2£¬Á¿³Ì3A£¬ÄÚ×èÔ¼0.02¦¸
E£®µçÔ´£ºµç¶¯ÊÆE=12V
F£®»¬¶¯±ä×èÆ÷Rl£¬×î´ó×èÖµ10¦¸£¬×î´óµçÁ÷Ϊ2A
G£®»¬¶¯±ä×èÆ÷R2£¬×î´ó×èÖµ50¦¸£¬×î´óµçÁ÷Ϊ0.1A
H£®µ¼Ïß¡¢µç¼üÈô¸É
£¨1£©ÔÚÓöàÓõç±í´Ö²âµç×èʱ£¬¸ÃÐËȤС×éÊ×ÏÈÑ¡Óá°¡Á10¡±Å·Ä·µ²£¬Æä×èÖµÈçͼ¼×ÖÐÖ¸ÕëËùʾ£¬ÎªÁ˼õС¶àÓõç±íµÄ¶ÁÊýÎó²î£¬¶àÓõç±íµÄÑ¡Ôñ¿ª¹ØÓ¦»»ÓÃ
¡°¡Á1¡±
¡°¡Á1¡±
Å·Ä·µ²£»
£¨2£©°´ÕýÈ·µÄ²Ù×÷³ÌÐòÔÙÒ»´ÎÓöàÓõç±í²âÁ¿¸Ã´ý²âµç×èµÄ×èֵʱ£¬Æä×èÖµÈçͼÒÒÖÐÖ¸ÕëËùʾ£¬ÔòRXµÄ×èÖµ´óÔ¼ÊÇ
9
9
¦¸£»

£¨3£©ÔÚÓ÷ü°²·¨²âÁ¿¸Ãµç×èµÄ×èֵʱ£¬ÒªÇó´ý²âµç×èµÄµçѹ´Ó0¿ªÊ¼¿ÉÒÔÁ¬Ðøµ÷½Ú£¬ÔòÔÚÉÏÊöÆ÷²ÄÖÐӦѡ³öµçÁ÷±íºÍ»¬¶¯±ä×èÆ÷·Ö±ðÊÇ
CF
CF
£¨ÌîÆ÷²ÄÇ°ÃæµÄ×Öĸ´úºÅ£©£»
£¨4£©ÔÚÐéÏß¿òÄÚ»­³öÓ÷ü°²·¨²âÁ¿¸Ãµç×èµÄ×èֵʱµÄʵÑéµç·ͼ£®
£¨1£©ÀûÓÃͼ1ÖÐËùʾµÄ×°ÖÿÉÒÔÑо¿×ÔÓÉÂäÌåÔ˶¯£®ÊµÑéÖÐÐèÒªµ÷ÕûºÃÒÇÆ÷£¬½Óͨ´òµã¼ÆÊ±Æ÷µÄµçÔ´£¬ËÉ¿ªÖ½´ø£¬Ê¹ÖØÎïÏÂÂ䣮´òµã¼ÆÊ±Æ÷»áÔÚÖ½´øÉÏ´ò³öһϵÁеÄСµã£®
¢ÙΪÁ˲âµÃÖØÎïÏÂÂäµÄËٶȺͼÓËÙ¶È£¬»¹ÐèÒªµÄʵÑéÆ÷²ÄÓÐ
C
C
£®£¨ÌîÈëÕýÈ·Ñ¡ÏîǰµÄ×Öĸ£©
A£®ÌìÆ½    B£®Ãë±í    C£®Ã׳ߠ    D£®µ¯»É²âÁ¦¼Æ

¢Ú´òµã¼ÆÊ±Æ÷½ÓÔÚÆµÂÊΪ50HzµÄ½»Á÷µçÔ´ÉÏ£¬Í¼2ΪʵÑéÖдò³öµÄÒ»ÌõÖ½´ø£¬´ÓÆðʼµãO¿ªÊ¼£¬½«´ËºóÁ¬Ðø´ò³öµÄ7¸öµãÒÀ´Î±êΪA¡¢B¡¢C¡¢D¡­£®´òµã¼ÆÊ±Æ÷´òFµãʱ£¬ÖØÎïÏÂÂäµÄËÙ¶ÈΪ
1.16
1.16
m/s£¬¸ÃÖØÎïÏÂÂäµÄ¼ÓËÙ¶ÈΪ
9.60
9.60
m/s2£®£¨½á¹û±£ÁôÁ½Î»ÓÐЧÊý×Ö£©
£¨2£©Ä³ÐËȤС×éΪÁ˲âÁ¿Ò»´ý²âµç×èRxµÄ×èÖµ£¬×¼±¸ÏÈÓöàÓõç±í´Ö²â³öËüµÄ×èÖµ£¬È»ºóÔÙÓ÷ü°²·¨¾«È·µØ²âÁ¿£®ÊµÑéÊÒÀï×¼±¸ÁËÒÔÏÂÆ÷²Ä£º
A£®¶àÓõç±í
B£®µçѹ±íVl£¬Á¿³Ì3V£¬ÄÚ×èÔ¼5k¦¸
C£®µçѹ±íV2£¬Á¿³Ì15V£¬ÄÚ×èÔ¼25k¦¸
D£®µçÁ÷±íAl£¬Á¿³Ì0.6A£¬ÄÚ×èÔ¼0.2¦¸
E£®µçÁ÷±íA2£¬Á¿³Ì3A£¬ÄÚ×èÔ¼0.04¦¸
F£®µçÔ´£¬µç¶¯ÊÆE=4.5V
G£®»¬¶¯±ä×èÆ÷Rl£¬×î´ó×èÖµ5¦¸£¬×î´óµçÁ÷Ϊ3A
H£®»¬¶¯±ä×èÆ÷R2£¬×î´ó×èÖµ200¦¸£¬×î´óµçÁ÷Ϊ1.5A
I£®µç¼üS¡¢µ¼ÏßÈô¸É
¢ÙÔÚÓöàÓõç±í´Ö²âµç×èʱ£¬¸ÃÐËȤС×éÊ×ÏÈÑ¡Óá°¡Á10¡±Å·Ä·µ²£¬Æä×èÖµÈçͼ3£¨¼×£©ÖÐÖ¸ÕëËùʾ£¬ÎªÁ˼õС¶àÓõç±íµÄ¶ÁÊýÎó²î£¬¶àÓõç±íµÄÑ¡Ôñ¿ª¹ØÓ¦»»ÓÃ
¡°¡Á1¡±
¡°¡Á1¡±
Å·Ä·µ²£»
¢Ú°´ÕýÈ·µÄ²Ù×÷³ÌÐòÔÙÒ»´ÎÓöàÓõç±í²âÁ¿¸Ã´ý²âµç×èµÄ×èֵʱ£¬Æä×èÖµÈçͼ3£¨ÒÒ£©ÖÐÖ¸ÕëËùʾ£¬ÔòRxµÄ×èÖµ´óÔ¼ÊÇ
9
9
¦¸£»

¢ÛÔÚÓ÷ü°²·¨²âÁ¿¸Ãµç×èµÄ×èֵʱ£¬ÒªÇ󾡿ÉÄÜ׼ȷ£¬²¢ÇÒ´ý²âµç×èµÄµçѹ´ÓÁ㿪ʼ¿ÉÒÔÁ¬Ðøµ÷½Ú£¬ÔòÔÚÉÏÊöÌṩµÄÆ÷²ÄÖеçѹ±íӦѡ
B
B
£»µçÁ÷±íӦѡ
D
D
£»»¬¶¯±ä×èÆ÷Ӧѡ
G
G
£®£¨ÌîÆ÷²ÄÇ°ÃæµÄ×Öĸ´úºÅ£©
¢ÜÔÚÐéÏß¿òÄÚ»­³öÓ÷ü°²·¨²âÁ¿¸Ãµç×èµÄ×èֵʱµÄʵÑéµç·ͼ£®
£¨2011?»³ÈáÇøÄ£Ä⣩£¨1£©ÔÚ¡°Óõ¥°Ú²â¶¨ÖØÁ¦¼ÓËÙ¶È¡±µÄʵÑéÖУº
¢ÙÓöþÊ®·Ö¶ÈµÄÓα꿨³ß²âÁ¿°ÚÇòÖ±¾¶µÄ½á¹ûÈçͼ1Ëùʾ£®
ÔòСÇòµÄÖ±¾¶Îª
17.15
17.15
mm£®
¢ÚΪÁ˼õС²âÁ¿ÖÜÆÚµÄÎó²î£¬°ÚÇòÓ¦ÔÚ¾­¹ý×î
µÍ
µÍ
£¨Ìî¡°¸ß¡±»ò¡°µÍ¡±£©µãµÄλÖÃʱ¿ªÊ¼¼ÆÊ±£¬²¢ÓÃÃë±í²âÁ¿µ¥°ÚÍê³É¶à´ÎÈ«Õñ¶¯ËùÓõÄʱ¼äÇó³öÖÜÆÚ£®
¢ÛÈôÓÃL±íʾ°Ú³¤£¬µ¥°ÚÍê³É30´ÎÈ«Õñ¶¯ËùÓÃʱ¼äΪt£¬ÄÇÃ´ÖØÁ¦¼ÓËٶȵıí´ïʽΪg=
3600¦Ð2L
t2
3600¦Ð2L
t2
£®
£¨2£©Ä³ÐËȤС×éΪÁ˲âÁ¿Ò»´ý²âµç×èË¿µÄ×èÖµRx£¬ÏÈÓöàÓõç±í´Ö²â³öËüµÄ×èֵԼΪ9¦¸£¬ÓÃÔÙǧ·Ö³ß²âÁ¿¸Ã¶Îµç×èË¿µÄÖ±¾¶£¬Èçͼ2Ëùʾ£¬È»ºóÔÙÓ÷ü°²·¨¾«È·µØ²âÁ¿£®ÊµÑéÊÒÀï×¼±¸ÁËÒÔÏÂÆ÷²Ä£º
A£®¶àÓõç±í
B£®µçѹ±íVl£¬Á¿³Ì3V£¬ÄÚ×èÔ¼5k¦¸
C£®µçѹ±íV2£¬Á¿³Ì15V£¬ÄÚ×èÔ¼25k¦¸
D£®µçÁ÷±íAl£¬Á¿³Ì0.6A£¬ÄÚ×èÔ¼0.2¦¸
E£®µçÁ÷±íA2£¬Á¿³Ì3A£¬ÄÚ×èÔ¼0.04¦¸
F£®µçÔ´£¬µç¶¯ÊÆE=4.5V
G£®»¬¶¯±ä×èÆ÷Rl£¬×î´ó×èÖµ5¦¸£¬×î´óµçÁ÷Ϊ3A
H£®»¬¶¯±ä×èÆ÷R2£¬×î´ó×èÖµ200¦¸£¬×î´óµçÁ÷Ϊ1.5A
I£®µç¼üS¡¢µ¼ÏßÈô¸É
¢ÙÔò´Ë½ðÊôË¿µÄÖ±¾¶ÊÇ
1.010
1.010
mm
¢ÚÔÚÓ÷ü°²·¨²âÁ¿¸Ãµç×èµÄ×èֵʱ£¬ÒªÇ󾡿ÉÄÜ׼ȷ£¬²¢ÇÒ´ý²âµç×èµÄµçѹ´ÓÁ㿪ʼ¿ÉÒÔÁ¬Ðøµ÷½Ú£¬ÔòÔÚÉÏÊöÌṩµÄÆ÷²ÄÖеçѹ±íӦѡ
B
B
£»µçÁ÷±íӦѡ
D
D
£»»¬¶¯±ä×èÆ÷Ӧѡ
G
G
£®£¨ÌîÆ÷²ÄÇ°ÃæµÄ×Öĸ´úºÅ£©
¢ÛÔÚÐéÏß¿òÄÚ»­³öÓ÷ü°²·¨²âÁ¿¸Ãµç×èµÄ×èֵʱµÄʵÑéµç·ͼ£®
£¨2009?ºÍÆ½ÇøÄ£Ä⣩ijÐËȤС×éΪÁ˲âÁ¿Ò»´ý²âµç×èRxµÄ×èÖµ£¬×¼±¸ÏÈÓöàÓõç±í´Ö²â³öËüµÄ×èÖµ£¬È»ºóÔÙÓ÷ü°²·¨¾«È·µØ²âÁ¿£¬ÊµÑéÊÒÀï×¼±¸ÁËÒÔÏÂÆ÷²Ä£º
A£®¶àÓõç±í                           
B£®µçѹ±íV1£¬Á¿³Ì6V£¬ÄÚ×èÔ¼10k¦¸
C£®µçѹ±íV2£¬Á¿³Ì15V£¬ÄÚ×èÔ¼20k¦¸    
D£®µçÁ÷±íA1£¬Á¿³ÌO.6A£¬ÄÚ×èÔ¼0.2¦¸
E£®µçÁ÷±íA2£¬Á¿³Ì3A£¬ÄÚ×èÔ¼O.02¦¸    
F£®µçÔ´£ºµç¶¯ÊƲãE=9V
G£®»¬¶¯±ä×èÆ÷R1£¬×î´ó×èÖµ10¦¸£¬×î´óµçÁ÷Ϊ2A
H£®µ¼Ïß¡¢µç¼üÈô¸É

£¨1£©¢ÙÔÚÓöàÓõç±í´Ö²âµç×èʱ£¬¸ÃÐËȤС×éÊ×ÏÈÑ¡Óá°¡Á10¡±Å·Ä·µ²£¬Æä×èÖµÈçͼ¼×ÖÐÖ¸ÕëËùʾ£¬ÎªÁ˼õС¶àÓõç±íµÄ¶ÁÊýÎó²î£¬¶àÓõç±íµÄÑ¡Ôñ¿ª¹ØÓ¦»»ÓÃ
¡Á1
¡Á1
Å·Ä·µ²£»
¢Ú°´ÕýÈ·µÄ²Ù×÷³ÌÐòÔÙÒ»´ÎÓöàÓõç±í²âÁ¿¸Ã´ý²âµç×èµÄ×èֵʱ£¬Æä×èÖµÈçͼÒÒÖÐÖ¸ÕëËùʾ£¬ÔòRxµÄ×èÖµ´óÔ¼ÊÇ
9
9
¦¸£»
£¨2£©¢ÙÔÚÓ÷ü°²·¨²âÁ¿¸Ãµç×èµÄ×èֵʱ£¬ÒªÇó´ý²âµç×èµÄµçѹ´Ó0¿ªÊ¼¿ÉÒÔÁ¬Ðøµ÷½Ú£¬ÔòÔÚÉÏÊöÆ÷²ÄÖÐӦѡ³öµÄÆ÷²ÄÊÇ
BDFGH
BDFGH
 £¨ÌîÆ÷²ÄÇ°ÃæµÄ×Öĸ´úºÅ£©£»
¢ÚÔÚÈçͼ±ûËùʾµÄÐéÏß¿òÄÚ»­³öÓ÷ü°²·¨²âÁ¿¸Ãµç×èµÄ×èֵʱµÄʵÑéµç·ͼ£®
£¨3£©Êý×ÖÐÅϢϵͳ£¨DIS£©±»¹ã·ºÓ¦ÓÃÔÚÎïÀíʵÑéÖУ®¸Ãϵͳ¿ÉÒÔѸËÙ²âÁ¿¡¢´¦ÀíÊý¾Ý£¬²¢×Ô¶¯Éú³ÉͼÏó£®Èçͼ£¨a£©Ëùʾ£¬Ò»ÌõÐδÅÌúͬ¶¨ÔÚˮƽת̨ÉÏ£¬´ÅÌú³¤¶ÈµÈÓÚԲֱ̨¾¶£¬Ò»´Å´«¸ÐÆ÷·ÅÖÃÔÚת̨±ßÔµ£¬´Å´«¸ÐÆ÷¿É²âÁ¿Ì½Í·ËùÔÚλÖÃÑØÌ½Í··½ÏòµÄ´Å¸ÐӦǿ¶È£®ÊµÑéºóÏÔʾÆ÷µÃ³öÇúÏßÈçͼ£¨b£©Ëùʾ£®Í¼Öкá×ø±ê±íÃæÊ±¼ä£¬×Ý×ø±ê±íʾ´Å¸ÐӦǿ¶È£®
¢ÙÓÉÒÔÉÏÐÅÏ¢¿ÉÖª´ÅÌúËù×öµÄÔ˶¯ÊÇ
¼õËÙת¶¯
¼õËÙת¶¯
£®
¢ÚÇúÏßËä¸ßµãµÄ×Ý×ø±ê±íʾ
ij´Å¼«¸½½üµÄ´Å¸ÐӦǿ¶È
ij´Å¼«¸½½üµÄ´Å¸ÐӦǿ¶È
£¬ÇúÏß×îµÍµãµÄ×Ý×ø±ê±íʾ
ÁíÒ»¸ö´Å¼«¸½½üµÄ´Å¸ÐӦǿ¶È
ÁíÒ»¸ö´Å¼«¸½½üµÄ´Å¸ÐӦǿ¶È
£®

Î¥·¨ºÍ²»Á¼ÐÅÏ¢¾Ù±¨µç»°£º027-86699610 ¾Ù±¨ÓÊÏ䣺58377363@163.com

¾«Ó¢¼Ò½ÌÍø