ÌâÄ¿ÄÚÈÝ

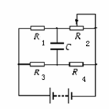
ÈçÓÒͼËùʾ£¬µç·ÖеçÔ´µç¶¯ÊÆEºã¶¨£¬ÄÚ×èr£½2¦¸£¬¶¨Öµµç×èR3£½4¦¸¡£ab¶Îµç·ÏûºÄµÄµç¹¦ÂÊÔÚ¿ª¹ØS¶Ï¿ªÓë±ÕºÏʱÏàµÈ£¬ÔòÒÔÏÂ˵·¨ÖÐÕýÈ·µÄÊÇ                                                          £¨     £©

A£®µç×èR1¡¢R2¿ÉÄÜ·Ö±ðΪ3¦¸¡¢9¦¸

B£®µç×èR1¡¢R2¿ÉÄÜ·Ö±ðΪ4¦¸¡¢6¦¸

C£®¿ª¹ØS¶Ï¿ªÊ±µçѹ±íµÄʾÊýÒ»¶¨µÈÓÚS±ÕºÏʱµÄʾÊý

D£®¿ª¹ØS¶Ï¿ªÓë±ÕºÏʱ£¬µçѹ±íµÄʾÊý±ä»¯Á¿ÓëµçÁ÷±íµÄʾÊý±ä»¯Á¿´óС֮±ÈÓëR1¡¢R2ÎÞ¹Ø

 

¡¾´ð°¸¡¿

AD

¡¾½âÎö¡¿È¡R=R3+r=6¦¸£¬ÓÐPab=¡£µ±S¶Ï¿ªÇ°ºóÈç¹ûÓÐRab¡¤Rab¡ä=R2=36¦¸Ê±£¬Pab=Pab¡ä£¬ÏÔÈ»AÕýÈ·£¬B´íÎó¡£ÓÖÓÉÖª£¬Rab±ä´óʱ£¬Uab±ä´ó£¬C²»ÕýÈ·¡£µ±Rab±ä»¯Ê±£¬Uab£­IͼÏóÈçÉÏͼËùʾ¡£Í¼ÏóµÄбÂÊk==R3+r=6¦¸£¬Ñ¡ÏîDÕýÈ·¡£

 

Á·Ï°²áϵÁдð°¸
Ïà¹ØÌâÄ¿

Î¥·¨ºÍ²»Á¼ÐÅÏ¢¾Ù±¨µç»°£º027-86699610 ¾Ù±¨ÓÊÏ䣺58377363@163.com

¾«Ó¢¼Ò½ÌÍø