ÌâÄ¿ÄÚÈÝ

(2007£¬ÄϾ©£¬31)ijÑо¿Ð¡×éÒª²âÁ¿Ò»Ö»×èֵԼΪ100¦¸µÄµç×裬ËùÌṩµÄÆ÷²ÄÓУº¢Ù¸Éµç³ØÁ½½Ú£¬¢ÚѧÉúÓõçÁ÷±í(0¡«0.6A¡¢0¡«3A)Ò»Ö»£¬¢ÛѧÉúÓõçѹ±í(0¡«3V¡¢0¡«15V)Ò»Ö»£¬¢Ü»¬¶¯±ä×èÆ÷(100¦¸¡¡2A)Ò»Ö»£¬¢Ýµç×èÏä(0¡«9999¦¸¡¡5A£¬·ûºÅΪ)Ò»Ö»£¬¢Þ¿ª¹ØºÍµ¼ÏßÈô¸É£®ÇëÄã°ïÖú¸ÃС×éÍê³ÉÏÂÁÐ(1)¡¢(2)Á½Ïî²½Ö裬ҪÇóÔÚµç±í¶ÁÊýʱ£¬Ö¸ÕëÆ«×ª³¬¹ý×î´ó¿Ì¶ÈÖµµÄ£®

(1)ÄãÑ¡ÔñµÄʵÑéÆ÷²ÄÊÇ£º__________________(ÌîÐòºÅ)£»

(2)¸ù¾ÝËùÑ¡Æ÷²Ä£¬ÔÚÓÒ±ßÐéÏß¿òÄÚ»­³öÒ»¸öÄÜ·´Ó³²âÁ¿·½·¨µÄµç·ͼ£®

´ð°¸£ºÂÔ
½âÎö£º

´ð°¸Ò»£º

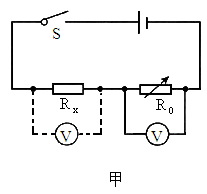
(1)¢Ù¢Û¢Ý¢Þ£¬(2)µç·ͼÈçͼ¼×Ëùʾ

´ð°¸¶þ£º

(1)¢Ù¢Û¢Ü¢Ý¢Þ

(2)µç·ͼÈçͼÒÒËùʾ


Á·Ï°²áϵÁдð°¸
Ïà¹ØÌâÄ¿

Î¥·¨ºÍ²»Á¼ÐÅÏ¢¾Ù±¨µç»°£º027-86699610 ¾Ù±¨ÓÊÏ䣺58377363@163.com

¾«Ó¢¼Ò½ÌÍø