题目内容
测定标有“3.8V”灯泡的额定功率.
(1)画出实验电路图,并根据电路图将下列所需实物连接起来.

(2)电压表所选量程是
(3)若此时电流表的示数如图所示,其读数为
(1)画出实验电路图,并根据电路图将下列所需实物连接起来.
(2)电压表所选量程是
0~15V
0~15V
,调节滑动变阻器,应使电压表指针指在3.8V
3.8V
的位置上.(3)若此时电流表的示数如图所示,其读数为
0.34
0.34
A,则灯泡的额定功率约是1.292
1.292
W,用此装置还可以测量的物理量有小灯泡的电阻
小灯泡的电阻
.分析:(1)分析实物电路图结构,然后根据实物电路图画出实验电路图;并连接实物图;
(2)小灯泡的额定电压为3.8V,所以电压表量程应选用0~15V,测定小灯泡的额定功率,电压表示数应该调节为额定电压3.8V;
(3)确定电流表的量程、最小分度值,读出电流表的示数;由P=UI求出灯泡的额定功率,还可以根据I=
求出小灯泡的电阻.
(2)小灯泡的额定电压为3.8V,所以电压表量程应选用0~15V,测定小灯泡的额定功率,电压表示数应该调节为额定电压3.8V;
(3)确定电流表的量程、最小分度值,读出电流表的示数;由P=UI求出灯泡的额定功率,还可以根据I=
| U |
| R |
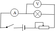
解答:解:(1)灯泡、滑动变阻器、电流表、开关串联,电压表与灯泡并联,电路图如图所示;

电压表选用0~15V量程,电流表选用0~0.6A量程,滑动变阻器接线柱一上一下,连接实物图如下:

(2)小灯泡的额定电压为3.8V,所以电压表量程应选用0~15V,测定小灯泡的额定功率,电压表示数应该调节为额定电压3.8V;
(3)由图知,电流表量程是0.6A,最小分度值是0.02A,电流表示数是0.3A+0.04A=0.34A,灯泡的额定功率P=UI=3.8V×0.34A=1.292W;
还可以根据I=
求出小灯泡的电阻.
故答案为:(1)电路图和实物图见上图;(2)0~15V;3.8;(3)0.34;1.292;小灯泡的电阻.
电压表选用0~15V量程,电流表选用0~0.6A量程,滑动变阻器接线柱一上一下,连接实物图如下:
(2)小灯泡的额定电压为3.8V,所以电压表量程应选用0~15V,测定小灯泡的额定功率,电压表示数应该调节为额定电压3.8V;
(3)由图知,电流表量程是0.6A,最小分度值是0.02A,电流表示数是0.3A+0.04A=0.34A,灯泡的额定功率P=UI=3.8V×0.34A=1.292W;
还可以根据I=
| U |
| R |
故答案为:(1)电路图和实物图见上图;(2)0~15V;3.8;(3)0.34;1.292;小灯泡的电阻.
点评:本题考查了根据实物电路图画实验原理图、连接实物图、量程的选择、电流表读数、求灯泡的额定功率,难度不大,是一道基础题;对电流表读数时,应先确定电流表的量程、最小分度值,读数时视线应与刻度线垂直.
练习册系列答案
相关题目