题目内容
分析:本题电路较为复杂,做题时可采用“先摘除后复原”的方法来先判定电路的连接方式,再根据电压表和电流表的使用特点分析其在电路中的作用.最后根据串并联电流的特点分析判断.
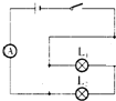
解答:解:去掉电压表V1和V2,简化电路如图:

所以灯泡L1和L2是串联,根据串联电路的电流特点可知通过灯L1和L2的电流相等.电流表测量串联电路的电流,即测量通过灯泡L1、L2的电流;
先复原电压表V1,可以看出V1并联在电源两端,即V1是测量灯泡L1和L2组成串联电路的总电压.
再复原电压表V2,可以看出V2并联在灯泡L1两端,是测量灯泡L1两端的电压,根据串联电路的电压特点可知:两电压表的示数一定不等.
由此分析可知只有A选项错误.
故选A.
所以灯泡L1和L2是串联,根据串联电路的电流特点可知通过灯L1和L2的电流相等.电流表测量串联电路的电流,即测量通过灯泡L1、L2的电流;
先复原电压表V1,可以看出V1并联在电源两端,即V1是测量灯泡L1和L2组成串联电路的总电压.
再复原电压表V2,可以看出V2并联在灯泡L1两端,是测量灯泡L1两端的电压,根据串联电路的电压特点可知:两电压表的示数一定不等.
由此分析可知只有A选项错误.
故选A.
点评:本题是一道综合性选择题,解题时要认真判断电压表所测量的电压,明确电压表与电流表的差异.
练习册系列答案
相关题目
| A、甲灯的实际功率一定是40W | B、将乙灯接入110V电路中,它的额定功率仍为60W | C、两灯均正常发光时,甲灯灯丝电阻较小 | D、两灯均正常发光时,甲灯消耗的电能较少 |