题目内容

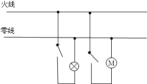
请虚线框内画出教室中一个日光灯和一个吊扇的连接电路图,各有一个开关控制.
分析:家庭电路中各用电器并联,各有一个开关控制说明各有一个开关控制支路且控制火线,据此设计电路图.
解答:解:日光灯和吊扇,各有一个开关串联且控制火线,如下图所示:
点评:本题考查了电路图的设计,关键是知道家庭电路中各用电器之间是并联以及开关开关控制火线.
练习册系列答案
相关题目

初中物理电现象和电路阶梯训练

基础知识与基本技能

*1.人类最早认识电现象是从摩擦起电开始的。带电体与带电体之间的相互作用有

                                                         两种情况,通过对

这两种情况的研究进一步认识到自然界只有            种电荷;为便于区别,规定

           叫正电荷,           叫负电荷。

*2.当人类进一步了解物质的结构后发现,摩擦起电并不是创造了电。摩擦起电的实质是          ,失去电子的带      电,得到电子的带       电。物体带电的多少叫电量,它的单位是        

*3.电荷的        形成电流,规定       移动的方向为电流方向。电源是提供   

      的装置,它把         转化为电能.在电路中,电流从电源     极流向     极。

*4.蓄电池在充电时,把     能转化为      能;在放电(供电)时,把       能转化为     能。

*5.由                       组成的电流的路径称为电路.电路中有持续电流的条件,一是            ,另一是             。用           表示电路连接情况的图叫电路图。

知识的应用

**6.容易导电的物体称为导体,你所熟悉的导体有                               ;不容易导电的物体称为绝缘体,你所熟悉的绝缘体有                             。(分别写四个以上)绝缘体在条件改变时也会变为导体,你所熟悉的例子是                                            

**7.关于图13-1所示的电路,下列说法中不正确的是(    )。

A.S1、S2都断开时,三只灯泡是串联

B.Sl、S2都闭合时,三只灯泡是并联

C.S1闭合、S2断开时,只有灯泡L3

D.S1、S2都闭合时,三只灯泡都不亮

***8.根据图13-2所示电路图,将图13-3中的电路元件连成电路。

知识的拓展

****9.现有四只轻小球甲、乙、丙、丁,已知甲带负电,甲排斥乙,乙吸引丙,丙吸引丁,则球丁(   )。A.一定不带电      B.不可能带正电

C.一定带负电    D.可能带电,也可能不带电

***10.有一位同学留心观察一条街上的路灯.他发现,这些灯有一齐亮一齐熄的特点,于是他认为这些灯是串联的;但他又发现,其中有一盏路灯不亮时,其他的照常亮,于是他又觉得这些灯应该是并联的.他拿不定主张;请你给他一个确定的回答,并说明理由让他信服。

摩擦起电  两种电荷

基础知识与基本技能

*1.自然界中只有    种电荷。用       摩擦过的        带的电荷叫正电荷;用       摩擦过的        带的电荷叫负电荷;同种电荷互相      ,异种电荷互相      。[1.5]

*2.                叫电量,单位是       ,单位的符号是     。[1.0]

*3.物理学中规定,用丝绸摩擦过的玻璃棒带的电荷叫    电荷,用毛皮摩擦过的橡胶棒带的电荷叫    电荷。[1.0]

*4.验电器的原理是                   ,验电器的作用是             。[1.0]

*5.原子是由位于中心的原子核和核外电子组成的。原子核带       电,电子带

      电,电子是带有最小负电荷的粒子,电量为         ,称为      电荷,常用符号     来表示它。[1.5]

*6.如果物体得到电子,它就带    电;如果物体失去电子,它就带    电。[0.5]

*7.摩擦起电并不是创造了电荷,只是     从一个物体     另一个物体,使      分开。

*8.电子是物体里最小的带电微粒,        个电子所带的电量是1库仑,一个电子所带的电量是       库仑。[2.5]

*9.一个物体不带电时,是由于物体中原子核所带的   与核外电子总共所带的    在数量上相等,整个原子呈    性,也就是对外不显     的性质。[1.5]

*10.毛皮与橡胶棒摩擦后,橡胶棒带    电荷。摩擦过程中,得到电子的是      。[1.0]

*11.电荷的定向移动形成      。能够持续供电的装置叫      。[0.5]

*12.我们把       移动的方向规定为电流的方向。按照这个规定可知:负电荷移动的方向与电流方向      。[1.0]

*13.电源是把            能转化为    能的装置,它的作用是在电源内部不断地使正极聚集        ,使负极聚集       。[1.5]

*14.把两个带正电的轻质小球相互靠近,将发生相互      的作用,把一个带正电的轻质小球和另一个带负电的轻质小球靠近,将发生相互      的作用。[1.5]

*15.电流是电荷的          形成的,规定      移动的方向为电流方向。[1.0]

*16.在电源外部,电流方向是从电源的    极流向    极,能够提供持续      的装置叫电源。[1.0]

*17.蓄电池充电时,是      能转化为     能,放电时是    能转化为     能。[1.0]

*18.          的物体叫导体,          的物体叫绝缘体。在一般情况下,不容易导电的物体当条件发生改变时,就可能       。所以导体与绝缘体之间并没有绝对界限

 *19.导体容易导电的原因是:导体内部有                ;绝缘体不容易导电的原因是:内部的                          。[1.5]

**20.一个同学将塑料尺在衣服上摩擦几下,然后把尺靠近碎纸屑,纸屑被吸起来,这说明经摩擦过的塑料尺带了           。[0.5]

**21.一个带电的物体靠近用毛皮摩擦过的橡胶棒时,它们互相排斥,这一带电的物体所带的电荷是    电荷。[0.5]

**22.用毛皮摩擦过的橡胶棒去靠近用丝线悬挂的轻质小球,小球被吸引,那么小球可能带    电,也有可能        。[1.0]

**23.用塑料梳子在干燥的头发上梳几下,塑料梳子就会带电。这种使梳子带电的方式叫        。将带电的梳子靠近自来水龙头放出的细水流时,就会观察到             。[1.0]

**24.当带电体接触原来不带电的金属球时,就有一部分      转移到验电器的两片金属箔片上,这两片金属箔由于带      电荷互相      而张开。从金属箔的张开可以断定,跟金属球接触的物体是带电的。[1.5]

**25.指出下列能量的转化[2.5](1)干电池放电时,      能转化为      能;

(2)植物的光合作用时,       能转化为       能; 

(3)发电机发电时,      能转化为      能;

(4)蓄电池充电时,       能转化为       能;

(5)燃料燃烧时,      能转化为      能。

**26.图13-4中箭头所示的是什么电荷移动的方向?答:            [1.0]

**27.判断题[2.5]

(1)(   )蓄电池是可以多次充电,重复使用的电池

(2)(   )只有化学能转化为电能的装置才叫电源

(3)(   )电路中要形成持续的电流必须有电源

(4)(   )蓄电池向外供电时是化学能转化为电能

(5)(   )在电源的外部电流是从正极流向负极

**28.金属中的电流是由         发生定向移动形成的,所以金属中的电流方向跟电荷实际移动的方向     。[1.0]

**29.验电器主要是由(A)金属杆 (B)金属球 (C)金属箔 (D)玻璃外壳等四个部分构成。其中                 是导体;           是绝缘体。[1.5]

**30.电线的芯线是用金属来做的,因为金属是     ;电线芯线的外面包上一层橡胶或塑料,因为橡胶或塑料是       。[1.0]

**31.两个带等量异种电荷的物体互相接触时,电子从带   电的物体转移到带   电的物体上,从而使两个物体都恢复成不带电的状态,这种现象叫做        。[1.0]

**32. 导体容易导电是因为导体中存在大量的          ;绝缘体不容易导电,是因为绝缘体内的电荷几乎都被束缚在              的范围内,不能           。[1.5]

**33.下列物质属于导体还是绝缘体?(导体后面打“√”,绝缘体后面打“〇”)[3.5]

①空气  ②煤油  ③稀硫酸  ④人体  ⑤陶瓷  ⑥塑料  ⑦水银  ⑧干纸  ⑨大地    

**34.玻璃棒和绸子相互摩擦时,     上的原子核束缚电子的本领弱,它的一些电子就会转移到     上,因此玻璃棒因      了电子而带上       电荷。[2.0]

知识的应用

**35.A、B、C、D四个带电的小球,已知:A吸引B,B排斥C,C排斥D,A带正电。则B、C、D三小球带电的种类分别是(    )。 A.正电,负电,负电  B. 负电,正电,正电

C. 负电,负电,负电                  D. 正电,负电,正电

**36.一轻质小球用绝缘线悬挂起来,若用丝绸摩擦过的玻璃棒靠近这小球时,相互吸引,那么,轻质小球(    )。[A. 一定带了正电   B. 一定带了负电

C. 一定是不带电   D. 不带电或带负电都可能

**37.两个带电体接触后都不带电了,说明它们原来带的电是(    )。[1.0]

A. 同种电荷  B. 异种电荷  C. 等量同种电荷  D. 等量异种电荷

**38.两个用细线悬挂着的通草球靠近时相互吸引,由此可判定(    )。[1.5]

A.一定是一个小球带正电,另一个小球不带电 B.至少有一个小球带电

C.两个小球一定带异种电荷      D.两个小球一定带同种电荷

**39. 穿化纤的衣服容易吸灰尘,这是因为化学纤维容易              的缘故。[1.0]

**40.一个物体没有带电,是因为(  )。 A.物体内部没有电荷  B.物体内部没有电子

C.原子核所带的正电荷总数与核外电子所带的负电荷总数相等

D.原子核所带的正电荷数与一个电子所带的负电荷数相等

**41.关于摩擦起电,下列说法中正确的是(   )。[0.5]

A.两个材料相同的物体互相摩擦时才会发生带电现象

B.相互摩擦的两物体,一定带等量的同种电荷

C.在摩擦起电现象中,总是电子从某个物体转移到另一物体

D.在摩擦起电现象中,总是质子从某个物体转移到另一物体

**42.两个带等量异种电荷的物体互相接触后分开,结果是(   )。[0.5]

A.正、负电荷都消失了,两物体都不带电B.正、负电荷中和了,两物体都不带电

C.正、负电荷中和了,两物体带的电量都减小     D.以上说法都不对

**43.橡胶棒跟毛皮摩擦后,橡胶棒带负电,是由于(   )。[1.0]

A.毛皮上的一些电子转移到橡胶棒上B.毛皮上的一些质子转移到橡胶棒上

C.橡胶棒上的一些电子转移到毛皮上D.橡胶棒上的一些质子转移到毛皮上

**44.玻璃棒跟丝绸摩擦后,它们带电的情况是(   )。A.玻璃棒和丝绸都带正电             B.玻璃棒和丝绸都带负电C.玻璃棒带正电,丝绸带负电 D.玻璃棒带负电,丝绸带正电 

**45.在摩擦起电现象中,造成物体带负电的原因是(   )

A.摩擦的速度快                           B.摩擦的速度慢

C.该物体中原子核束缚电子的本领较强       D.该物体中原子核束缚电子的本领较弱

**46.摩擦起电的实质是(   )。[0.5]

A.摩擦可以产生电荷 B.摩擦时原子核会从一个物体转移到另一个物体

C.摩擦时核外电子会从一个物体转移到另一个物体

D.摩擦时原子会从一个物体转移到另一个物体

**47.一个物体带负电的原因是因为物体(   )。[0.5]

A.物体只有电子  B.物体没有质子  C.物体得到了电子  D.物体得到了质子

**48.有两个相同的金属小球甲和乙,已知甲球带负电,乙球不带电,将它们用金属线相连时(   )。[1.0]A.有电流从甲流向乙  B.有电流从乙流向甲

 C.有电流,但方向无法确定   D.没有电流

49.关于电流下面说法中正确的是(   )。A.只要有电荷,就有电流  

B.电荷的定向移动形成电流    C.有电源就一定有电流    D.电荷的移动形成电流

**50.要在闭合电路中形成持续的电流,必须有(   )[0.5]

 A.验电器        B.电灯        C.电源         D.开关

**51.图13-5中,    为干电池的正极,开关闭

合后,电流将由                          

回到        极,自由电子的移动路径是

                        。[2.0]

**52.一轻质小球用绝缘线悬挂起来,现用丝绸摩擦过的玻璃棒靠近这个小球,它们相互吸引,那么该轻质小球(   )。A.一定带正电         B.一定带负电

C.一定不带电   D.可能带电,也可能不带电

53.下列说法中正确的是(   )A.电动机是电源 B.干电池是把内能转化为电能的电源

 C.电源是把其它形式的能转化为电能的装置   D.能贮存大量电荷的装置都叫电源

**54.下列说法中正确的是(   )。[0.5]

A.正电荷定向移动的方向规定为电流方向   B.负电荷定向移动的方向规定为电流方向

C.丝绸摩擦过的玻璃棒带的电荷叫负电荷     D.毛皮摩擦过的橡胶棒带的电荷叫正电荷

**55.关于导体和绝缘体,下列说法中正确的是(   )。[0.5]

A.金属是导体,非金属是绝缘体        B.固体是导体,液体是绝缘体

C.人体是导体,大地是绝缘体          D.以上都不对

**56.金属是一种良导体,是因为金属内部()A.有大量的自由电子    B.有大量的原子核C.有大量带正电的原子                D.有大量带负电的原子

**57.用毛皮摩擦过的橡胶棒带负电是因为(   )。[0.5]

A.橡胶棒失去了质子            B.橡胶棒失去了电子

C.橡胶棒得到了多余的电子      D.橡胶棒得到了多余的质子

**58.导体容易导电,是因为导体内部(   )。[0.5]

A.有电子  B.有质子    C.有大量自由电子  D.有大量自由电荷

**59.绝缘体不容易导电,是因为绝缘体内部(   )。[0.5]

A.没有电子   B.没有质子     C.没有自由电子  D.几乎没有自由电荷

**60.关于导体和绝缘体,下列说法中正确的是(   )。A.空气是绝缘体,任何情况下都不会导电    B.只有导体才能做电工材料   C.纯净水是绝缘体   D.水银不易导电

**61.好的导体和绝缘体都是重要的电工材料。关于导体和绝缘体的应用,下列说法中不正确的是(   )。A.电线的铜芯或铝芯是导体,塑料或橡胶包皮是绝缘体

B.开关的金属刀口和接线柱是导体,胶木底座和外壳是绝缘体

C.干电池的正极碳棒和负极锌筒是导体,薄膜纸是绝缘体

D.包电缆芯用的油浸纸是导体,拉线用的陶瓷瓶是绝缘体

62. 甲、乙、丙三个轻质小球,让甲球和乙球靠近时互相排斥,让乙球和丙球靠近时相吸引,则(  )A. 甲球和丙球靠近时也一定相互吸引  B. 甲球和丙球靠近时一定相互推斥

C. 甲球和丙球靠近时一定没有相互作用   D. 以上三种都可能

***63.如图13-6是甲、乙两通草球相互作用的

情况,由此可知(    )。[1.5]

A. 两球一定带异种电荷      B. 两球一定带同种电荷

C. 至少有一个球带电     D. 无法确定

***64.两个完全相同的验电器所带的电量相等,使它们的金属球相互接触后,验电器的金属箔张开的角度都不发生改变,这说明(    )A. 两个验电器带的都是正电    B. 两个验电器带的都是负电    C. 两个验电器一定带同种电荷    D. 两个验电器一定带异种电荷

***65.A、B、C、D四个带电体,如果A排斥B,A吸引C,C排斥D,已知:B缺少电子,则C带    电,D带    电。

***66.验电器原来带正电荷,当用一个物体接触它的金属球时,金属箔张开的角度变大了,则这个物体(   ) A.一定带正电   B.一定带负电  C.一定不带电  D.可能不带电

***67.有两个完全相同的验电器,分别带有等量的异种电荷,如果把它们的金属球互相接触一下,验电器金属箔的张角将(   )。[1.5]

 A.不变       B.变大一些      C.变为零      D.变小一些,但不为零

***68.三只悬挂的小球,其中任意两只球靠近时,都相互吸引,这三只球的带电情况是(   )。[1.5]A.三只都带正电              B.两只带正电,一只带负电

C.一只带正电,两只不带电    D.一只带正电,一只带负电,一只不带电

***69.A、B、C、D四个带电的小球,B球吸引A球,B球排斥C球,C球吸引D球,若C球带正电,则当A球和D球靠近时,将(   )。[1.5]

 A.相互吸引  B.相互排斥   C.不发生相互作用   D.以上三种情况都有可能

***70.取两个相同的验电器甲和乙,用金属棒把甲和乙连接起来,金属棒上没有电流的条件是(   )。[1.5]A.甲带正电,乙不带电     B.甲不带电,乙带负电

C.甲和乙带等量异种电荷     D.甲和乙带等量同种电荷

***71.用手直接拿一根铜棒和丝绸摩擦,则铜棒上将(   )。[0.5]

A.带正电B.带负电 C.不带电D.带正电或负电不能确定

***72.如图13-7所示,在开关和小灯泡之间连接两个金属夹A和B,在两个金属夹之间分别接入硬币、塑料尺、铅笔芯、橡皮,闭合开关后,能使小灯泡发光的是(   )。[1.0]

A.硬币和橡皮   B.硬币和铅笔芯

C.橡皮和塑料尺   D.铅笔芯和塑料尺

***73.金属导电时,在电源外部(   )。[1.0]

A.电流方向和自由电子移动的方向都是从正极流向负极

B.电流方向和自由电子移动的方向都是从负极流向正极

C.电流方向是从正极流向负极,自由电子的移动方向从负极流向正极

D.电流方向是从负极流向正极,自由电子的移动方向从正极流向负极

知识的拓展

***74.关于能量的转化,下列说法中错误的是(   )。[1.0]

A.干电池放电时,化学能转化为电能B.蓄电池充电时,化学能转化为电能

C.发电机发电时,机械能转化为电能D.核电站发电时,原子能转化为电能

****75.验电器的金属箔原来是张开的,用绸子摩擦过的玻璃棒去靠近验电器的金属球时,可观察到验电器的金属箔闭合后又张开了,则能说明(    )。[1.5]

A.两片金属箔原来均带负电,后来带正电B.两片金属箔原来均带正电,后来带负电

C.两片金属箔在玻璃棒靠近前后一直均带负电

D.两片金属箔在玻璃棒靠近前后一直均带正电

****76.把一个带负电的物体靠近一个原来不带电的验电器的金属小球,然后用手去触摸金属小球,再移开手,此时(    )。[1.5]

A.验电器金属小球和金属箔均不带电  B.验电器金属小球带正电,金属箔不带电

C.验电器金属小球带正电,金属箔带正电  D.验电器金属小球带正电,金属箔也带负电

串联和并联电路

基础知识与基本技能

*1.电灯、电铃、电风扇、电视机等用电来工作的设备都叫      。[0.5]

*2.在电路中提供电能的是     ,消耗电能的是       ,输送电能的是    ,控制电能输送的是     。[1.0]

*3.         的电路叫做通路;      电路叫做开路;直接把导线连接在电源上,电路中会有     电流,可能把电源烧坏,这是不允许的。这种情况叫       。[1.5]

*4.用符号表示电路连接情况的图叫做        。[0.5]

*5.电路中要得到持续电流的条件是:①            ;②               。[1.0]

*6.干电池和蓄电池都是利用      变化来供电的。从能量转化的观点来看,它们的作用都是把     能转化为     能。这样的电池又叫      电池。[1.5]

*7.下列符号中不属于用电器的是(   )。[2.0]

*8.不论电路是简单的还是复杂的,组成电路总离不开                    

      这四种元件。[1.0]

*9.在电路中,电灯、电铃等用电器是利用        来工作的设备;导线是把电源和用电器连接起来,输送    的;电源是提供持续      的装置;开关是控制电路     的。[1.5]

*10.电路接通时,电路中就有电流,接通的电路叫      。电路断开时,线路中无电流,断开的电路叫       。导线直接接在电源两极上,电流不经过用电器的电路叫       

*11.要想电路中得到持续的电流,必须满足两个条件;第一                  ;第二                。[1.5]

*12.画出下列元件的电路符号:[3.5]

 ① 电灯       ② 电铃     ③ 电池组         ④ 交叉相连的导线

 ⑤ 开关       ⑥ 电池     ⑦ 电动机         ⑧ 交叉不相连的导线

*13.       电路和        电路是最基本的电路,它们的实际应用非常普遍。[0.5]

*14.把电路的元件                    的电路叫串联电路。在串联电路中,电流只有一条路径,通过一个元件的电流必定通过另一个元件;把电路的元件      

的电路叫并联电路。在并联电路中,电流有多条路径,通过一个元件的电流不通过另一个元件。[1.5]

*15.连接电路时,要按照一定       进行。例如,可以从电池的正极开始,依次连接用电器、开关等,最后连到电池的负极。连接过程中,开关应该是      的,这样可防止电路接错,使电源因        而烧毁。[1.5]

*16.在串联电路中开关的位置改变,它的作用      。在并联电路中,干路中的开关控制          ,支路中的开关控制           。[1.5]

*17.下列几组材料中,哪一组都是导体(   )。[1.0]A.陶瓷、大地、人体   

B.油、空气、金属    C.大地、金属、玻璃    D.金属、碳、碱

*18.下列说法中正确的是(  )

A.中性的物体失去电子带正电  B.与玻璃摩擦过的丝绸带正电

C.教室里的日光灯,有串联,有并联

D.并联电路中有一条支路断开,其它支路也不会有电流

**19.如图13-8所示,正确的电路图是(   )。[1.0]

**20.画出手电筒的电路图:[1.5]

知识的应用

**21.绝不允许用电线把电源的两极直接连接起来,是因为(   )。A.有触电的危险  

B.电路中没有电流     C.电流太小会损坏电源      D.电流太大会损坏电源

**22.在电线的接头处,常常包有黑胶布,这是为了(   )。[0.5]

 A.使电线导电  B.更美观一些C.起绝缘作用  D.使接头更牢固

**23.指出下列电路图的错误:[2.5]

   ①                     ②                    ③                 

**24.画出门铃电路的电路图。[1.5]

**25.在如图13-9所示的电路中,A表示       

灯L2与A    联,A、L2与灯L1    联。要使灯L1发光,

必须闭合开关        。[2.5]

**26.市场上出售的装饰用的小彩灯,是由十几只彩

色小灯泡       联而成的,它们只要其中一只灯损

坏,其它的灯都     。(填“亮”或“不亮”)[1.0]

**27.家庭电路中的电灯、电视机、电风扇等电器都是      联的,它们工作时互不影响。[0.5]

**28.马路上的路灯总是一齐亮,一齐灭。如果它们其中一盏灯的灯丝断了,其它灯仍能正常发光。根据这些现象判断路灯是(   )。[1.0]

A.串联的  B.并联的 C.可能是串联的,也可能是并联的 D.不能确定是何种连接方式

**29.两只相同的灯泡组成的电路,如果其中一只灯泡突然熄灭,另外一只灯仍然正常发光,那么这个电路是(   )。[1.0]

A.一定是串联的  B.一定是并联的 C.可能是串联,也可能是并联

**30.日常生活的经验告诉我们:家中的电灯、电冰箱和插座等电器,彼此间的连接方式是(   )。[1.0]A.串联的             B.可能是串联也可能是并联的

C.并联的             D.电灯与插座间是串联的,其它用电器是并联的

**31.在图13-10所示电路中,用箭头标出电路中的电流方向,并用色笔描出干路部分。

**32.画出一个电池组,一个开关,一盏电灯和一个电动机组成的串联电路电路图。[1.5]

**33.如图13-11所示的电路中,下列说法中正确的是(   )[2.0]

A.开关S控制灯L1    B.电灯L1、L2是串联的

C.只有L1、L2是并联的

D.灯L1、L2、L3都是并联的

**34.关于绝缘体,下列说法中正确的是(   )。[0.5]

A.绝缘体在任何情况下都不导电

B.绝缘体不容易导电,也不能够带电

C.绝缘体不容易导电,但能够带电

D.绝缘体不容易导电,因为绝缘体内没有电荷

***35.在图13-12的四个电路图中,开关S闭合后,能使小灯泡L1和L2都正常发光的图是(   )。[1.5]

***36.图13-13的四个电路图中,哪一个图的连接是不允许的(   )。[1.5]

***37.如图13-14,当开关S闭合时,可能发生的是(   )。[1.5]

    A.L1、L2都发光        B.L1发光,L2不发光

    C.电源损坏             D.L2的灯丝被烧断

***38.下列物体中一定带负电的是(   )。[0.5]

  1. 与玻璃摩擦过的丝绸 B.失去电子的塑料棒

  C.与带正电的物体接触后的验电器  

D.与带正电的物体相互吸引的轻小物体

***39.下列的几个电路图中的用电器分别是何种连接方式?开关分别控制哪盏灯?如果是并联,请用色笔描出图上的干路部分。[5.5]

图1-15中L1、L2   联,S控制     

图1-16中L1、L2    联中L1、L2    联,S1控制   ,S2控制    

图1-17中L1、L2    联中L1、L2    联,S1控制   ,S2控制    

***40.用一个开关同时控制电路中的三盏电灯的发光和熄灭。画出电路图(你能画出几种吗?)[3.5]

***41.图13-18的电路图中,已经造成短路的是     图;闭合开关后造成短路的是      图;由几盏灯组成串联电路的是       图;由几盏灯组成并联电路的是

       图。[2.5]

***42.如图13-19所示的电路中,L1、L2     联,S1可以控制      ,S2可以控制      。[1.5]

***43.如图13-20所示的电路,当开关        闭合,      断开时,灯泡L1、L2是并联的;当开关      闭合,       断开时,灯泡L1、L2是串联的。[1.5]

***44.一只开关可以同时控制三盏灯,那么这三盏灯的连接方式(   )。[1.0]

A.一定是串联    B.一定是并联     C.可能是串联,也可能是并联

***45.教室里有六盏日光灯,每两盏日光灯用一个开关控制,则它们的连接情况是(   )。A.六盏日光灯与三只开关串联 B.每两盏日光灯并联后与一只开关串联,然后三组再并联

C.六盏灯并联后与开关串联    D.每两盏灯和一个开关串联成一组,然后三组并联

***46.一个电铃和一个电动机组成并联电路,开关S1控制电铃,开关S2同时控制电铃和电动机,用电池组作电源。在虚线框内画出此电路图。[2.5] ***47.根据电路图,用笔线连接实物。[15]

***48.根据图13-25实物,在右图线框内画出对应的电路图。[2.5]

***49.如图13-26所示的电路,这时灯L1     ,灯L2       。(填“不发光”或“发光”)灯L1和L2     联。在图中电流流过的导线上标出电流方向,并画出相应的电路图。[2.5]

***50.如图13-27所示的某段电路中,A、B、C、D、E是四个接线柱。A接电源的负极,E接电源的正极。[2.5](1)用导线连接A、B,则电流通过灯       ,它们是    联的;

  (2)用导线只连接C、D,则电流通过灯      ,它们是    联的。

  

***51.按图13-28所示的电路,在右画线框内出相应的电路图。[2.5] 

***52.用笔线代替导线,按左边的电路图,将右边所给的电路元件连接起来。[4.5]

***53.如图13-31所示的电路中,开关S1、S2、S3都处于断开位置,若只闭合开关S2,则灯L1和L2      联在电路中;若只闭合S1和S3,灯L1和L2     联在电路中的;此电路中不能同时合上开关         。[1.5]

***54.在方框内画出图13-32所示电路的电路图。[3.5]

***55.在如图13-33所示的电路中,当开关S1、S2都断开时,亮着的灯是      ,此时它们是      联的;如果开关S1、S2都闭合时,亮着的灯是       ,此时它们是     联的;若只闭合开关S1,亮着的灯是       。[2.5]

***56.对于图13-34所示的电路,下列说法中错误的是(   )。[1.5]A.开关S1、S2、S3不能同时闭合

B.开关S1、S2闭合时,只有L2工作

C.开关S3不能控制L2的工作

D.开关S1、S2闭合时,只有L2工作

***57.如图13-35所示的电路中,要只使其中一个灯泡发光,应闭合的开关是(   )。[1.5]

A.S1、S2、S3           B.S1、S2      

C.S2、S3             D.S3 

知识的拓展

***58.甲、乙两个办公室为了互相传呼方便,在两个办公室各装了一个电铃,要使两个办公室的任何一方按开关都能使对方的电铃发声,正确的电路图是(图13-36中的虚线表示房间的墙壁)(   )。[2.5]

****59.现有红、绿两只灯泡和一个电铃,两只开关,一个电池组和若干导线。利用这些材料请为收发室值班人员按要求设计一个电路。并按设计电路将实物连接好。

要求:红灯亮时,电铃响表示前门来人;绿灯亮时,电铃响表示后门来人。(在开关处标明所在的位置)[4.5]

****60.按要求设计电路,在13-38中画出电路图。 要求:开关S1、S2都闭合,电动机转,电铃响;只闭合开关S1,电动机不转,电铃响;只闭合开关S2,电铃不响,电动机不转。[3.5]

****61.如图13-39所示,箭头表示电路连接好后电流的方向,甲、乙、丙三处接有电源和电铃,由此可判断电源(    )。[1.5]

  1. 只能在甲处            B.可能在乙处

C. 可能在丙处            D.在任何一处均可

****62.实验室有两盏电灯、一个电铃,它们分别接在同一个电池组上,恰好正常工作,另有开关两只,导线若干。请在图13-40中画出电路图。要求:只按开关S1,灯与电铃均无电流;只按下开关S2电铃响,灯一盏也不亮;同时按下S1和S2,电铃响,两灯均正常发光。[3.5]

违法和不良信息举报电话:027-86699610 举报邮箱:58377363@163.com

精英家教网