题目内容

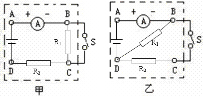
现有两只阻值相等的电阻R1、R2,一个电压不变的电源,导线若干.试用以上器材,以不同的连接方式分别接入如图甲、乙两个虚线框中的A,B,C,D四个接线柱上,而且甲、乙两种不同的接法都能同时满足:开关S合上时电流表的示数是S断开时电流表的示数的两倍.
分析:由题知:电阻R1与R2阻值相等,开关S合上时电流表的示数是S断开时电流表的示数的两倍,所以开关S合上时的总电阻是开关S断开时总电阻的二分之一,电路中电阻的接法有两种:一是两电阻串联,开关与其中一个电阻并联;二是两电阻并联,开关与其中一电阻串联.
解答:解:甲图:AD间为电源,BC间、CD间分别为两电阻;
    乙图:AD间为电源,BD间、CD间分别为两电阻.
故答案为:
点评:考查了串、并联电路的设计,需要学生熟记串并联电路的特点并能灵活应用这些特点,同时也考查了开关在电路中的作用.
练习册系列答案
相关题目

初中物理欧姆定律阶梯训练

欧姆定律

基础知识与基本技能

*1.导体中的电流,跟这段导体          成正比,跟这段导体       成反比。这个结论是德国物理学家           在19世纪初通过实验研究得出的。通常叫做            。它写成公式是           。[2.5]

*2.电流的符号是   ,单位是     ,单位的符号是     ;电压的符号是     ,单位是     ,单位的符号是     ;电阻的符号是     ,单位是     ,单位的符号是     。*3.单位换算:[1.5]24000Ω=      kΩ=      MΩ 1.1×105V=      kV=       mV

 260mA=         A=           μA

*4.用      表测出电阻两端的电压,用      表测出通过电阻的电流,根据欧姆定律就可以计算出电阻R,这种测电阻的方法叫        法。此实验的原理是          。[1.5]

**5.装有两节新干电池的手电筒,它的电压是    V。若灯泡的电阻为10Ω,当它正常发光时,通过灯丝的电流约是      。[1.0]

**6.有一导体两端的电压为12V时,通过它的电流为0.2A,它的电阻是      ;当它两端的电压为6V时,它的电阻是      ;当它两端的电压为0V时,它的电阻是      ,通过导体的电流是      。[1.5]

**7.我们利用下列器材研究电流跟电压、电阻之间的关系。按电路图(图15-2)用笔线连接电路(图15-3)。[3.5]

在研究电流跟电压的关系时,应保持      不变,移动变阻器的滑片,改变电阻R两端的      ,测出相应的         。在研究电流跟电阻的关系时,应保持

      不变,改变        ,测出相应的       

**8.下面的表格是“研究电流跟电压、电阻关系”的实验数据记录:[2.5]

电阻R(Ω)

5

10

20

电流I(A)

0.4

0.2

0.1

 表1电阻R=15Ω                       表2  电压U=2V

电压U(V)

1.5

3

4.5

电流I(A)

0.1

0.2

0.3

分析表1数据,可得出结论                                      

分析表2数据,可得出结论                                      

**9.某导体两端的电压为0.5V时,通过导体的电流是0.1A,那么当电压为1.5V时,通过导体的电流是     A。[1.0]

**10.在研究电流与电阻的关系时,若导体的电阻为20Ω时,电流为0.2A,那么,导体的电阻为       Ω时,通过导体的电流为0.4A。[1.0]

**11.将30Ω的电阻接在一电源的两端,通过电阻的电流是0.3A,若把30Ω的电阻拿走,将10Ω与60Ω的电阻分别接在这个电源的两端,那么通过两电阻的电流分别是(   )。[1.5

 A.0.9A,0.15A      B.0.15A,0.9A       C.0.1A,0.6A       D.0.6A,0.1A

**12.在研究“电流跟电压、电阻的关系”的实验中,

如图15-4所示,我们先使电阻箱R的电阻取某一值,多次改变滑动变阻器的阻值,记录每一次的       和相应的电流值,得到当电阻不变时,电流跟     成正比的关系;然后多次改变电阻箱R的电阻,调节变阻器的滑片,使每次     保持不变,记录每次电阻箱R的阻值和相应的     值,得到电流跟      成反比的关系。[3.5]

**13.导体的电阻为15Ω,当其两端电压为6V时,通过它的电流是0.4A,若将它两端的电压增加到12V时,通过它的电流为    ,此时该导体的电阻为     。[1.5]

**14.如图15-5所示的电路,是表示滑动变阻器连入电路的四种接法。当滑片向左滑动的过程中,(1)电流表示数变大的是     电路图;(2)电流表的示数变小的是       电路图;(3)电流表的示数不变的是     电路图;(4)不正确的连法是    电路图。[2.5]

**15.判断题:[2.5]

①(  )灯泡发光时通过的电量越多,则电流越大

②(  )电阻是导体对电流的阻碍作用,所以当导体中没有电流时,导体中就没有电阻了 

③(  )欧姆就是电阻

④(  )某段导体中的电压越大,则对电流的阻碍作用就越大

⑤(  )导体长度越长,横截面积越大,则它对电流阻碍作用就越大

⑥(  )将两个阻值不同的电阻串联后接在电阻中,则电阻大的通过的电流小

⑦(  )由U=IR可知,在并联电路中电阻较大的,它两端的电压也较大

知识的应用**16.下列说法中正确的是(   )。[0.5]

A.电流跟电压成正比                B.电流跟电阻成反比

C.在导体的电阻一定时,导体中的电流跟导体两端的电压成正比

D.在导体两端电压一定时,导体中的电流跟导体的电阻成正比

**17.由欧姆定律 推得,下列说法中正确的是(   )。[1.0]

A.导体的电阻与导体两端电压成正比B.导体的电阻与通过导体的电流成反比

C.导体的电阻是导体本身的属性,等于电压与电流的比值D.以上说法都不对

18.一个灯泡的灯丝的电阻是4Ω,当它两端的电压是2.8V时,求通过灯泡的电流是多少?

 

**19.通过一个电阻器的电流是0.4A,电阻器的电阻是90Ω,求它们两端的电压是多大?

**20.把一个电热器把它接在家庭电路上,通过它的电流是5A,该电热器的电阻是多少?

**21.如图15-6,开关合上前,滑动变阻器的滑片P应移至   端。当滑片从中点开始(此时灯泡正常发光)向右移动时,变阻器连入电路的阻值变      ,电路中的电流变     ,灯泡亮度变     。[2.5] 

**22.如图15-7电流表A1的示数为0.9A,电流表A2的示数为0.5A,则通过电阻R1的电流是      ,通过电阻R2的电流是     。[1.5]

**23.如图15-8所示的电路,S合上后,电压表V1的示数是6V,V2的示数是3.8V,那么电灯L1两端的电压是      ,灯L2两端的电压是      。[1.5]

**24.一盏白炽灯接在家用电路上,灯泡正常发光时的电阻是1210Ω,求此灯正常发光时的电流是多大?[1.5]

25.加在某导体两端的电压为3V时,测出通过导体的电流是150mA,则该导体的电阻多大?

**26.用电压表测出一段导体两端的电压是72V,用电流表测出通过这段导体的电流为0.4A,则这段导体的电阻是    Ω。[1.0]

**27.一个电阻为5Ω的导体,通过它的电流为0.8A,说明它两端的电压是   V。[1.0]

**28.一个导体当它两端加8V电压时,通过它的电流为0.2A,则它的电阻是    Ω;这段导体两端加6V电压时,它的电流为      A,电阻为      Ω;当它两端不加电压时,导体的电阻是      Ω,通过导体的电流是      A。[3.0]

**29.有甲、乙两个导体,当通过相同的电流时,甲两端的电压比乙两端的电压高,则两者的电阻相比(   )A.R>R     B.R=R     C.R<R     D.无法判定

**30.加在阻值12Ω的电阻两端的电压是6V,则在3分20秒内通过该电阻的电量是多少?

**31.某段电路两端的电压是220V,用电器的电阻是40Ω,能否用量程为0~3A的电流表测其电流?[1.5]

**32.加在阻值为30Ω的电阻两端的电压是6V,10min通过该电阻的电量是    C。[1.0]

**33.若导体两端加8V电压时,1min内通过导体横截面积的电量是18C,导体中的电流是      A,导体的电阻是      Ω;若导体两端不加电压时,导体的电阻为

    Ω,通过导体的电流是       A。[2.5]

**34.甲、乙两个导体的电阻之比是1∶2,将它们分别接到同一电源的两端,则通过它们的电流之比是        。[1.0]

35.在电阻是5Ω的导体中,1.5min通过该导体的电量是45C,那么导体两端的电压是    V。

**36.一个5Ω的电阻两端电压为U时,通过电阻的电流为3A,如果将这个电压加在10Ω的电阻两端,则电流是        A。[1.0]

**37.当导体两端电压为10V时,通过导体的电流为500mA,那么导体两端电压为2V时,导体的电阻是(   )。 A.0.004Ω       B.0.02Ω        C.4Ω        D.20Ω

**38.在下面的方框内画出伏安法测电阻的电路图,并根据电路图连接15-9电路。[3.5]

在连接电路图时开关应处于      状态,滑动变阻器的滑片应位于    (填A或B)端,这主要是为了避免电路中的      过大,而烧坏电路中的有关元件。

**39.在伏安法测电阻的实验中,利用R=U/I计算出各次的电阻值。但算出的结果往往是不同的,这属于实验中的        ,是不可避免的,采取多次测量取平均值的办法可以             。[1.5]

**40.将6V的电压加在用电器两端时,通过的电流是0.2A,该用电器的电阻是

      Ω;将3V的电压加在同一用电器两端时,通过电路的电流是      A,用电器的电阻是    Ω;如果用电器两端的电压为零,该电阻的阻值是     Ω。[2.0]

**41.如图15-10所示的电路,电源电压为6V,电灯L1上的电压为1.5V,则电压表的示数(   )A.1.5V     B.4.5V   C.6V       D.7.5V

***42.有甲、乙、丙三根用同种材料制成的导线,已知甲和乙粗细相同,但甲比乙长;乙和丙的长度相同,但乙比丙细。则三根导线中电阻最大的是(   )。

[A.甲      B.乙      C.丙      D.无法判断

***43.质量相同的铜丝和铝丝,它们的横截面积相等,铜丝和铝丝的电阻相比较(   )。

 A.铜丝的电阻大        B.铝丝的电阻大

 C.电阻一样大          D.无法比较

***44.如图15-11是滑动变阻器的结构示意图,若滑片向

右移动时,电路中的电流变小,则应选用的接线柱是(   )。

 A.AC或AD             B.BC或BD

 C.AC或BD             D.AB或BD

***45.请按要求将图15-12所示的器材用色笔连好电路并画出电路图。要求:当滑片向右移动时,电灯变亮。

知识的拓展

***46.下列说法中正确的是(   )。[1.0]

 A.电流表和电压表都可以直接接到电源的两极上

 B.电流表可以直接接到电源的两极上,而电压表不行

 C.电压表可以直接接到电源的两极上,而电流表不行

 D.电流表和电压表都不能直接接到电源的两极上

***47.如图15-13闭合开关S,电压表测的电压是(   )。[1.0]

A.R1两端的电压   B.R2两端的电压    C.R1和R2两端的电压   D.电源两端的电压

***48.一段导体两端的电压是2V时,导体中的电流是0.2A,如果电压增大到9V时,导体中的电流变为多大。[1.5]

***49.一只电阻器两端的电压从3V增加到3.8V时,通过该电阻器的电流增加了0.2A,则该电阻是多少?[1.5]

***50.在图15-14所示的电路中,当开关S闭合后,

电压表V1和V2示数相同,发生的故障是(   )。[1.5]

     A.灯L1的灯丝断了      B.灯L2的灯丝断了

     C.开关S处断路        D.L1两接线柱短路

***51.当导体两端的电压是8V时,通过导体的电流是0.4A,如果使导体两端的电压再增加6V时,该导体中的电流是(   )A.0.4A      B.0.5A         C.0.7A        D.0.93A

***52.如图15-15所示,是滑动变阻器接入电路的4种情况,当变阻器的滑片向右移动时,使电路中电流增大的是(   )。

***53.设计电路。要求:L1和L2串联,电流表测L1的电流,电压表测L2两端的电压,滑动变阻器控制电路中的电流不超过0.5A。画出电路图,并用铅笔线代替导线将图15-16中的元件连接起来。[3.5]

 

***54.加在导体两端的电压为3V,通过它的电流为200mA,如果将两端电压再增加6V时,应选什么量程的电流表测其电流?[1.5]

55.如图15-17所示的电路,灯L的电阻为10Ω,电源电压为6V,如果电压表被短路,那么(   )A.电流表被烧坏   B.电压表被烧坏  C.灯L被烧坏   D.不发生任何事故

***56.某同学做伏安法测电阻的实验时,无论怎样移动变阻器的滑片,发现电压表的示数均为零,而电流表的指针指在满量程之外,这时(   )。[1.5]

  A.一定是电压表已损坏,应立即断开关

  B.一定是电流表与电源两极直接相连,应立即断开开关

  C.可能是电压表发生了故障,而电流表既未接错也未损坏

  D.可能是电流表与电压表接成了串联电路

***57.如图15-18所示的电路中,电源电压不变,当开关闭合,滑动变阻器的滑片向左移动时(   )A.电流表示数减小,电压表示数不变 B.电流表示数增大,电压表示数增大

C.电流表示数减小,电压表示数减小D.电流表示数增大,电压表示数减小

串联、并联电路的特点

基础知识与基本技能

*1.串联电路的总电阻等于                               ,写成数学表达式是           ;串联电路中的电流               ,写成数学表达式是          ;串联电路的总电压等于                           ,写成数学表达式是          

*2.几个导体串联起来总电阻比其中任何一个导体的电阻都    ,因为导体的串联相当于增加了导体的        。[1.0]

**3.阻值为10Ω的电阻R1与阻值为25Ω的电阻R2串联后的总电阻是      。若通过R1的电流为0.2A,则通过电阻R2的电流是      ,R2两端的电压是     。[1.5]

**4.R1与R2串联后的总电阻为350Ω,已知电阻R1=170Ω,则电阻R2=      Ω。

**5.电阻R1、R2串联在电路中,已知R1∶R2=3∶2,则通过的电流之比I1∶I2=      ,电阻两端的电压之比U1∶U2=         。[2.5]

**6.R1=5Ω,R2=10Ω,串联后接到6V的电源上,则R1两端的电U1       ,R2两端的电压U2        ,U1∶U2=       。[2.5]

**7.电阻R1=30Ω,与电阻R2串联后总电阻为90Ω,则电阻R2      Ω。将这两个电阻并联,其并联的电阻为       Ω。[1.5]

8.粗细相同的两根铝导线,长度关系是L1>L2,串联接入电路后,其电流和两端电压的关系是(  )A.I1>I2,U1<U2   B.I1<I2,U1>U2   C.I1=I2,U1>U2  D.I1=I2,U1<U2

**9.串联电路随着用电器的个数增加,其总电阻(   )。[1.0]

A.变大      B.变小      C.不变       D.无法判断

**10.已知:R1=4Ω,它与一只电阻R2并联后的总电阻是2.4Ω,求:R2的阻值。[1.5]

**11.如图15-19,R1=6Ω,U2=3V,总电压为7V,求:R2=?

**12.如图15-20,R1=2Ω,R2=3Ω,电压表的示数为1V。求:R2两端的电压和电源电压。[1.5]

知识的应用

**13.在家庭电路中,同时工作的用电器越多,干路中的电流(   )。[0.5]

 A.越大          B.越小        C.不变         D.无法判断

**14.将电阻R1、R2并联在电路中,已知R1=4R2,则在通过R1、R2的电流之比为(   )[1.5]

 A.1:4        B.4:1      C.2:1       D.1:16

**15.将20只电阻都是9Ω的小灯泡串联后接在36V的电源上,通过其中一个小灯泡的电流为       mA。[1.0]

**16.如图15-21所示的电路,电压U为24V,电流表的示数为1.2A,电压表的示数为6V,则电阻R1阻值为    Ω。[1.0]

**17.电阻R1和R2串联后的总电阻是1.5kΩ,接入电路后,R1两端的电压为6V,R2两端的电压为3V,则R1的阻值是

     Ω。[1.5]

**18.如图15-22所示,已知R1=6Ω,U∶U2=4∶1,则R2的阻值是    Ω,U1∶U2=       。[2.0]

**19.把6个完全相同的小灯泡串联起来,接在24V的电路上,每个小灯泡两端的电压是      V。若每个小灯泡的电阻都是16Ω,电路中的电流是     A。[2.5]

**20.如图15-23所示的电路中,并联电路的电压U =      ;干路中的电流I =    ;总电阻的倒数1/R =         。[1.5]

**21.并联电路的总电阻比其中任何一个电阻都要      ,因为导体并联相当于                            。[1.5]

**22.两个相同的电阻并联后的总电阻为4Ω,那么将它们串联后的总电阻是   Ω。[1.0]

**23.将6只30Ω的电阻并联起来,其电阻为       Ω,15Ω的电阻与30Ω的电阻并联,总电阻是       Ω。[1.5]

**24.将两个灯泡L1与L2并联,用电流表测出通过L1和干路中的电流分别为0.5A和0.7A,则通过L2的电流为      mA。[1.5]

25.将一阻值为10Ω的均匀的电阻丝对折后,当成一根使用,则对折后的电阻为     Ω。

***26.如图15-24所示的电路,R1的阻值为10Ω,电流表的示数为0.4A,电压表的示数为3.2V。求:R1两端的电压,R2的阻值及电源电压。[2.5]

***27.如图15-25:U1=6V,U=10V,通过R1的电流是0.4A,求:R1、R2的阻值。[2.5]

***28.判断题:[2.5]

(1)(   )导体的电阻决定于导体的长度、横截面积和材料,而与两端的电压和通过的电流无关

(2)(   )欧姆定律公式中的I、U、R是同一电路上的电流、电压和电阻

(3)(   )串联电路中的任一用电器被烧断时,其它用电器仍然正常工作

(4)(   )串联电路上,其中一个电阻增大时,总电阻也增大

(5)(   )金属中能够自由移动的是自由电子,所以电流和方向就是自由电子移动的方向

 ***29.两盏电灯L1、L2串联在家庭电路中,如果它们的电阻分别是440Ω和110Ω,求电路中的电流和电灯L1、L2两端的电压各多大?[2.5]

***30.R1与R2串联后,连到10V的电源上,R1=30Ω,测得R1两端的电压为6V,求:电路中的电流和R2的阻值。[2.5]

***31.R1、R2串联后接到18V的电源上,测得通过R1的电流为0.2A,R2的电阻是40Ω。求:R1的阻值和R2两端的电压。[2.5]

***32.R1=60Ω,R2=70Ω,它们串联后接到某电源上,测得5秒钟通过R1的电量是6C,则电源电压和R2两端的电压各多大?[2.5]

***33.如图15-26所示的电路,电源电压为20V,R1=25Ω,电流表的示数为0.25A,求R2的阻值和电压表的示数。[2.5]

***34.n个阻值分别为R1、R2……Rn电阻串联在电压为U的电路中,U1∶U2=      ;U1∶U=    ;Un∶U=    。由此可见串联电路中的总电压的分配与各部分电阻成       。[2.5]

***35.粗细相同的两根镍铬合金线A和B,A的长度大于B的长度,将它们串联后接入电路,则通过它们的电流和两端电压的关系是(   )。[1.5]

A.IA>IB, UA=UB    B. IA<IB, U1=U2    C.IA=IB, UA<UB     D. IA=IB, UA>UB

***36.有三个电阻,阻值分别是3Ω、6Ω、9Ω,串联后接到6V的电源上,则三个电阻两端的电压分别是(   )。

A.2V、4V、6V      B.1V、2V、3V     C.3V、2V、1V     D.6V、4V、2V

***37.有一电铃正常工作的电压是12V,要将此电铃接到电压是20V的电源上,应如何办? 

***38.一把电铬铁,正常工作的电阻是72Ω,通过的电流是0.1A,问必须给它串联一个多大的电阻才能把接到220V的电源上?[2.5]

***39.一个用电器正常工作的电压为6V,阻值为15Ω,将它与一只12Ω的电阻串联后接到电压是多大的电源上,此用电器才能正常工作?[2.5]

***40.两个电阻R1、R2,它们的阻值分别是10Ω、20Ω,将它们串联后接在电压为6V的电源上,通电5min,则通过R1、R2的电量分别是(   )。[1.5]

A.1C,2C      B.180C,90C  C.40C,20C     D.60C,60C   

***41.将电阻R1、R2串联在电路中,已知:R1=3R2,总电压为4V,则R1两端的电压为(   )。

A.4V        B.3V        C.2V          D.1V

***42.两根长度相同,粗细不同的锰铜丝,把它们串联在电路中,则(   )。[1.5]

A.粗的电流大,且电压也大     B.细的电流大,且电压也大

C.粗的、细的电流一样大,但细的电压大D.粗的、细的电流一样大,但粗的电压大

***43.一段导体的电阻增加3Ω后,接在原电源上,发现通过该导体的电流是原来的4/5,则该导体原来的阻值是多少?[2.5]

***44.如图15-27所示的电路,R1=20Ω,变阻器R2的阻值范围为0~40Ω,当变阻器滑片P移至变阻器的中点时,电流表的示数为0.5A,那么当变阻器滑片P移至阻值最大位置时,电流表的示数多大?[3.5]

***45.如图15-28所示,小灯泡正常发光时灯丝的电阻是7.5Ω,电压是1.5V。如果电源电压为4V,要使小灯泡正常发光,应串联一个变阻器分去电压    V,并控制电路中的电流为     A,调节滑动变阻器的阻值为     Ω。[2.5]

***46.如图15-29所示,电流表的示数是0.3A,灯泡L的电阻为3Ω,整个电路的电阻为30Ω,那么,灯泡两端的电压为     V,电压表的示数是  V。

***47.如图15-30所示的电路中,当变阻器的滑片在向右移动过程中,变阻器连接入电路的阻值将       ,电路中的电流将       ,电阻R1两端的电压将      。(填“变大”、“变小”或“不变”)[2.5]

***48.如图15-31所示当滑动变阻器的滑片自左向右移动的过程中,电路的总电阻、电流表示数和电压表示数的变化情况分别是(   )。[1.5]

 A.变小、变大、不变       B.不变、变大、变小

 C.变大、变小、变小       D.变大、变大、变大

***49.如图15-32,R1=10Ω,R2是阻值为0~40Ω的变阻器,电源电压为10V。当P在B端时,电压表的示数多大?当P在AB中点时,电流表、电压表的示数各多大?[2.5]

***50.R1=5Ω,R2=7Ω,将R1、R2串联在某电路上,通过两电阻的电流之比I1∶I2=       ,两电阻两端的电压之比U1∶U2=       。[2.0]

***51.下列各图15-33中,滑动变阻器滑片P移动时,电压表、电流表的示数各怎样变化:

若滑片P向右移动:         若滑片P向左移动:       若滑片P向右移动:

电流表示数      ;        电流表示数      ;       电流表示数      

电压表示数      ;        电压表示数      ;       电压表示数      

***52.如图15-34所示的电路,移动滑片P,使电压表的示数由U1变化到U2,U1∶U2=5∶2,则滑动变阻器滑片移动前后,通过电阻R的电流之比为(   )。[2.5]

A.5∶2    B.2∶5   C.1∶1     D.无法判断

***53.将电阻R1和R2组成串联电阻,R1∶R2=3∶1,如果电路两端的总电压是12V,那么R1两端的电压是(   )。[2.0]

 A.4V       B.3V        C.8V       D.9V

***54.如图15-35所示的电路,电源电压为12V不变,R1=8Ω,R2是最大阻值为60Ω的变阻器。求电压表和电流表的变化范围。[2.5]

***55.如图15-36所示的电路,电源电压为12V且保持不变。R1=10Ω,R2是0~50Ω的变阻器。求当变阻器滑片移动时,电流表、电压表的示数变化范围。[2.5]

***56.某用电器R1上标有“10Ω  3A”,另一用电器R2上标有“50Ω  1.5A”,串联后接到电源上,为了使用电器正常工作,电源电压应不超过何值?[2.5]

***57.如图15-37所示的电路,灯L1、L2      联的,当开关S闭合后,电流表A1的示数为0.2A,A2的示数为A1示数的3倍,则A3的示数为      A。

***58.1Ω和10Ω的电阻并联后的总电阻是R1,1Ω、10Ω和100Ω的三电阻并联后的总电阻是R2,则R1、R2的大小关系是(   )。      

A.R1<R2      B.R1>R2       C.R1=R2        D.无法判断

***59.学校照明电路的总电阻(   )。[1.5]

A.只开一盏灯时总电阻最小          B.不开灯时总电阻最小

C.所有灯都开着时总电阻最小        D.所有灯都开着时总电阻最大

60.如图15-38所示的电路,当滑动变阻器的滑片向右移动时,电流表、电压表的示数变化情况分别是(   )A.变大,变大  B.变小,变小    C.变小,不变     D.变大,不变

***61.下面四对并联的电阻,总电阻最小的是(   )。[1.5]

A.两个4Ω的            B.一个4Ω,一个6Ω

C.一个1Ω,一个8Ω     D.一个2Ω,一个7Ω

***62.有一根粗细均匀的锰铜线,阻值为R,将其对折后的电阻是原电阻的(   )。[1.5]

     A.1/2倍        B.1/4倍          C.1/8倍          D.2倍

***63.两个电阻并联后的接入电路,总电阻为R,若将其中任一电阻的阻值减小,则总电阻将     R;若将其中任一个电阻的阻值增大,则总电阻将     R。(填“>,<或=”[1.5]

***64.两个同样的电阻串联后的总电阻是36Ω,若将它们并联后,总电阻是      Ω。

***65.导体串联后相当于增加了导体的       ,因此导体串联后总电阻       ;导体并联后相当于增加导体的           ,导体并联后总电阻      。[1.5]

***66.一根粗细均匀的电阻线,阻值为R,将其用拉丝机均匀拉长为原来的2倍,再将其对折,则它的电阻值     R。(填“>”,“<”或“=” [1.5]

***67.现有20Ω的电阻若干,实验时需要用5Ω的电阻一只,应用     只20Ω的电阻     联;若需要80Ω的电阻一只,应用    只20Ω的电阻    联。[1.5]

***68.现有阻值分别是2Ω,5Ω,8Ω和20Ω的电阻各一个,要获得4Ω的电阻可以将           的电阻     联;如果要获得10Ω的电阻,则应将            的电阻     联。[2.5]

***69.如图15-39所示的电路中,电流表的读数:A1为0.12A,A2为0.08A,A3为0.1A,电压表的示数为2.8V。由此可知干路中的电流是      A;灯L1两端的电压为     V,灯L2两端的电压为      V。[2.5]

70.电阻R1=1Ω,R2=24Ω,把它们并联后的总电阻(  )。A.一定大于24Ω,  B.大于1Ω,小于24Ω

C.一定小于1Ω       D.可能等于1Ω

***71.并联电路,随着并联支路数目增加,其总电阻将(   )。[1.0]

A.变大          B.变小           C.不变          D.无法判断

***72.串联后的总电阻为10Ω的两个电阻,并联后可能的最大总电阻是(   )。[2.5]

 A.2.4Ω          B.2.5Ω         C.5Ω            D.1.25Ω

***73.n个阻值相同的电阻,串联的总电阻与并联后的总电阻之比(   )。[2.0]

A.n:1            B.n2:1          C.1:n             D.1:n2

***74.如图15-40所示的电路,滑动变阻器的滑片P向右移动时,各电表示数变化情况是(   )。[2.0]

 A.V1增大,V2减小,A减小 

 B.V1增大,V2减小,A增大

 C.V1减小,V2增大,A增大

 D.V1减小,V2增大  A减小

***75.如图15-41所示,R1=R2=10Ω,则A、B间的总电阻是(   )。[1.0]

 A.5Ω     B.10Ω     C.20Ω    D.0Ω

***76.如图15-42,R1=5Ω,R2=20Ω,已知干路中的电流是0.5A,求电路两端的电压和通过的电阻的电流。[2.0]

***77.如图15-42,若电路两端的电压是9V,I=0.2A,I1=0.15A。求:R1、R2的阻值。[2.5]

***78.如图15-43,电源电压是18V,R1=60Ω,R2=10Ω,I1=0.2A。求:I2=?,I=?[2.5]

***79.一段电阻两端的电压是4V时,通过它的电流是0.2A,如果在它两端再并联上阻值为R的电阻时,干路中的电流增加了0.4A,那么电路的总电阻R和R的阻值各是多大?[2.5]

***80.如图15-44:R1=10Ω,R2=20Ω,S断开时,电流表的示数为0.6A.求S闭合时电流表的示数。[2.5]

  

***81.如图15-45所示的电路,灯L的电阻RL=40Ω,R是标有“20Ω 1.5A”字样的变阻器,电源是由两节干电池串联而成的电池组。试求电流表和电压表的变化范围。[2.5]

***82.把R1与R2并联后接在电源上,当R1减小时,其总电阻(   )。[1.0]

A.一定减小     B.一定增大       C.可能会增大     D.可能会减小

***83.把两根长度相同粗细不同的镍铬合金线连接在电路中,若通过它们的电流相等,则它们的连接方式是(   )。[1.0]A.一定是串联        B.一定是并联

 C.可能是串联,也可能是并联        D.无法判断

***84.如图15-46所示的电路,R1=2R2,电流表在A、B两处测得的电流分别为IA和IB,则(   )。[2.5]

 A.IA=IB   B.IA=IB   C.IA=IB   D.IA=IB

***85.将电阻R1、R2并联后接到某电源上,干路中的电流为I,则(   )。[2.5]

 A.R1中的电流为  B.电源电压为()I

 C.R2上的电压为IR2       D.R1、R2上的电压之比为R2:R1

***86.如图15-47所示的电路,电流表A1与电流表A2的读数之比是5:2,则两个电阻R1与R2之比是(   ) A.2:5     B.5:2      C.3:2      D.2:3

***87.如图15-48所示的电路,当开关S断开时,电流表的示数是1A,开关闭合时,电流表的示数将(   )。A.不变     B.增加到2A    C.减少到1/2A   D.增加到4A

***88.如图15-49,电源电压4V,R1=R2=4Ω,R3=2Ω。电流表A1、A2、A3的示数分别是多少?[3.5]

***89.如图15-50所示的电路,R1=2Ω,R2=6Ω,开关闭合后,电流表的示数为4.8A,求:[3.5]

(1)电路的总电阻;

(2)电阻R1、R2两端的电压之比;

(3)通过R1、R2的电流之比。

知识的拓展

****90.如图15-51,当S闭合时,电流表的示数1.5A,电压表的示数为9V。(1)求电源电压和R1的阻值;(2)当S断开时,电压表的示数为6V,电流表的示数为1A,R2的阻值是多大?[3.5]

****91.如图15-52所示的电路,电源电压12V且保持不变。R1=8Ω,R2为0~12Ω的滑动变阻器。开关S合上后,变阻器滑片P从A端移动到B端时,求电流表、电压表的变化范围。

[3.5]

****92.如图15-53所示的电路,R1=9Ω,R2=6Ω,R3=4Ω。开关S1、S2均断开时,电压表的示数为5.4V。求:(1)开关S1、S2均闭合时,电流表、电压表的示数。(2)仅合上开关S2时,电压表、电压表的示数。[3.5]

****93.如图15-54所示的电路,灯L2的阻值R2=20Ω,当S1断开,S2合上时,电流表、电压表的示数分别为0.3A和3V。求:(1)电源电压;(2)S1、S2均合上时,电流表、电压表的示数。[3.5]

****94.如图15-55所示,R1=15Ω,R2=10Ω,当S1合上、S2断开时,电流表的示数为0.4A;当S1、S2均合上时,电流表的示数为0.6A。求:(1)R3的阻值;(2)S1、S2均断开时,电流表的示数。[3.5]

****95.如图15-56所示的电路,电源电压保持6V不变。灯L1的电阻为15Ω,当开关S1、S2闭合时,电流表的示数为1A,求灯L2的电阻。(2)当开关S1、S2都断开时,电流表的示数为0.3A,求L3的电阻。[3.5]

****96.如图15-57所示的电路,电源电压为12V且保持不变。R1=6Ω,R3=4Ω,当S1、S2均断开时,电流表的示数为1.2A。求:(1)R2的阻值;(2)当S1、S2均合上时,电流表和电压表的示数;(3)仅合上S1时,电流表、电压表的示数。[3.5]

****97.如图15-58所示电路中,RL=6Ω,电流表的量程为0~0.6A,电压表的量程为0~3V,电源电压为8V。为了使两表都能安全使用,对变阻器连入电路的阻值有何要求?[3.5]

****98.如图15-59所示,R1为0~200Ω的变阻器,R2=50Ω,电源电压为20V,电流表的量程A1是0~0.6A,电流表A2的量程是0~3A。合上S,当滑动变阻器的滑片位于R1的中点时,1min通过R1的电量是多少?为了使两表都不损坏,R1连入电路的电阻只能在什么范围内变化?[4.5]

****99.实验:给你一个电池组,一只电压表,一只已知阻值的定值电阻R,一只开关和几根导线,请你用来测一个未知阻值的电阻RX。要求:(1)画出电路图;(2)简述实验原理和步骤;(3)写出计算RX的公式。[4.5]

 

****100.如图15-60所示的方框称为黑箱(看不见内部情况的意思),它外面有四个接线柱,并知道内部有三只阻值相同的电阻,但不知道接法。经从外部对四接线柱进行测定,得知RAD=RBC=R,RAB=RCD=2R。请在黑箱内画出电阻的连接方法。[3.5]

检 测 题

(每题10分,共100分;完成时间30分钟)

基础知识与基本技能*1.电压是使电路中形成      的原因。电阻是表示导体对电流的      作用的,其它条件一定时,电阻越大,电流越小。

*2.在用实验研究一段导体(电阻)中的电流与它两端电压的关系时,应当运用滑动变阻器进行调节,不断地改变        值,并记录对应的         值,然后对数据进行分析得出结论;在研究一段导体(电阻)中的电流与导体电阻的关系时,每次实验应换用不同阻值的导体,并运用滑动变阻器进行调节,使每一次导体两端的电压       ,并记录对应的        值,然后对数据进行分析,得出结论。综合以上两方面的实验结果可得到著名的欧姆定律,其内容是                                     

**3.一段导体两端的电压是6V时,通过导体的电流是200mA,则该导体的阻值为

      Ω;若使该导体两端电压变为3V,则该导体的电阻为        Ω。

**4.已知两个导体的电阻分别为R1=4Ω,R2=6Ω。若将它们串联接人电路,则总电阻为     Ω,它们各自两端的电压U1∶U2=      ;若将它们并联接人电路,则总电阻为      Ω,通过它们的电流之比I1∶I2=         

知识的应用

**5.电阻R1:R2=4:3,它们并联后接入电路中,通过它们的电流之比为        ,它们两端的电压之比为       

**6.在并联电路中,通过支路的电流跟该支路的电阻成      比,并联电路具有

         作用。

***7.n个等值电阻并联后,总电阻R等于某一电阻的      倍,总电流等于某一条支路电流的     倍。

***8.已知:R1<R2,将图15-1中的四种不同接法接到同一电源的两极间,电路中的电流最小的是(   )。

知识的拓展****9.给你一个电池组,一只电流表,一只已知阻值的定值电阻R,以及开关、导线。用这些器材测一个未知阻值的电阻Rx的阻值。要求:(1)画出电路图;(2)写出主要步骤和计算式。

****10.某同学用伏安法测一只小灯泡的电阻,请你回答该同学在实验中遇到的问题:

(1)灯泡的亮度在他看来是正常时,他停止了对滑动变阻器的调节,并细心地观察电流表,发现电流表的示数在缓慢地变小,你认为出现这种现象的原因是     

                                        

(2)后来他又调节滑动变阻器,一不留神灯泡熄灭了(灯丝烧断了)。这时他观察到两电表的示数情况将是(    )。

A.两电表示数都为零         B.电流表有示数,电压表示数为零

C.两电表的示数都不为零     D.电流表示数为零,电压表有示数且比原来大

初中物理电功、电功率阶梯训练

电  功

基础知识与基本技能*1.电流通过电动机做功的过程中,电能转化为     能;电流通过电灯时,灯丝炽热发光,电能转化为     能和      能。电流通过电炉时,电能主要转化为      能;电流通过电风扇时,电能主要转化为      能;给蓄电池充电时,电能主要转化为

       能。[1.5]

*2.在通电时间相同的情况下,电压越大,电流越大,电流做功越    ;如果电压和电流不变,通电时间越长,电流做功就越    。所以电流在某段电路上所做的功,等于这段电路上                     的乘积。写成公式是          。[1.5]

*3.一个小电动机在6V的电压下,电流在1min内做功180J,通过电动机的电流是      A。

*4.通过某用电器电流是0.4A,3min内用电器消耗的电能是4320J,则该用电器两端的电压是      V。[1.0]

*5.某用电器接在家庭电路上,通过用电器的电流是0.4A,消耗了44000J的电能,则该用电器使用的时间是       s。[1.0]

*6.测量电功应选用的仪表是(   )。[0.5]

  A.电流表      B.电压表       C.电能表       D.电压表和电流表

知识的应用**7.某段电路两端的电压是6V,通过它的电流是0.5A,则通电5min,电流做功

     J。[1.0]

**8.电能表计数器上前后两次读数     ,就是这段时间内用电器用电的度数。某同学家中的电能表九月底显示3362 3 ,十月底显示3428 5 ,那么这位同学家十月份共用电    度,相当于      J。[1.5]

**9.如果把标有“220V  100W”的电灯接入家庭电路,通电1小时,则电流做的功为      J,它的电阻为      Ω。[1.5]

**10.已知:电阻R>R,将它们串联在电路中,则    两端电压大,电流通过    做功多;若将它们并联在电路中,则通过    电流大,相同时间内电流通过    做功多。[1.5]

**11.下列计算功的公式中,哪一个不适用于计算电功?(    )。[0.5]

A.W=UQ       B.W=Pt        C.W=UIt      D.W=Fs

**12.电流在一段电路上做的功,决定于电路中的(    )。[0.5]

A.电流                 B.电流和这段两端电路的电压

 C.电路两端的电压和通过它的电量D.电流、这段电路两端的电压和电路中的电阻

**13.某用户的电能表在三月底抄表时的示数为0268 7 ,到四月底抄表的示数为0352 9 。则用户4月份用电为(   )。

A.352.9度    B.268.7J    C.84.2度       D.84.2J

**14.R1=6Ω,R2=12Ω,串联后接到12V的电源上。求(1)1min电流通过R1做的功。(2)3min通过R2的电量。[1.5]

**15.在电路中有一用电器,两端的电压是6V,通过的电流是200mA,5min内电流做的功是多少?[1.5]

**16.有一只灯泡接在220V的家庭电路中,正常使用10小时,消耗了1度电,这只灯泡工作时的电流多大?[1.5]

**17.如图16-2所示的电路,电源电压为12V,R1的阻值为40Ω,开关S闭合后,电流表的示数为0.8A,求:1min内R2消耗的电能。[1.5]

**18..有一用电器接在220V的电路中,工作了2小时,用了1.1度电,通过用电器的电流是多大?[1.5]

***19.电阻R1=100Ω,R2=300Ω,把它们并联在同一电路中,在通电时间相同的情况下,通过两电阻的电流之比是多少?两电阻消耗的电能之比是多少?[1.5]

知识的拓展***20.一只电能表上标有“220V  10A”和“3000R/kWh”的字样。若该电能表的转盘转过30圈,求这段时间内电路上消耗了几度电,电流做了多少功。[2.0]

****21.某航天器上装有光电池板,其面积S=8m2,正对太阳能产生U=120V的电压,为工作舱提供I=10A的电流。若太阳光照射处每1m2面积上每1s获得的太阳辐射能量是E=1×103J,试计算该光电池的光电能量转换效率η=?[3.5]

电功率

基础知识与基本技能*1.电功率是表示电流做功        的物理量。电流在                 叫做电功率。电功率的常用计算公式是          。[1.0]

*2.电功率的国际单位是        ,常用单位还有         。[0.5]

*3.做同样多的功,电功率大的用电器用的时间        ,而电功率小的用电器用的时间        ;在相同的时间里,电功率大的用电器做的功        ,而电功率小的用电器做的功          。[1.0]

**4.一只灯泡两端电压是220V,10min消耗的电能为2.4×104J,则灯泡的功率是

     W,通过灯泡的电流是        A,灯丝的电阻是        Ω。[1.5]

**5.某用电器的电阻是10Ω,接在220V的电源上,正常工作时的电流2A,则该用电器正常工作1min消耗了      J的电能,该用电器的电功率是     W。[1.5]

**6.5min内通过导体横截面的电量是180C,则导体中的电流是    A,若导体两端的电压是6V,则这段时间内电流所做的功    J,导体消耗的电功率是    W。[1.5]

**7.有一只标有“220V  1500W”字样的电炉接在220V的电路上,1h要消耗    度电,通过电炉的电流是      A,1s电流要做功      J。[1.5]

**8.5s有3C的电量通过用电器,电流做了18J的功,则通过该用电器的电流是

      A,用电器两端的电压是      V。[1.0]

**9.某用电器的功率是100W,它工作1h消耗的电能是      kWh。[1.0]

**10.某用电器工作40h,消耗电能1kWh,它的功率是      W。[1.0]

**11.把1210Ω的电阻丝接在家庭电路上,电阻丝消耗的功率是      W。[1.0]

**12.某用电器接在220V的电源上,电流是1.2A,若通电10min,电流做功     J,该用电器的功率为      W。[1.5]

知识的应用**13.用电器正常工作的电压叫          ,在此电压下工作的用电器的功率叫          。用电器只有在          下才能正常工作,实际电压偏低,用电器的实际功率      额定功率,用电器不能正常工作;实际电压偏高,会影响用电器的寿命,还可能      用电器。

**14.一只标有“220V  40W”的灯泡,它正常发光时,通过灯丝的电流为      A,灯丝的电阻为      Ω。[1.5]

**15.标有“220V  5A”的电流表,最多可接“220V  100W”的电灯    盏,如果这些灯每天工作5小时,30天用电      kWh。[1.5]

**16.小灯泡的额定电压是6V,额定电流是0.3A,将它接入电路中,测得灯泡两端的电压为3V,那么小灯泡正常发光时灯丝的电阻值是   Ω,它的额定功率是   W,此时的实际功率是     W。[2.0]

**17.“12V  6W”的灯泡接入6V的电路中,通过灯丝的电流是(   )。[1.0]

A.2A        B.0.5A       C.1A        D.0.25A

**18.以下说法中正确的是(   )。[0.5]

A.kWh是电功率的单位,kW是电功的单位    B.电能表是测量用电器电功率的仪表

C.功率大的用电器,消耗的一定多           D.灯的亮度决定于灯的实际功率

**19.以下各单位中不是电功率单位的是(   )A.kWh     B.J/s     C.W     D.V A

**20.关于电功率的说法正确的是(   )。[0.5]

A.电功率是表示电流做功多少的物理量   B.电功率表示电流做功的效率高低

C.电功率表示电流做功的快慢程度      D.电功率是表示电能转化为其它形式能的多少

**21.把10Ω和20Ω的两定值电阻串联起来,接在12V的电源上,它们消耗的功率之比是(   )。[1.5]A.1:2        B.1: 1         C.2: 1         D.1: 4

**22.电功率是反映(   )。A.电流做功大小的物理量   B.电流做功快慢的物理量

C.消耗电能大小物理量            D.能量转化效率的物理量

**23.白炽灯的亮度决定于它(   )。[0.5]A.额定功率的大小      B.实际功率的大小  

C.加在灯上的电压的大小          D.电灯自身电阻的大小

**24.某用电器电阻为4Ω,每秒钟有5C的电量通过该用电器,求用电器的功率。[1.5]

**25.标有“220V 100W”字样的灯泡,接在家庭电路上正常工作时,通过灯丝的电流是多少?灯丝的电阻是多少?该灯正常工作40h,耗电多少kWh?[1.5]

**26.标有“36V 40W”的灯泡,正常发光时通过它的电流多大?灯丝的电阻多大?若接到40V的电路上时,实际功率多大?[1.5]

**27.一只小灯泡的额定电压是4.5V,正常发光时的电阻为12.5Ω,这个小灯泡的额定功率多大?把它接在3.5V的电源上,它的实际功率是多大?[2.5]

**28.要使标有“9V  9W”字样的灯泡的实际功率为0.75W,它两端的实际电压应为多大?

**29.标有“220V  100W”字样的灯泡接在110V的电路上实际功率是多大?[2.5]

**30.标有“3V  3W”字样的灯泡,通过0.2A的电流时,电功率多大?[2.0]

**31.一定值电阻,当通过0.4A的电流时,实际功率为16.4W,当通过的电流为0.3A时,实际功率多大?[2.5]

知识的拓展32.现有“220V 40W”、“110V 40W”和“36V 40W”的三个电灯,分别在额定电压下工作,则(   )[1.0]A.“220V  40W”的电灯最亮      B.“110V  40W”的电灯最亮

C.“36V  40W”的电灯最亮        D.三盏电灯一样亮

***33.将“220V  60W”、“220V  40W”和“220V  100W”的三只灯泡并联起来接到220V的电路上,则它们的总功率是(   )。A.200W      B.100W        C.60W           D.40W

***34.下列四盏灯正常发光时,灯丝中电流最大的是(   )。[1.5]

 A.“220V 60W”    B.“110V 100W”    C.“36V 40W”   D.“24V  25W”

***35.家庭电路在用电高峰时,电源电压只有210V,那么标有“220V  100W”的灯泡的实际功率(   )。[1.0]A.等于100W    B.小于100W      C.大于100W    D.无法确定

***36.家庭电路中有甲、乙、丙三盏电灯,它们的额定功率分别是40W、60W、100W,它们均正常发光时最亮的是(   )。A.甲灯      B.乙灯      C.丙灯    D.三盏灯一样亮

***37.额定电压相同的两只灯泡,其额定功率之比为2∶3,则两灯的电阻之比为(   )。 A.2∶3          B.3∶2          C.4∶9        D.9∶4

***38.在“测定小灯泡额定功率”的实验中,某同学电路连接正确,闭合开关,灯泡发光,但无论怎样调节滑动变阻器,电压表的示数虽然有变化,但始终达不到灯泡的额定电压,其原因可能是下述的哪一种?(   )[1.5]A.变阻器的总电阻太大    B.电压表的量程太大

C.电源电压太低                D.电流表的量程太大

***39.在“测定小灯泡额定功率”的实验中,某同学电路连接正确。闭合开关,灯泡发光较暗,但无论怎样调节滑动变阻器,总不能改变灯泡的亮度,且电流表和电压表的示数也不发生变化。造成这一现象的原因可能是下述的哪一种?(   )。[1.5]

A.电源电压太低             B.变阻器的总电阻太大

C.变阻器接成了定值电阻     D.变阻器接入电路时,接的是上面两接线柱

***40.在如图16-3所示的电路中,电源电压为6V。当开关S闭合时,只有一个灯泡发光,且电压表的示数为6V,产生这一现象的原因可能是(   )。[1.5]

A.灯L1短路   B.灯L2短路  C.灯L1断路   D.灯L2断路

***41.如图16-4所示的电路,电源电压保持不变,当滑动变阻器的滑片向b端滑动时,则(   )。[1.5]

A.电压表的示数减小,电灯的功率变大

B.电压表的示数变大,电灯的功率变大

C.电压表的示数减小,电灯的功率变小

D.电压表的示数变大,电灯的功率变小

***42.电路两端的电压变为原来的2倍,电路的电阻变为原来的3/4,则电路消耗的功率为原来的(   )。[1.5]

A.4/3倍         B.3/4倍        C.3/16倍          D.16/3倍

***43.A灯标有“220V 100W”,B灯标有“220V 60W”,两灯正常工作时的电阻分别是RA与RB,则(   )。A.RA>R    B.RA=RB       C.RA<RB      D.无法确定RA、RB的大小

***44.在“测定小灯泡的电功率”的实验中,小灯泡在           的条件下才能正常发光;小灯泡过亮,是因为                            ;小灯泡过暗,是因为                                。[1.5]

***45.在“测定额定电压为2.5V的小灯泡的电功率”的实验中,至少要    节干电池。电压表应和    并联,最好选用     V的量程。闭合开关后,调节            ,使电压表的示数为    ;若此时电流表的示数为0.2A,则该灯泡的额定功率为    W。

***46.滑动变阻器在“测定小灯泡额定功率”实验中的作用是                    

                                      。[3.5]

***47.把R1=2Ω的电阻和R2=4Ω的电阻,串联后接在电源上,已知R1两端的电压是3V。求(1)电源电压;(2)R1、R2消耗的电功率各是多少?[2.5]

***48.如图16-5所示,R1=2Ω,R2=4Ω,若电流表的示数为3A,求:(1)电压表的示数;(2)R1、R2消耗的功率各多少?[2.5]

***49.如图16-6所示,灯泡的电阻RL=40Ω,R是标有“20Ω 5A”的变阻器,电源是由四节干电池串联而成的电池组。试求灯的功率变化范围。[2.5]

***50.电能表上标“220V  3A”的字样,此电能表最多可接“220V  100W”的电灯多少盏?这些电灯正常工作一个月(30天),平均每天用4小时,共耗电多少度?[2.5]

***51.标有“220V  75W”字样的电铬铁,正常工作时通过它的电流多大?它正常使用8小时消耗多少电能?1kWh的电能可供它正常工作多长时间?[2.5]

***52.一只11Ω的电阻,要使它的实际功率为44W,应将它接在电压为多少V的电源上?接通后1min通过该用电器的电量是多少?[2.5]

***53.教室里有6盏40W的日光灯,如果同学们平时注意节约用电,做到人走灯熄,平均每天少开灯半小时,那么,一个月(30天)可节约几度电?[2.5]

***54.一个标有“24V 40W”的灯泡接在36V的电源上,要使它正常发光,还应串联一个多大的电阻?此电阻消耗的功率多大?此电路工作5h消耗多少电能?[2.5]

***55.电阻R1与R2串联后接到电压为3V的电源上,已知:电阻R1=3Ω,且消耗的功率P1=0.12W。求(1)通过电阻R2的电流;(2)电阻R1两端的电压。[2.5]

***56.有一只小灯泡,它的额定电压是6V,当加在它两端的电压是4V时,通过灯泡的电流为0.2A,则灯泡的额定功率是多少?若所加电压为5V时,灯泡的实际功率是多少?[2.5]

***57.如图16-7电源电压为24V,灯L标有“12V  10W”。(1)要使灯正常发光,变阻器连入电路的电阻应为多大?(2)当变阻器连入电路的电阻是25.6Ω时,灯L消耗的功率是多少?[3.0]

****58.某同学在用电流表和电压表“测定小灯泡的功率”的实验中,当他合上开关、移动变阻器滑片的过程中发现:电灯变亮时,电压表的示数反而变小;灯泡变暗时,电压表的示数反而变大。经检查所有器材均完好。

(1)根据上述情况画出该同学实验时的电路图;

(2)若按该同学实验时所连接的电路进行实验,结果电流表和电压表如图16-8所示(已知电源电压为6V),则电流表的读数为    A,电压表的读数为   V,测得小灯泡的实际功率为     W。

焦耳定律

基础知识与基本技能

*1.大量实验证明,电流通过导体主生的热量跟          成正比,跟      成正比,跟通电的时间成   比。这个规律叫       定律,可用公式        表示。[1.5]

**2.某电热器在220V的电压下工作5min,放出11880J的热量,则通过它们的电流是      A。**3.有一个110Ω的电阻丝,通过它的电流是2A,要产生44000J的热量,所需的时间是       。[1.5]

**4.阻值为20Ω的电阻,两端加6V电压时,1min通过电阻丝的电量是       ,10min电阻丝上产生的热量是       。[1.5]

**5.下列公式中,哪一个是焦耳定律的数学表达式(   )。[0.5]

A.Q=I2Rt       B.Q=UIt       C.       D.以上都是

**6.已知电流I安通过电阻R欧,t秒内产生的热量是Q焦。如果电阻减半,电流变为原来的2倍,在相同的时间内产生的热量将是(   ) A.2Q      B.Q     C. Q/2        D.8Q

**7.一把标有“220V 40W”字样的电铬铁,正常工作时,1 min产生热量为(   )。[1.5]

A.40J        B.240J      C.2400J       D.24J

**8.两根电阻丝的阻值之比是2∶3,通过它的电流之比是3∶2,在相等的时间内,两个导体上产生热量之比是(   )。A.2∶3      B.3∶2       C.1∶1        D.9∶4

知识的应用

**9.电热器是利用电流的     效应制成的加热设备,它的主要部分是      ,它是用      大,     高的合金丝绕制成的。常见的电热器有           等。[1.5]

**10.某导体的电阻是2Ω,当通过的电流为2A时,1min产生的热量是      J。[1.0]

**11.两根电阻丝的阻值分别是20Ω和10Ω,如果把它们并联在电路上,通电后,在相同的时间内,两根电阻丝上产生的热量之比是      ;如果将它们串联后接入电路,通电后,两电阻上产生的热量之比是      。[1.5]

**12.一只电熨斗接在220V的电路上,每分钟能产生30000J的热量,则该电熨斗的功率是      W,它的工作电流是      A。(保留两位小数)[1.5]

13.导体两端电压是220V,5min通过导体电量是20C,则电流通过导体产生热量是       J。

***14.把两条电阻丝串联后接到电源上,发出热量较多的一定是(   )。[1.0]

A.电流较强的   B.电压较大的   C.电阻较小的     D.以上三个都对

***15.通过电热器的电流是0.2A,1min产生的热量是432J,则电热器两端的电压是(   )。

A.120V       B.60V        C.36V           D.10V

**16.一个电饭锅的电阻是55Ω,额定电压为220V,正常工作时每分钟产生多少热量?每小时消耗几度电?[1.5]

**17.两个电阻R1=12Ω,R2=24Ω,串联后接到电压为48V的电源上,求:(1)R1消耗的电功率是多少?(2)R1和R2每分钟产生的热量各多少?[2.0]

***18.标有“3V  1W”字样的灯泡,与18Ω的电阻R串联后接到6V的电源上,灯泡的实际功率多大?电阻R在5分钟内产生多少热量?[2.0]

***19.把“220V  900W”的电热水壶接在220V的电源上。求(1)通电10min,通过导体的电量是多大?(2)若电热水壶放出的热量全部被水吸收,将5kg、15℃的水加热到100℃需要多长时间?[2.5]

知识的拓展

***20.一个标有“6V  4W”字样的灯泡,将接在电压是9V的电源上,要想使它正常发光,还应串联一只阻值为   Ω的电阻,接好后该电阻消耗的功率是    W。[1.5]

***21.一只标有“220V  5A”字样的电能表,最多能安装“220V 60W”的电灯     盏。若这些电灯平均每天开2小时,一个月(30天)要消耗     度电。[1.5]

***22.两只阻值不同的电阻并联在同一电源的两极上,下列说法正确的是(   )。[1.0]

A.电阻较大的发热较多         B.电阻较小的发热较多

C.通电时间长的发热较多       D.通电时间相同,电阻较小的发热多

***23.一段导体中电流为2A时,产生的热量为Q。若通电时间不变,而通过导体的电流增加到4A时,电流通过导体产生的热量是(   )。[1.5]

A.Q/4         B.Q/2        C.2Q         D.4Q

24.如图16-9所示的电路,R=3Ω,L标有“6V  0.5A”字样,当小灯泡正常发光时,在相同的时间内电流流过灯泡L和电阻R做功之比(  )A.2∶1   B.1∶2    C.1∶4   D.4∶1

***25.某教室大楼内装有50W的日光灯60盏,大楼的电表月初和月末抄表的示数分别是9355 0 和9580 0 ,则这些日光灯平均每天开(以30天计算)(   )。A.2.5h    B.3h      C.4.5h     D.5h

***26.电炉丝热得发红,而跟电炉丝连接的铜导线却不怎么热。这是因为(   )。[

A.通过电炉丝的电流比通过铜导线的电流大

B.铜导线的电阻小,所以消耗的电能少。电炉丝的电阻大,消耗的电能多,所以热得发红

C.铜导线有绝缘层,所以不怎么热    D.铜导线比电炉丝传热快,所以不怎么热

***27.电炉丝坏了,去掉1/4后,仍接在原电源上,在相同的时间内产生的热量与原来产生的热量之比为(   )A.4∶3       B.3∶4          C.4∶1         D.1∶4

***28.白炽灯泡的灯丝常在开灯的瞬间烧断,其原因是在开灯的瞬间(   )。[1.0]

A.灯泡上的电压特别大,因而电流也很大    B.灯丝的电阻比较小,因而电流很大

C.灯丝的电阻特别大,产生的热量特别大    D.灯丝低温时比较脆

***29.两根电阻丝的电阻为R1的R2,且R1>R2,接在一电压不变的电源上,用来加热一壶水。欲使水的温度升高得快,应采取的办法是(   )。[1.5]

A.先把两根电阻丝串联后接到电源两端B.先把两根电阻丝并联后接到电源两端

C.单独使用电阻较小的电阻丝R2接在电源两端

D.单独使用电阻较大的电阻丝R1接在电源两端

***30.要使电热器在单位时间内供热减少一半,以下方法中正确的是(   )。[1.5]

A.电阻丝不变,把加在它两端的电压减少一半

B.电阻丝不变,把通过它的电流减少一半

C.保持电压不变,把电阻丝的电阻减小一半

D.把电热器的电阻和加它两端的电压均减小一半

***31.一根电热丝的电阻为48.4Ω,接在220V的电源上,1min放出多少热量?若改接在110V的电源上,放出相同的热量需要用多长时间?[2.5]

***32.电热水器中有两根电阻丝,其中一根通电时,热水器中的水经15min沸腾;另一根单独通电时,热水器中的水经30min沸腾。如果把两根电热丝分别串联和并联,问通电后各需要多少时间才能使热水器中的水沸腾?(设电热丝电阻不变)[3.5]

综合题

基础知识与基本技能

**1.1kWh的电能可以使(   )。[1.5]

A.“220V  40W”的电灯正常工作50hB.“220V  80W”的电灯正常工作20h

C.“220V  100W”的电灯正常工作10hD.“220V  100W”的电灯正常工作3h

**2.如图16-10所示的电路中,电源电压保持不变,当开关S闭合时,电流表、电压表的示数分别是(   )。[1.5]

A.变大,变大        B.变大,变小

C.变小,变大        D.变小,变小

**3.如图16-11所示的电路,R1=R2=R3=9Ω。若S1、S2均断开,则RAB     Ω;若S1、S2均合上,则RAB      Ω;若S1闭合,S2断开,则RAB      Ω。[2.5]

**4.在如图16-12所示的电路中,电源电压为12V不变,灯泡的电阻RL=100Ω,变阻器R的阻值范围是0~200Ω。当滑片P从左端滑动到右端的过程中,电流表示数变化范围是         ,电压表示数变化范围是           。[2.5]

**5.如图16-13所示的电路中,当闭合开关后,发现电流表的指针不动,电压表的读数正常,则可能是(   )。[1.5]A.电流表坏了,电流表无通路  B.电源的正负极接反了

C.电流表的量程选得不合适D.灯泡的灯丝断了,或连接电流表的两接线柱相碰了

**6.取一个300Ω的电阻丝做成一个圆,如图16-14所示,AB两点间的总电阻为48Ω,则AB两点把电阻丝分成两段的阻值分别为(   )[1.5]

A.240Ω,60Ω      B.160Ω,140Ω

C.100Ω,200Ω     D.50Ω,250Ω

**7.有三盏灯,L1标有“220V  25W”,L2标有“110V  40W”,L3标有“36V  60W”,三盏灯都正常发光时最亮的是(   )。[1.5]

A.L1       B.L2        C.L3       D.三盏灯同样亮

知识的应用**8.灯泡L1和L2分别标有“220V 25W”和“220V  15W”的字样,将两灯串联起来,接在家庭电路中,则两灯的电压之比是      ,电流之比是      ,实际消耗的功率之比是      ,较亮的灯是      。[1.5]

9.某电能表上标有“3000R/kWh”的字样,如果该表所测量的电路中,只接一个用电器式作,6min电能表的转盘转过30转,那么,该用电器消耗电能     J,用电器的功率是       W。

***10.如图16-15所示的电路,两只灯均标有“PZ220—40”,的字样,U=220V,当开关S断开时,两灯实际消耗的功率之和是     ,当开关S闭合时,灯L1的实际功率是      ,灯L2的额定功率是      。[1.5]

***11.电阻R1是电阻R2阻值的2倍。若将R1与R2串联后接在电压为U的电源上,在时间t内电流通过R1产生的热量为Q1;若R1与R2并联后接到同一电源上,在相同时间t内电流通过R1产生的热量为Q1’,则Q1: Q1’=       。[1.5]

***12.在如图16-16所示的电路里,R1=2Ω,R3=6Ω,电压表V1的示数为3V,电压表V2的示数为5V。那么,电阻R2=

    Ω,10s钟电阻R2产生的热量为     J。[2.5]

***13.阻值为R的电阻丝,接到电源上6min烧开一壶水,现在用两根同样的电热丝串联起来,接到同一电源上烧开同一壶水,需要的时间是(   )。

A.12min       B.4min       C.8min        D.6min 

***14.把标有“220V 60W”和“220V 40W”字样的两灯串联后接在220V的电源上,结果两盏灯都变暗了,这是因为(   )。[2.0]

A.每只灯泡的额定电压都变小了        B.每只灯泡的额定功率都变小了

C.每只灯泡的实际功率都小于它的额定功率  D.每只灯泡的实际功率都大于它的额定功率

15.将标有“36V  40W”的甲灯和标有“36V  20W”的乙灯串联后接到40V的电源上,则(   )。

A.两灯都不能正常发光,但甲灯比乙灯亮些  B.两灯都不能正常发光,但乙灯比甲灯亮些

C.两灯都能正常发光          D.无法确定

***16.两个电阻并联在电路中时,功率之比为P1:P2=9:25,若将它们改为串联接入电路,则它们的功率之比为(   )[2.0]A.9:25       B.25:9          C.3:5          D.5:3

***17.额定电压为为U、额定功率为40W的两盏电灯,串联后接在电压为U的电源上,则两灯的总功率是(   )。[2.0]A.10W         B.20W        C.40W         D.80W

***18.有两只分别标有“6V  2W”和“12V  8W”字样的小灯泡,如果将它们串联在电路中,恰好能使其中一盏灯正常发光,则加在串联电路两端的电压是(   )。[2.5]

A.6V          B.12V        C.18V         D.24V

***19.甲灯标有“10V  5W”,乙灯标有“6V  1.8W”,将它们串联后接入电路中,两灯均能发光,比较它们实际功率(   )A.甲灯大些  B.乙灯大些  C.两灯一样大 D.无法确定

***20.额定电压相同的两只小灯泡L1、L2串联在电路中,发现L1比L2亮;若把它们并联在同一电源上,则(   )A.L1比L2亮    B.L1比L2暗    C.L1、L2一样亮   D.无法比较

***21.一个定值电阻,接在电路中每分钟产生的热量为Q,现在想让它每分钟产生的热量为3Q,下列措施正确的是(   )A.将电压变为原来的3倍     B.将电压变为原来的

C.将此电阻对折后接入原电路      D.将电流变成原来的3倍

***22.如图16-17所示,L1、L2分别标有“12V  8W”和“12V  4W”的字样,连在12V的电源上,下列说法中正确的是(   )。[2.0]

A.S1、S3闭合,S2断开时,灯L1比L2

B.仅闭合S1时,灯L1比灯L2

C.仅闭合S2时,灯L1比灯L2

D.S1、S2、S3均闭合时,灯L1亮,灯L2不亮

***23.一只小灯泡当它与4Ω的电阻串联后接入12V的电源时,可正常发光,这时灯泡的功率是8W。求:(1)小灯泡正常工作时的电阻;(2)小灯泡的额定电压;(3)4Ω的电阻在1min内产生热量。[3.5]

***24.标有“6V  3W”的灯泡L1和标有“9V  3W”的灯泡L2串联起来接到电源上,要使其中一只灯泡正常发光,求(1)电源电压;(2)发光较暗的灯泡的实际功率。[2.5]

***25.某电灯标有“3V  1W”字样,接在电压不变的电源上恰好正常发光。求:(1)此时通过灯丝的电流;灯丝的电阻;通电5min灯消耗的电能。(2)若使灯消耗的功率减为0.36W,需串联一个多大的电阻后接到原电源上才行。[3.5]

知识的拓展

****26.如图16-18所示的电路中,电源电压保持不变,灯L1标有“6V  3W”,灯L2标有“8V  8W”。当开关S闭合时,灯L1恰能正常发光。求:电压表V、电流表A1、A2此时的示数各应是多大?[3.5]

****27.如图16-19所示,R0=5Ω,当滑动变阻器R的滑片P由某一位置M移动到另一位置N时,电压表的示数由4V变为8V,若滑片P在M、N两点时电阻R0的两次功率之比为25∶1,求:(1)电源电压多大?(2)滑动变阻器的滑片P在上述两个位置时,变阻器连入电路的阻值各多大?[3.5]

****28.如图16-20所示的电路中,灯L标有“4V 1W”的字样,滑动变阻器的阻值范围是0~40Ω,电阻R=30Ω,电流表的量程为0~0.6A。(1)当开关S1、S2断开,变阻器连入电路的阻值为总阻值的1/5时,灯L正常发光,求:电源电压。(2)闭合开关S1、S2,在移动变阻器滑片P的过程中,求滑动变阻器上消耗的最小功率与最大功率是多大?[4.5]

****29.如图16-21所示的电路中,灯L标有“6V  3W”的字样。当开关闭合滑动变阻器的滑片在a端时,灯正常发光;当滑片滑到b点时,灯消耗的功率为额定功率的1/4,则滑动变阻器的最大阻值是多少?此时变阻器消耗多大的功率?[4.0]

****30.如图16-22所示的电路中,灯L的额定功率为2W,R2=10Ω,小灯泡的电阻RL<R2,电源电压9V且保持不变。(1)若S1、S2均断开时小灯泡能正常发光,则小灯泡电阻和额定电压是多大?(2)若S1、S2均合上时,电路的总功率为24.3W,则R3的阻值多大?[3.5]

****31.如图16-23所示的电路中,L是标有“3V  0.15W”的电灯,R=20Ω。(1)当开关S1断开,S2闭合时,L恰能正常发光,此时电流表、电压表的示数各多大?(2)当开关S1闭合,S2断开时,电阻R在1min内产生多少热量?(3)当S1、S2均断开时,电灯L的实际功率是多少?[4.5]

****32.在图16-24所示电路中,R1为定值电阻,R2为滑动变阻器,电源电压不变。当滑片户分别在a、b两端时,Rl的两次功率之比为9∶1,且滑片P在a端时电流表的示数为0.6A,滑片P在b端时电压表的示数为8V。求电源的电压、R1的阻值、变阻器的阻值变化范围。[4.5]

****33.在图16-25所示的电路中,Ll、L2分别标有“6V  3W”和“6V  6W”的字样,L3额定电压的字样看不清,而额定功率为4W可见。

(1)求L1、L2正常发光时的电阻R1、R2

(2)当开关S1断开、S2闭合时,恰有一只灯泡正常发光,此时,电流表和电压表的示数分别为多大?

(3)当开关S2断开、S1闭合时,若发光灯泡的实际功率为1W,则此时电流表的示数是多少? 灯L3的额定电压是多大? [5.0]

基础知识与基本技能*1.电流做功的实质是                               。电功的基本公式是            ,除此之外还有                                

*2.电功率是表示电流做功       物理量,它的国际单位是       ,常用单位还有             。电功率的基本公式是       ,除此之外还有              

**3.电热器是根据               制成的加热设备,它的发热体是用         大、

      高的材料制成的。焦耳定律指出:电流产生的热量跟                     

                            。它的公式是                   

**4.某用电器两端的电压是6V时,1min内消耗电能144J,则通过用电器的电量为     ,用电器的功率为        ,电阻值为        

知识的应用**5.下列说法中正确的是(   )。

A.kWh是电功率的单位,kW是电功的单位B.电能表是测量用电器功率的仪表

C.功率大的用电器,消耗的电能一定多D.功率为100W的用电器正常工作10h耗电1kWh

**6.一只标有“220V  25W”的灯泡,其中“220V”表示该灯的          ,“25W”表示该灯的          。1度电能供该灯正常工作    小时。

***7.一只电能表上标有“220V  10A”和“3000R/kWh” 的字样。它所在的电路上连入的用电器的总功率不得超过      W。若该电能表的转盘转过15圈经历的时间是3min,则该电路上正在工作的用电器的功率是        W。

知识的拓展***8.甲灯标有"220V  100W"的字样,乙灯标有"220V  15W"的字样,甲灯的电阻比乙灯的电阻      ;若将它们串联接人电路中,则    灯亮些。

***9.灯泡L1和L2分别标有“220V 40W”和“220V 60W”的字样,它们中    的电阻大些,若灯丝的长度相同,     灯丝粗些。若将两灯并联起来,接在某一电源上,则两灯的电压之比是     ,电流之比是      ,实际消耗的功率之比是      ,较亮的灯是       

****10.某同学测定额定电压为3.8V小灯泡的额定功率,他所连接的电路如图16-1甲所示。灯泡的电阻约为15Ω,请指出该电路中的错误及不当之处。

                                                                      

                                                       

当该同学正确连线后,闭合开关,调节滑动变阻器,使电压表的示数为3.8V时,电流表的示数如图16-1乙所示,则小灯泡的额定功率为     W。

违法和不良信息举报电话:027-86699610 举报邮箱:58377363@163.com

精英家教网