摘要:A.B是中学化学里常用的物质,其中B是单质,A是化合物;他们之间相互反应以及生成物之间的转化关系如下图所示: 已知E溶液跟石炭酸的稀溶液混合时,溶液呈紫色.请回答: (1)B和A的浓溶液反应的条件是 ,而常温下难反应的原因是 . (2)写出F和G相互转化的化学方程式: F → G ; G → F . (3)L转化成I的现象是 ;有关的化学方程式是 .
网址:http://m.1010jiajiao.com/timu3_id_355767[举报]
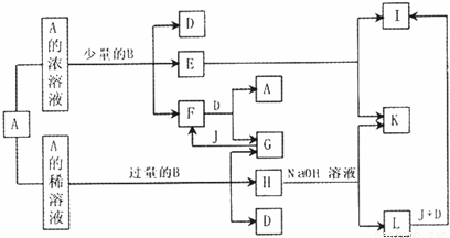
A、B是中学化学里常用的物质,其中B是单质,A是化合物,它们之间相互反应以及生成物之间的转化关系如下图所示:
![]()
已知E溶液跟KSCN的稀溶液混合时,溶液呈血红色。请完成下列各题:
(1)B和A的浓溶液反应的条件是_____________,而常温下难反应的原因是____________。
(2)写出F和G相互转化的化学方程式:F→G:________________;G→F:________________。
(3)L转化成I的现象是________________,有关的化学方程式是________________________。
查看习题详情和答案>>A、B是中学化学里常用的物质,其中B是单质,A是化合物;它们之间相互反应以及生成物之间的转化关系如下图所示.已知,I、L两种物质中除了含有不同价态的B元素外,还都含有另外两种相同的短周期元素.请回答:

(1)写出下列物质的化学式:A______、B______.
(2)B和A的浓溶液常温下能否发生反应______(选“能”或“不能”).
(3)L转化成I的现象是______;其化学方程式______.
查看习题详情和答案>>
(1)写出下列物质的化学式:A______、B______.
(2)B和A的浓溶液常温下能否发生反应______(选“能”或“不能”).
(3)L转化成I的现象是______;其化学方程式______.
A、B是中学化学里常用的物质,其中B是单质,A是化合物;它们之间相互反应以及生成物之间的转化关系如下图所示.已知,I、L两种物质中除了含有不同价态的B元素外,还都含有另外两种相同的短周期元素.请回答:
(1)写出下列物质的化学式:A 、B .
(2)B和A的浓溶液常温下能否发生反应 (选“能”或“不能”).
(3)L转化成I的现象是 ;其化学方程式 . 查看习题详情和答案>>
(1)写出下列物质的化学式:A 、B .
(2)B和A的浓溶液常温下能否发生反应 (选“能”或“不能”).
(3)L转化成I的现象是 ;其化学方程式 . 查看习题详情和答案>>
| |||||||||||||||
| |||||||||||||||