网址:http://m.1010jiajiao.com/timu3_id_342259[举报]
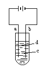
由于
极易被氧化,所以实验室很难用亚铁盐溶液与烧碱反应制得白色纯净
沉淀.应用如图所示实验可制得纯净
沉淀.两电极材料分别为石墨和铁.
(1)a电极材料为________,电极反应式为________
(2)电解液c可以是(填序号)________
[ ]
(3)液体d为苯,其作用是________
在加入苯之前对c应作的简单处理是________
(4)为了在较短时间内看到白色沉淀,可采取的措施可以是(填序号)________
[ ]
A.改用稀硫酸为电解液
B.适当增大电源电压
C.适当减小两电极间距离
D.适当降低电解液的温度
(5)若c为
溶液,当电解一段时间看到白色
沉淀后,再反接电源继续电解,除了在电极上看到气泡外,另一明显现象为________
![]()
(1)a电极材料为__________,其电极反应式为__________。
(2)电解液d可以是____________,则白色沉淀在电极上生成;也可以是____________,则白色沉淀在两极之间的溶液中生成。
A.纯水 B.NaCl溶液 C.NaOH溶液 D.CuCl2溶液
(3)液体c为苯,其作用是___________,在加入苯之前,对d溶液进行加热处理的目的是____________________________________________________________________。
(4)为了在短时间内看到白色沉淀,可以采取的措施是_______________________________。(以NaCl为电解液)
A.改用稀硫酸做电解液 B.适当增大电源电压
C.适当缩小两电极间距离 D.适当降低电解液温度
(5)若d改为Na2SO4溶液,当电解一段时间,看到白色沉淀后,再反接电源,继续电解,除了电极上看到气泡外,另一明显现象为___________。
查看习题详情和答案>>![]()
(1)a电极材料为 ,其电极反应式为 。
(2)电解液d可以是 ,则白色沉淀在电极上生成;也可以是 ,则白色沉淀在两极之间的溶液中生成。
A纯水 B.NaCl溶液 C.NaOH溶液 D.CuCl2溶液
(3)液体c为苯,其作用是 ,在加入苯之前,对d溶液进行加热处理的目的是 。
(4)为了在短时间内看到白色沉淀,可以采取的措施是 。
A.改用稀硫酸作电解液 B.适当增大电源电压
C.适当缩小两电极间距离 D.适当降低电解液温度
(5)若d改为Na2SO4溶液,当电解一段时间,看到白色沉淀后,再反接电源,继续电解,除了电极上看到气泡外,另一明显现象为 。
查看习题详情和答案>>![]()
图1-2-20
(1)a电极材料为__________,其电极反应式为_______________________________。
(2)电解液d可以是__________,则白色沉淀在电极上生成;也可以是__________,则白色沉淀在两极之间的溶液中生成。
A.纯水 B.NaCl溶液 C.NaOH溶液 D.CuCl2溶液
(3)液体c为苯,其作用是____________________,在加入苯之前,对d溶液进行加热处理的目的是__________。
(4)为了在短时间内看到白色沉淀,可以采取的措施是__________。
A.改用稀硫酸作电解液 B.适当增大电源电压
C.适当缩小两极间的距离 D.适当降低电解液温度
(5)若d改为Na2SO4溶液,当电解一段时间,看到白色沉淀后,再反接电源,继续电解,除了电极上看到气泡外,另一明显的现象为__________。
查看习题详情和答案>>由于Fe(OH)2极易被氧化,所以实验室难用亚铁盐
溶液与烧碱反应制得白色纯净的Fe(OH)2沉淀.若用如图所
示实验装置可制得纯净的Fe(OH)2沉淀.两极材料分别为石
墨和铁。![]()
(1)a电极材料为 ,其电极反应式为 。
(2)若电解液d是 (填字母编号,下同),则白色沉淀在电极上生成;若是 ,则白色沉淀在两极之间的溶液中生成。
| A.纯水 | B.NaCl溶液 | C.NaOH溶液 | D.CuCl2溶液 |
(4)若装置中生成的气体在标准状况下的体积为2.24L,则生成的沉淀质量为 g。 查看习题详情和答案>>