网址:http://m.1010jiajiao.com/timu3_id_1531266[举报]
在交通事故的分析中,刹车线的长度是很重要的依据,刹车线是汽车刹车后,停止转动的轮胎在地面上滑动时留下的痕迹。在某次交通事故中,汽车的刹车线长度是14.4m.已知汽车轮胎与地面间的动摩擦因数为0.5,取g=10 m/s2,则汽车开始刹车时的速度大小为
A.7 m/s B.12 m/s C. l4 m/s D.20 m/s
查看习题详情和答案>>
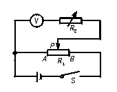
如图所示为半偏法测电压表内阻R2的电路图.
![]()
(1)闭合S前,变阻器滑片P应置于____,R2应调到____.
(2)试从下述器材中选出必要且适当的器材,用于测定一只伏特表(RV=5 kW ,Vm=10 V)的精确内阻值:
A.电阻箱:0~20 W ;
B.电阻箱:0~9999 W ;
C.电位器:0~20 kW ;
D.电阻器:0~750 W ;
E.变阻器:0~20 W ;
F.电源:E=6 V,IN=0.5 A;
G.电源:E=12 V;IN=1.0 A;
H.电源:E=36 V,IN=1.5 A;
Ⅰ.开关一只,导线若干.
①电源应选择____;
②R1应选择____;
③R2应选择____.
(3)测量值____RV的真实值(填“大于”“小于”或“等于”)
查看习题详情和答案>>![]()
(1)闭合S前,变阻器滑片P应置于____,R2应调到____.
(2)试从下述器材中选出必要且适当的器材,用于测定一只伏特表(RV=5 kW ,Vm=10 V)的精确内阻值:
A.电阻箱:0~20 W ;
B.电阻箱:0~9999 W ;
C.电位器:0~20 kW ;
D.电阻器:0~750 W ;
E.变阻器:0~20 W ;
F.电源:E=6 V,IN=0.5 A;
G.电源:E=12 V;IN=1.0 A;
H.电源:E=36 V,IN=1.5 A;
Ⅰ.开关一只,导线若干.
①电源应选择____;
②R1应选择____;
③R2应选择____.
(3)测量值____RV的真实值(填“大于”“小于”或“等于”)
查看习题详情和答案>>在交通事故的分析中,刹车线的长度是很重要的依据,刹车线是汽车刹车后,停止转动的轮胎在地面上滑动时留下的痕迹。在某次交通事故中,汽车的刹车线长度是14.4m.已知汽车轮胎与地面间的动摩擦因数为0.5,取g=10 m/s2,则汽车开始刹车时的速度大小为
A.7 m/s B.12 m/s C. l4 m/s D.20 m/s
查看习题详情和答案>>
A.小灯泡L(3V、1.8W);
B.滑动变阻器R1(0-10Ω,额定电流1.5A);
C.滑动变阻器R2(0-2000Ω,额定电流0.3A);
D.电压表V1(量程:0-3V,RV=5kΩ);
E.电压表V2(量程:0-15V,RV=10kΩ);
F.电流表A1(量程:0-0.6A,RA=0.5Ω);
G.电流表A2(量程:0-3A,RA=0.1Ω);
H.直流电源3V、电键各一个,导线若干;
实验中要求加在小灯泡两端的电压可连续地从零调到额定电压
(1)为了减少误差,实验中应选电流表
(2)实验电路图2为
(3)在实验中,小灯泡电阻的测量值比真实值