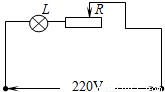
摘要:35.如图所示是小明同学安装的家用调光台灯电路图.灯泡上标有“PZ220-40 字样.滑动变阻器的最大阻值为1210.求: (1)该灯泡正常发光时的电流, (2)灯泡两端的最小电压, (3)台灯功率的调节范围.(不计温度对灯丝电阻的影响)
网址:http://m.1010jiajiao.com/timu3_id_1508447[举报]
(1)该灯泡正常发光时的电阻和电流
(2)灯泡两端的最小电压
(3)台灯功率的调节范围.(不计温度对灯丝电阻的影响) 查看习题详情和答案>>
如图所示是小明同学安装的家用调光台灯电路图,灯泡上标有“P2220-40”字样,滑动变阻器的最大阻值为1210Ω,
![]()
求:(1)该灯泡正常发光时的电阻和电流;
(2)该灯泡两端的最小电压;
(3)该灯泡功率的调节范围.(不计温度对灯丝电阻的影响)
查看习题详情和答案>>