摘要:如图20.灯L标有“6V.3W 字样.滑动变阻器的 最大阻值为8Ω.电源电压为8V且保持不变: (1)当滑动变阻器接入电路中的阻值为多大时. 灯恰好能正常发光?(2)若把滑动变阻 器阻值调至最大.灯的实际功率是多大? 2005学年度第二学期初三第一次联考
网址:http://m.1010jiajiao.com/timu3_id_1468573[举报]
(1)当开关S1闭合,S2、S3断开时,灯L正常发光,求电源电压;
(2)开关S1、S2、S3都闭合,且滑片P在b端时,电流表的示数为1.2A,求滑动变阻器R2的最大阻值.
| A、灯泡L的最小功率为0.75W | B、整个电路消耗的最大功率为4.8W | C、滑到变阻器连入电路中的最小阻值为4Ω | D、灯泡L正常发光1min消耗的电能为180J |
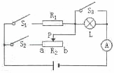
如图所示,灯L上标有“6V 3W”字样(不考虑温度对灯泡电阻的影响),电阻R1=20Ω.求:
(1)灯泡的电阻;
(2)当开关S1闭合,S2、S3都断开时,灯L正常发光,电源电压;
(3)开关S1、S2、S3都闭合,且滑片P在b端时,电流表的示数为2.4A,滑动变阻器R2的最大阻值;
(4)当开关S1断开,S2、S3都闭合,且滑片P在a、b间中点时,在1min内滑动变阻器产生的热量.
![]()