摘要:小阳同学用如图所示的电路研究串联电路的特点. 闭合开关S后.发现灯泡L1较亮.灯泡L2较暗.他对这一 现象的解释是:电流从电源正极出发.经过灯泡L1.L2逐渐 变小.所以L1较亮.L2较暗.小强同学认为小阳的解释是 错误的.小强只利用图中的器材设计了一个实验.并根据 实验现象说明了小阳的解释是错误的.请完成下列问题: (1)在右侧虚线框内.画出小强同学设计的电路图. (2)根据实验现象说明小阳的解释是错误的.
网址:http://m.1010jiajiao.com/timu3_id_1452370[举报]
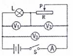
在”研究串联电路电压的特点”实脸中,小阳同学设计并连接了如图所示的电路,其中小灯泡L的颇定电压为10V,电压表、电流表均选择了合适的量程且能正常使用.![]()
(1)闭合开关S后,小阳发现电压表V2的示数为0V,而电压表V1、V3的示数均为12V,电流表也有示数.你认为出现这种情况的原因可能是_______________。
(2)恢复正常后,闭合开关并移动滑动变阻器滑片,依次记录了以下几组数据
| 次数 | U1(V1示数/V) | U2(V2示数/V) | U3(V3示数/V) |
| 1 | 2 | 10 | 12 |
| 2 | 4 | 8 | 12 |
| 3 | 6 | 6 | 12 |
(3)完成并记录了第3次实验数据后,小阳想测量一下小灯泡的额定功率,结合题目信息,以下操作可以达到目的的是_________________________。
A.向左移动滑动变阻器滑片,使V1的示数为10V,同时读出电流表示数
B.向右移动滑动变阻器滑片,使V1的示数为10V,同时读出电流表示数
C.向左移动清动变阻器滑片,使V2的示数为2V,同时读出电流表示数
D.向右移动滑动变阻器滑片.使V2的示数为2V,同时读出电流表示数 查看习题详情和答案>>
在”研究串联电路电压的特点”实脸中,小阳同学设计并连接了如图所示的电路,其中小灯泡L的颇定电压为10V,电压表、电流表均选择了合适的量程且能正常使用.
(1)闭合开关S后,小阳发现电压表V2的示数为OV,而电压表V1、V3的示数均为12V,电流表也有示数.你认为出现这种情况的原因可能是______?
(2)恢复正常后,闭合开关并移动滑动变阻器滑片,依次记录了以下几组数据
| 次数 | U1 (V1示数/V) | U2 (V2示数/V) | U3 (V3示数/V) |
| 1 | 2 | 10 | 12 |
| 2 | 4 | 8 | 12 |
| 3 | 6 | 6 | 12 |
(3)完成并记录了第3次实验数据后,小阳想测量一下小灯泡的额定功率,结合题目信息,以下操作可以达到目的是______.
A.向左移动滑动变阻器滑片,使V1的示数为10V,同时读出电流表示数
B.向右移动滑动变阻器滑片,使V1的示数为10V,同时读出电流表示数
C.向左移动清动变阻器滑片,使V2的示数为2V,同时读出电流表示数
D.向右移动滑动变阻器滑片.使V2的示数为2V,同时读出电流表示数. 查看习题详情和答案>>
在”研究串联电路电压的特点”实脸中,小阳同学设计并连接了如图所示的电路,其中小灯泡L的颇定电压为10V,电压表、电流表均选择了合适的量程且能正常使用.
(1)闭合开关S后,小阳发现电压表V2的示数为OV,而电压表V1、V3的示数均为12V,电流表也有示数.你认为出现这种情况的原因可能是 ?
(2)恢复正常后,闭合开关并移动滑动变阻器滑片,依次记录了以下几组数据
分析以上实验数据,可以得出的结论是 .
(3)完成并记录了第3次实验数据后,小阳想测量一下小灯泡的额定功率,结合题目信息,以下操作可以达到目的是 .
A.向左移动滑动变阻器滑片,使V1的示数为10V,同时读出电流表示数
B.向右移动滑动变阻器滑片,使V1的示数为10V,同时读出电流表示数
C.向左移动清动变阻器滑片,使V2的示数为2V,同时读出电流表示数
D.向右移动滑动变阻器滑片.使V2的示数为2V,同时读出电流表示数.
查看习题详情和答案>>
(1)闭合开关S后,小阳发现电压表V2的示数为OV,而电压表V1、V3的示数均为12V,电流表也有示数.你认为出现这种情况的原因可能是 ?
(2)恢复正常后,闭合开关并移动滑动变阻器滑片,依次记录了以下几组数据
| 次数 | U1 (V1示数/V) | U2 (V2示数/V) | U3 (V3示数/V) |
| 1 | 2 | 10 | 12 |
| 2 | 4 | 8 | 12 |
| 3 | 6 | 6 | 12 |
(3)完成并记录了第3次实验数据后,小阳想测量一下小灯泡的额定功率,结合题目信息,以下操作可以达到目的是 .
A.向左移动滑动变阻器滑片,使V1的示数为10V,同时读出电流表示数
B.向右移动滑动变阻器滑片,使V1的示数为10V,同时读出电流表示数
C.向左移动清动变阻器滑片,使V2的示数为2V,同时读出电流表示数
D.向右移动滑动变阻器滑片.使V2的示数为2V,同时读出电流表示数.
在”研究串联电路电压的特点”实脸中,小阳同学设计并连接了如图所示的电路,其中小灯泡L的颇定电压为10V,电压表、电流表均选择了合适的量程且能正常使用.

(1)闭合开关S后,小阳发现电压表V2的示数为0V,而电压表V1、V3的示数均为12V,电流表也有示数.你认为出现这种情况的原因可能是_______________。
(2)恢复正常后,闭合开关并移动滑动变阻器滑片,依次记录了以下几组数据
解析以上实验数据,可以得出的结论是_____________________。
(3)完成并记录了第3次实验数据后,小阳想测量一下小灯泡的额定功率,结合题目信息,以下操作可以达到目的的是_________________________。
A.向左移动滑动变阻器滑片,使V1的示数为10V,同时读出电流表示数
B.向右移动滑动变阻器滑片,使V1的示数为10V,同时读出电流表示数
C.向左移动清动变阻器滑片,使V2的示数为2V,同时读出电流表示数
D.向右移动滑动变阻器滑片.使V2的示数为2V,同时读出电流表示数
(1)闭合开关S后,小阳发现电压表V2的示数为0V,而电压表V1、V3的示数均为12V,电流表也有示数.你认为出现这种情况的原因可能是_______________。
(2)恢复正常后,闭合开关并移动滑动变阻器滑片,依次记录了以下几组数据
| 次数 | U1(V1示数/V) | U2(V2示数/V) | U3(V3示数/V) |
| 1 | 2 | 10 | 12 |
| 2 | 4 | 8 | 12 |
| 3 | 6 | 6 | 12 |
(3)完成并记录了第3次实验数据后,小阳想测量一下小灯泡的额定功率,结合题目信息,以下操作可以达到目的的是_________________________。
A.向左移动滑动变阻器滑片,使V1的示数为10V,同时读出电流表示数
B.向右移动滑动变阻器滑片,使V1的示数为10V,同时读出电流表示数
C.向左移动清动变阻器滑片,使V2的示数为2V,同时读出电流表示数
D.向右移动滑动变阻器滑片.使V2的示数为2V,同时读出电流表示数
在”研究串联电路电压的特点”实脸中,小阳同学设计并连接了如图所示的电路,其中小灯泡L的颇定电压为10V,电压表、电流表均选择了合适的量程且能正常使用.
(1)闭合开关S后,小阳发现电压表V2的示数为OV,而电压表V1、V3的示数均为12V,电流表也有示数.你认为出现这种情况的原因可能是_______________ ·
(2)恢复正常后,闭合开关并移动滑动变阻器滑片,依次记录了以下几组数据
| 次数 | U1 (V1示数/V) | U2 (V2示数/V) | U3 (V3示数/V) |
| 1 | 2 | 10 | 12 |
| 2 | 4 | 8 | 12 |
| 3 | 6 | 6 | 12 |
分析以上实验数据,可以得出的结论是_____________________.
(3)完成并记录了第3次实验数据后,小阳想测量一下小灯泡的额定功率,结合题目信息,以下操作可以达到目的的是_________________________.
A.向左移动滑动变阻器滑片,使V1的示数为10V,同时读出电流表示数
B.向右移动滑动变阻器滑片,使V1的示数为10V,同时读出电流表示数
C.向左移动清动变阻器滑片,使V2的示数为2V,同时读出电流表示数
D.向右移动滑动变阻器滑片.使V2的示数为2V,同时读出电流表示数
![]()