题目内容

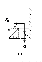
如图所示,质量为m的物体在与水平方向成α角的外力F作用下靠在粗糙的竖直墙上,物体与墙之间的动摩擦因数为μ,若要使物体沿着墙匀速运动,则外力F的大小可以是  (      )

A.       B.

C.        D.  

 

【答案】

CD

【解析】

试题分析:当物体沿墙壁匀速上滑、下滑时受力分别如图甲、乙:

上滑时:解得F=,故C正确;

下滑时:解得F=,故D正确

考点:滑动摩擦力公式 牛顿第二定律

 

练习册系列答案
相关题目

违法和不良信息举报电话:027-86699610 举报邮箱:58377363@163.com

精英家教网