题目内容

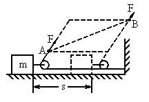
质量为m的物体放在光滑的水平面上,轻绳经过滑轮,一端固定在墙上,另一端用大小为F的力拉物体,如图所示,现拉动物块前进sm,求:外力对物块所做的功为多大?

答案:略
解析:

本题创新之处有以下两个方面:其一,解题方法有创新之处,利用等效计算物体所受外力的功;其二,在一题多解及数学工具的应用上有创新之处.

Fs(1cosa )

解法一:如图所示,当物体在水平方向移动s时,则力F的作用点的位AB的长度为,拉力F所做的功即为外力对物块所做的功,大小为

解法二:物体受力可等效如图所示的情况.则外力对物体所做的功等于各分力所做功的代数和,即为:


练习册系列答案
相关题目

违法和不良信息举报电话:027-86699610 举报邮箱:58377363@163.com

精英家教网