题目内容

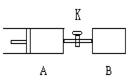
精英家教网如图所示,活塞a开始时处于关闭状态,将液体A滴入试管乙中,与气体B充分反应后,打开活塞,可发现试管甲中的水立即沸腾了,则液体A和气体B的组合可能的是(  )
A、氢氧化钠溶液、一氧化氮B、水、二氧化碳C、氯化钠溶液、氨气D、新制氯水、甲烷
分析:水的沸点与压强有关,压强越小水的沸点越低,压强越大,水的沸点越高.
A.一氧化氮难溶于水,氢氧化钠与一氧化氮不反应,压强不会变化;
B.二氧化碳能溶于水,但1体积水中只能溶解1体积的二氧化碳,压强变化小;
C.氨气易溶于水,压强变化大;
D.甲烷和新制的氯水不反应,压强不会变化.
解答:解:A.氢氧化钠溶液不能吸收一氧化氮,打开活塞a甲中的压强不变,水的沸点不变,故A错误;
B.二氧化碳能溶于水,但1体积水中只能溶解1体积的二氧化碳,打开活塞a甲中的压强变化小,水的沸点降低小,不能沸腾,故B错误;
C.1体积水中能溶解700体积的氨气,打开活塞a甲中的压强减小,水的沸点降低,水沸腾了,故C正确;
D.甲烷和氯气在光照的条件下反应,甲烷和新制的氯水不反应,打开活塞a甲中的压强不变,水的沸点不变,故D错误;
故选C.
点评:本题以沸点的变化为载体考查了物质的性质,解答本题的关键是要充分理解水沸腾的原因,根据物质间反应后气体状态的改变,对问题做出正确的判断,题目难度不大.
练习册系列答案
相关题目

(12分).随着人类对温室效应和资源短缺等问题的重视,如何降低大气中CO2的含量及有效地开发利用CO2,引起了各国的普遍重视。

   (1)目前,用超临界CO2(其状态介于气态和液态之间)代替氟利昂作冷剂已成为一种趋势,这一做法对环境的积极意义在于                     

   (2)将CO2转化成有机物可有效实现碳循环。CO2转化成有机物的例子很多,如:

        以上反应中,最节能的是           ,原子利用率最高的是           

   (3)为探究用CO2来生产燃料甲醇的反应原理,现进行如下实验:

        在体积为1L的密闭容器中,充入1molCO2和3molH2,一定条件下发生反应:

       CO2(g)+3H2(g)       CH3OH(g)+H2O(g)△H=-49.0kJ/mol

        测得CO2和CH3OH(g)的浓度随时间变化如图所示。

        ①从反应开始到平衡,氢气的平均反应速率v(H2)=     mol/(L·min)

②该反应的平衡常数表达式为                ,升高温度,平衡常数的数值将

            (填“增大”、“减小”或“不变”)。

③下列措施中能使n(CH3OH)/n(CO2)增大的是        .

        A.升高温度                                    B.充入He(g),使体系压强增大

C.将H2O(g)从体系中分离          D.再充入1molCO2和3molH2

   (4)氢气是合成氨的重要原料,合成氨反应的热化学方程式如下:

①当合成氨反应达到平衡后,改变某一外界条件(不改变N2、H2和NH3的量),反应速率与时间的关系如下图所示。

      

   图t1时引起平衡移动的条件可能是              

   其中表示平衡混合物中NH3含量最高的一段时间是               

②温度为T°C时,将3amolH2和amolN2放入带有活塞的密闭容器中,如果活塞能自由移动,充分反应后测得N2的转化率为50%。如果在相同温度下将3amolH2、amolN2和2amolNH3气体放入该容器中,平衡时H2的转化率为         

 

(12分).随着人类对温室效应和资源短缺等问题的重视,如何降低大气中CO2的含量及有效地开发利用CO2,引起了各国的普遍重视。
(1)目前,用超临界CO2(其状态介于气态和液态之间)代替氟利昂作冷剂已成为一种趋势,这一做法对环境的积极意义在于                     
(2)将CO2转化成有机物可有效实现碳循环。CO2转化成有机物的例子很多,如:

以上反应中,最节能的是           ,原子利用率最高的是           
(3)为探究用CO2来生产燃料甲醇的反应原理,现进行如下实验:
在体积为1L的密闭容器中,充入1molCO2和3molH2,一定条件下发生反应:
        CO2(g)+3H2(g)       CH3OH(g)+H2O(g)△H=-49.0kJ/mol
测得CO2和CH3OH(g)的浓度随时间变化如图所示。

①从反应开始到平衡,氢气的平均反应速率v(H2)=     mol/(L·min)
②该反应的平衡常数表达式为                ,升高温度,平衡常数的数值将
            (填“增大”、“减小”或“不变”)。
③下列措施中能使n(CH3OH)/n(CO2)增大的是        .

A.升高温度B.充入He(g),使体系压强增大
C.将H2O(g)从体系中分离D.再充入1molCO2和3molH2
(4)氢气是合成氨的重要原料,合成氨反应的热化学方程式如下:

①当合成氨反应达到平衡后,改变某一外界条件(不改变N2、H2和NH3的量),反应速率与时间的关系如下图所示。
      
图t1时引起平衡移动的条件可能是              
其中表示平衡混合物中NH3含量最高的一段时间是               
②温度为T°C时,将3amolH2和amolN2放入带有活塞的密闭容器中,如果活塞能自由移动,充分反应后测得N2的转化率为50%。如果在相同温度下将3amolH2、amolN2和2amolNH3气体放入该容器中,平衡时H2的转化率为         

违法和不良信息举报电话:027-86699610 举报邮箱:58377363@163.com

精英家教网