题目内容
(1)请按要求将图所示的器材用笔连好电路并画出电路图。要求:当滑片向右移动时,电灯变亮。(2)在下面的方框内画出伏安法测电阻的电路图,并根据电路图连接右图电路。(3)设计电路。要求:L1和L2串联,电流表测L1的电流,电压表测L2两端的电压,滑动变阻器控制电路中的电流不超过0.5A。画出电路图,并用铅笔线代替导线将图中的元件连接起来。
(1)请按要求将图所示的器材用笔连好电路并画出电路图。要求:当滑片向右移动时,电灯变亮。
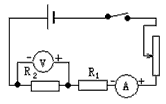
(2)在下面的方框内画出伏安法测电阻的电路图,并根据电路图连接右图电路。
(3)设计电路。要求:L1和L2串联,电流表测L1的电流,电压表测L2两端的电压,滑动变阻器控制电路中的电流不超过0.5A。画出电路图,并用铅笔线代替导线将图中的元件连接起来。