题目内容
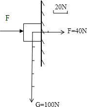
如图所示物体受到的重力为100N,对墙壁的压力40N,请在图中画出这两个力的图示.

分析:找到两个力的三要素:作用点均在重心上,大小分别为30N、20N,重力方向竖直向下,墙壁所受的力水平向右,最后会用一条带箭头的线段把两个力的三要素表示出来.
解答:解:物体受到人为的压力水平向右,大小为40N,重力方向竖直向下,大小为100N,如图所示:

点评:此题考查了力的图示的画法,力的图示比示意图要求更加严格,在作图时,注意线段的长度必须与标度统一起来.
练习册系列答案
相关题目