搜索
题目内容
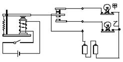
请连接图中的工作电路部分,使控制电路上S断开时甲灯亮,S合上时乙灯亮。
试题答案
相关练习册答案
练习册系列答案
实验班中考总复习系列答案
亮点激活期末冲刺大试卷系列答案
全优学习达标训练系列答案
毕业会考阶梯模拟卷系列答案
小学升学多伦夯基总复习系列答案
同步练习目标与测试系列答案
复习计划风向标暑系列答案
开心快乐假期作业暑假作业西安出版社系列答案
学业考试综合练习册系列答案
名题训练系列答案
相关题目
有一种电加热恒温箱,工作原理如图甲所示.控制电路由电压为U
1
=9V的电源、电磁继电器(线圈电阻不计)、滑动变阻器R
2
和热敏电阻R
1
组成,图乙是热敏电阻R
1
阻值随温度变化的图象;工作电路由电压为U
2
=220V的电源和电阻为R
0
=44Ω的电热丝组成.通过实验测得当电磁继电器线圈的电流达到60mA时,电磁继电器的衔铁被吸下来.求:
(1)请用笔画线代替导线,按照题意将图中的工作电路连接完整.
(2)电热丝R
0
正常工作100s产生的热量;
(3)当滑动变阻器R
2
接入电路中的电阻为50Ω时,可使恒温箱的温度保持多高?
(4)在升温的过程中,电阻R
1
两端的电压会
变小
变小
(填“变大”、“变小”或“不变”);
(5)要使恒温箱设定的温度值升高,应调节滑动变阻器R
2
的滑片,使其接入电路的阻值
变大
变大
(选填“变大”或“变小”).
(2011?滨湖区二模)有一种电加热恒温箱,工作原理如图甲所示.控制电路由电压为U
1
=9V的电源、电磁继电器(线圈电阻不计)、滑动变阻器R
2
和热敏电阻R
1
组成,图乙是热敏电阻R
1
阻值随温度变化的图象;工作电路由电压为U
2
=220V的电源和电阻为R
0
的电热丝组成.通过实验测得当电磁继电器线圈的电流达到60mA时,电磁继电器的衔铁被吸下来.求:
(1)请用笔画线代替导线,按照题意将图中的工作电路连接完整.
(2)在升温的过程中,电阻R
1
两端的电压会
变小
变小
(选填“变大”、“变小”或“不变”);
(3)要使恒温箱设定的温度值升高,应调节滑动变阻器R
2
的滑片,使其接入电路的阻值
变大
变大
(选填“变大”或“变小”).
(4)当滑动变阻器R
2
接入电路中的电阻为50Ω时,恒温箱内的温度是多少?
有一种电加热恒温箱,工作原理如图甲所示.控制电路由电压为U
1
=9V的电源、电磁继电器(线圈电阻不计)、滑动变阻器R
2
和热敏电阻R
1
组成,图乙是热敏电阻R
1
阻值随温度变化的图象;工作电路由电压为U
2
=220V的电源和电阻为R
=44Ω的电热丝组成.通过实验测得当电磁继电器线圈的电流达到60mA时,电磁继电器的衔铁被吸下来.求:
(1)请用笔画线代替导线,按照题意将图中的工作电路连接完整.
(2)电热丝R
正常工作100s产生的热量;
(3)当滑动变阻器R
2
接入电路中的电阻为50Ω时,可使恒温箱的温度保持多高?
(4)在升温的过程中,电阻R
1
两端的电压会______(填“变大”、“变小”或“不变”);
(5)要使恒温箱设定的温度值升高,应调节滑动变阻器R
2
的滑片,使其接入电路的阻值______ (选填“变大”或“变小”).
有一种电加热恒温箱,工作原理如图甲所示.控制电路由电压为U
1
=9V的电源、电磁继电器(线圈电阻不计)、滑动变阻器R
2
和热敏电阻R
1
组成,图乙是热敏电阻R
1
阻值随温度变化的图象;工作电路由电压为U
2
=220V的电源和电阻为R
=44Ω的电热丝组成.通过实验测得当电磁继电器线圈的电流达到60mA时,电磁继电器的衔铁被吸下来.求:
(1)请用笔画线代替导线,按照题意将图中的工作电路连接完整.
(2)电热丝R
正常工作100s产生的热量;
(3)当滑动变阻器R
2
接入电路中的电阻为50Ω时,可使恒温箱的温度保持多高?
(4)在升温的过程中,电阻R
1
两端的电压会______(填“变大”、“变小”或“不变”);
(5)要使恒温箱设定的温度值升高,应调节滑动变阻器R
2
的滑片,使其接入电路的阻值______ (选填“变大”或“变小”).
关 闭
试题分类
高中
数学
英语
物理
化学
生物
地理
初中
数学
英语
物理
化学
生物
地理
小学
数学
英语
其他
阅读理解答案
已回答习题
未回答习题
题目汇总
试卷汇总
练习册解析答案