搜索
题目内容
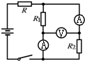
如图所示的电路中R
1
和R
2
并联,现在用伏特表和安培表测量通过R
1
和R
2
的电流强度及R
1
两端的电压,请在“○”内填写相应的符号“V”或“A”.______.
试题答案
相关练习册答案
在图中,要想电路中R
1
和R
2
并联,则中间的“○”内必须填相当于开路的电压表,而要测量通过R
1
和R
2
的电流,与R
1
和R
2
串联的“○”必须填入电流表,如下图所示:
练习册系列答案
1加1阅读好卷系列答案
专项复习训练系列答案
初中语文教与学阅读系列答案
阅读快车系列答案
完形填空与阅读理解周秘计划系列答案
英语阅读理解150篇系列答案
奔腾英语系列答案
标准阅读系列答案
53English系列答案
考纲强化阅读系列答案
相关题目
(2005?白云区二模)如图所示的电路中R
1
和R
2
的阻值分别是20Ω和30Ω,开关S闭合后电压表的示数是4.8V,求
(1)开关闭合后电路中的电流是多大?
(2)电源电压是多少?
(3)通电5min电路消耗的电能是多少?
如图所示的电路中R
1
和R
2
并联,现在用伏特表和安培表测量通过R
1
和R
2
的电流强度及R
1
两端的电压,请在“○”内填写相应的符号“V”或“A”.
.
如图所示的电路中R
1
=2Ω现将R
1
换成4Ω的电阻R
2
为保持电压的示数不变滑动变阻器的滑片P应该( )
A.向a端滑动
B.向b端滑动
C.保持原位不动
D.不可能使电压表示数不变
如图所示的电路中R
1
=5Ω,当开关S闭合时,I=0.6A,I
1
=0.4A,则电阻R
2
=
10Ω
10Ω
.
如图所示的电路中R
1
=5Ω、R
2
=10Ω,电源电压U=15V当滑动变阻器的滑片移动时电压表示数的变化范围是
10~15
10~15
V.
关 闭
试题分类
高中
数学
英语
物理
化学
生物
地理
初中
数学
英语
物理
化学
生物
地理
小学
数学
英语
其他
阅读理解答案
已回答习题
未回答习题
题目汇总
试卷汇总
练习册解析答案