题目内容
实验课上,老师给出了两个电压表,两个灯泡,一个开关,一个电池组,若干导线,要求测出两个灯泡串联时各自的电压和电池组的电压,请你在图中将所给的器材连接起来,并将你设计的电路图画在方框内。
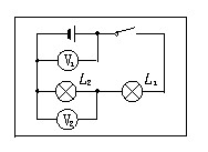
实验课上,老师给出了两个电压表,两个灯泡,一个开关,一个电池组,若干导线,要求测出两个灯泡串联时各自的电压和电池组的电压,请你在图2-8中将所给的器材连接起来,并将你设计的电路图画在方框内。
图2-8