ÌâÄ¿ÄÚÈÝ

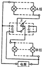
ÓÃ10Õµ220V¡¢l00WµÄ°×³ãµÆÃ¿Íí7£º00µ½´ÎÈÕÔç6£º00Ϊһ¸öµØÏ¹ý½ÖͨµÀÕÕÃ÷£®Ô­·½°¸ÎªÊ¼ÖÕ½«10ÕµµÆ²¢Áªºó½ÓÔÚ220VµÄµçÔ´ÉÏ£®Îª½ÚÔ¼Óõ磬СǿÉè¼ÆÁËÒ»¸ö¸Ä½ø·½°¸£º½«10ÕµµÆ·ÖΪ A¡¢BÁ½×飬ÿ×éÄÚµÄ5Õµ¾ùΪ²¢Áª£®Ã¿Íí7£º00-1 1£º00½«Á½×鵯²¢Áªºó½ÓÔÚ220VµÄµçÔ´ÉÏ£»Íí1 1£º00ÖÁ´ÎÈÕÔç6£º00½«Á½×鵯´®Áªºó½ÓÔÚ220VµÄµçÔ´ÉÏ£®
¢Ù£®Ç밴СǿÉè¼ÆµÄ·½°¸Á¬½ÓͼÖÐËùʾµç·£ºµ±Ë«µ¶Ë«ÖÀ¿ª¹ØS½ÓÔÚ×ó²àʱÁ½×鵯²¢Áªºó½ÓÔÚµçÔ´ÉÏ£»½ÓÔÚÓÒ²àʱÁ½×鵯´®Áªºó½ÓÔÚµçÔ´ÉÏ
¢Ú£®ÒÑÖª´®ÁªÊ±Ã¿ÕµµÆµÄµç×èΪ²¢ÁªÊ±µç×èµÄ2/3£¬°´Ð¡Ç¿µÄ·½°¸£¬Ã¿ÌìÓöàÉٶȵ磿ÓëÔ­·½°¸Ïà±È£¬Ã¿Ô£¨30Ì죩½ÚÔ¼¶àÉٶȵ磿
·ÖÎö£º£¨1£©¸ù¾ÝË«µ¶Ë«ÖÀ¿ª¹ØS½ÓÔÚ×ó²àʱÁ½×鵯²¢Áª£¬½ÓÔÚÓÒ²àʱÁ½×鵯´®ÁªÁ¬½Óµç·ͼ£®
£¨2£©¸ù¾ÝW=PtÇó³ö10ÕµµÆÅÝÿÍí7£º00¡«11£º00µÄÓõ磬ÔÙ¸ù¾Ý´®Áªµç·µÄ·ÖÑ¹ÌØµãºÍ²¢ÁªºóµÆÅݵĵç×èÀûÓÃP=
U2
R
Çó³ö´ËʱÿյµÆÅݵÄʵ¼Ê¹¦ÂÊ£¬¸ù¾ÝW=PtÇó³ö10ÕµµÆÅÝÿÌìÍíÉÏ11£º00µ½´ÎÈÕÔçÉÏ6£º00µÄÓõ磬¼´¿ÉÇó³ö°´Ð¡Ç¿µÄ·½°¸Ã¿ÌìÓõĵ磻¸ù¾ÝW=PtÇó³ö°´Ô­·½°¸10ÕµµÆÅÝÿÌìÍíÉÏ11£º00µ½´ÎÈÕÔçÉÏ6£º00µÄÓõ磬¼´¿ÉÇó³öÿÌì½ÚÊ¡µÄµçºÍÒ»¸öÔ½ÚÔ¼µÄµç£®
½â´ð£º½â£º¢ÙË«µ¶Ë«ÖÀ¿ª¹ØS½ÓÔÚ×ó²àʱÁ½×鵯²¢Áª£¬½ÓÔÚÓÒ²àʱÁ½×鵯´®Áª£¬µç·ͼÁ¬½ÓÈçÏÂͼËùʾ£º

¢ÚÿÍí7£º00¡«11£º00ÓõçW1=nPt=10¡Á0.1kW¡Á4h=4kW?h£¬
Á½×éµçµÆ´®ÁªÊ±Ã¿ÕµµÆÁ½¶ËµÄµçѹ±äΪ¶î¶¨µçѹµÄÒ»°ë£¬µç×è±äΪԭÀ´µÄ
2
3
£®
ÿյµÆµÄ¹¦ÂÊΪP¡ä=
(
1
2
U)
2
2
3
R
=
3
8
¡Á
U2
R
=
3
8
P=
3
8
¡Á100W=37.5W£¬
ÿÌìÍíÉÏ11£º00µ½´ÎÈÕÔçÉÏ6£º00ÓõçW2=nP¡ät¡ä=10¡Á0.0375kW¡Á7h¡Ö2.63kW?h£¬
ÿÌì¹²ÓõçW=W1+W2=4kW?h+2.63kW?h=6.63kW?h£®
10ÕµµÆÊ¼ÖÕ²¢Áª½ÓÈëµç·£¬Ã¿ÌìÍíÉÏ11£º00µ½´ÎÈÕÔçÉÏ6£º00ÓõçΪW¡ä=nPt¡ä=10¡Á0.1kW¡Á11h=11kW?h£¬
ÿÌì¶àÓõç¡÷W=11kW?h-6.63kW?h=4.37kW?h£¬
ÿÔ¿ɽڵ磺4.37kW?h¡Á30=131.1kW?h£®
´ð£º¢ÙÉè¼ÆµÄ·½°¸ÈçÉÏͼËùʾ£»
¢Ú°´Ð¡Ç¿µÄ·½°¸£¬Ã¿ÌìÓÃ6.63¶Èµç£¬ÓëÔ­·½°¸Ïà±È£¬Ã¿Ô½ÚÔ¼131.1¶Èµç£®
µãÆÀ£º±¾Ì⿼²éÁ˸ù¾ÝÌâÒâÁ¬½ÓʵÎïͼºÍµç¹¦µÄ¼ÆË㣬¹Ø¼üÊǸù¾ÝÌâÒâÁé»îµÄÓ¦Óõ繦Âʹ«Ê½µÃ³ö´®ÁªÊ±µÆÅݵÄʵ¼Ê¹¦ÂÊ£¬ÄѵãÊǸù¾ÝË«µ¶Ë«ÖÀ¿ª¹ØµÄλÖúÍÒªÇóÁ¬½ÓʵÎïͼ£®
Á·Ï°²áϵÁдð°¸
Ïà¹ØÌâÄ¿

³õÖÐÎïÀíÅ·Ä·¶¨Âɽ×ÌÝѵÁ·

Å·Ä·¶¨ÂÉ

»ù´¡ÖªÊ¶Óë»ù±¾¼¼ÄÜ

*1£®µ¼ÌåÖеĵçÁ÷£¬¸úÕâ¶Îµ¼Ìå          ³ÉÕý±È£¬¸úÕâ¶Îµ¼Ìå       ³É·´±È¡£Õâ¸ö½áÂÛÊǵ¹úÎïÀíѧ¼Ò           ÔÚ19ÊÀ¼Í³õͨ¹ýʵÑéÑо¿µÃ³öµÄ¡£Í¨³£½Ð×ö            ¡£Ëüд³É¹«Ê½ÊÇ           ¡£[2.5]

*2£®µçÁ÷µÄ·ûºÅÊÇ   £¬µ¥Î»ÊÇ     £¬µ¥Î»µÄ·ûºÅÊÇ     £»µçѹµÄ·ûºÅÊÇ     £¬µ¥Î»ÊÇ     £¬µ¥Î»µÄ·ûºÅÊÇ     £»µç×èµÄ·ûºÅÊÇ     £¬µ¥Î»ÊÇ     £¬µ¥Î»µÄ·ûºÅÊÇ     ¡£*3£®µ¥Î»»»Ë㣺[1.5]24000¦¸=      k¦¸=      M¦¸ 1.1¡Á105V=      kV=       mV

 260mA=         A=           ¦ÌA

*4£®Óà     ±í²â³öµç×èÁ½¶ËµÄµçѹ£¬Óà     ±í²â³öͨ¹ýµç×èµÄµçÁ÷£¬¸ù¾ÝÅ·Ä·¶¨ÂɾͿÉÒÔ¼ÆËã³öµç×èR£¬ÕâÖÖ²âµç×èµÄ·½·¨½Ð        ·¨¡£´ËʵÑéµÄÔ­ÀíÊÇ          ¡£[1.5]

**5£®×°ÓÐÁ½½ÚÐÂ¸Éµç³ØµÄÊÖµçͲ£¬ËüµÄµçѹÊÇ    V¡£ÈôµÆÅݵĵç×èΪ10¦¸£¬µ±ËüÕý³£·¢¹âʱ£¬Í¨¹ýµÆË¿µÄµçÁ÷Ô¼ÊÇ      ¡£[1.0]

**6£®ÓÐÒ»µ¼ÌåÁ½¶ËµÄµçѹΪ12Vʱ£¬Í¨¹ýËüµÄµçÁ÷Ϊ0.2A£¬ËüµÄµç×èÊÇ      £»µ±ËüÁ½¶ËµÄµçѹΪ6Vʱ£¬ËüµÄµç×èÊÇ      £»µ±ËüÁ½¶ËµÄµçѹΪ0Vʱ£¬ËüµÄµç×èÊÇ      £¬Í¨¹ýµ¼ÌåµÄµçÁ÷ÊÇ      ¡£[1.5]

**7£®ÎÒÃÇÀûÓÃÏÂÁÐÆ÷²ÄÑо¿µçÁ÷¸úµçѹ¡¢µç×èÖ®¼äµÄ¹ØÏµ¡£°´µç·ͼ£¨Í¼15-2£©ÓñÊÏßÁ¬½Óµç·£¨Í¼15-3£©¡£[3.5]

ÔÚÑо¿µçÁ÷¸úµçѹµÄ¹ØÏµÊ±£¬Ó¦±£³Ö      ²»±ä£¬Òƶ¯±ä×èÆ÷µÄ»¬Æ¬£¬¸Ä±äµç×èRÁ½¶ËµÄ      £¬²â³öÏàÓ¦µÄ         ¡£ÔÚÑо¿µçÁ÷¸úµç×èµÄ¹ØÏµÊ±£¬Ó¦±£³Ö

      ²»±ä£¬¸Ä±ä        £¬²â³öÏàÓ¦µÄ       ¡£

**8£®ÏÂÃæµÄ±í¸ñÊÇ¡°Ñо¿µçÁ÷¸úµçѹ¡¢µç×è¹ØÏµ¡±µÄʵÑéÊý¾Ý¼Ç¼£º[2.5]

µç×èR£¨¦¸£©

5

10

20

µçÁ÷I£¨A£©

0.4

0.2

0.1

 ±í1µç×èR£½15¦¸                       ±í2  µçѹU=2V

µçѹU£¨V£©

1.5

3

4.5

µçÁ÷I£¨A£©

0.1

0.2

0.3

·ÖÎö±í1Êý¾Ý£¬¿ÉµÃ³ö½áÂÛ                                      £»

·ÖÎö±í2Êý¾Ý£¬¿ÉµÃ³ö½áÂÛ                                      ¡£

**9£®Ä³µ¼ÌåÁ½¶ËµÄµçѹΪ0.5Vʱ£¬Í¨¹ýµ¼ÌåµÄµçÁ÷ÊÇ0.1A£¬ÄÇôµ±µçѹΪ1.5Vʱ£¬Í¨¹ýµ¼ÌåµÄµçÁ÷ÊÇ     A¡£[1.0]

**10£®ÔÚÑо¿µçÁ÷Óëµç×èµÄ¹ØÏµÊ±£¬Èôµ¼ÌåµÄµç×èΪ20¦¸Ê±£¬µçÁ÷Ϊ0.2A£¬ÄÇô£¬µ¼ÌåµÄµç×èΪ       ¦¸Ê±£¬Í¨¹ýµ¼ÌåµÄµçÁ÷Ϊ0.4A¡£[1.0]

**11£®½«30¦¸µÄµç×è½ÓÔÚÒ»µçÔ´µÄÁ½¶Ë£¬Í¨¹ýµç×èµÄµçÁ÷ÊÇ0.3A£¬Èô°Ñ30¦¸µÄµç×èÄÃ×ߣ¬½«10¦¸Óë60¦¸µÄµç×è·Ö±ð½ÓÔÚÕâ¸öµçÔ´µÄÁ½¶Ë£¬ÄÇôͨ¹ýÁ½µç×èµÄµçÁ÷·Ö±ðÊÇ£¨   £©¡£[1.5

 A£®0.9A£¬0.15A      B£®0.15A£¬0.9A       C£®0.1A£¬0.6A       D£®0.6A£¬0.1A

**12£®ÔÚÑо¿¡°µçÁ÷¸úµçѹ¡¢µç×èµÄ¹ØÏµ¡±µÄʵÑéÖУ¬

Èçͼ15-4Ëùʾ£¬ÎÒÃÇÏÈʹµç×èÏäRµÄµç×èȡijһֵ£¬¶à´Î¸Ä±ä»¬¶¯±ä×èÆ÷µÄ×èÖµ£¬¼Ç¼ÿһ´ÎµÄ       ºÍÏàÓ¦µÄµçÁ÷Öµ£¬µÃµ½µ±µç×è²»±äʱ£¬µçÁ÷¸ú     ³ÉÕý±ÈµÄ¹ØÏµ£»È»ºó¶à´Î¸Ä±äµç×èÏäRµÄµç×裬µ÷½Ú±ä×èÆ÷µÄ»¬Æ¬£¬Ê¹Ã¿´Î     ±£³Ö²»±ä£¬¼Ç¼ÿ´Îµç×èÏäRµÄ×èÖµºÍÏàÓ¦µÄ     Öµ£¬µÃµ½µçÁ÷¸ú      ³É·´±ÈµÄ¹ØÏµ¡£[3.5]

**13£®µ¼ÌåµÄµç×èΪ15¦¸£¬µ±ÆäÁ½¶ËµçѹΪ6Vʱ£¬Í¨¹ýËüµÄµçÁ÷ÊÇ0.4A£¬Èô½«ËüÁ½¶ËµÄµçѹÔö¼Óµ½12Vʱ£¬Í¨¹ýËüµÄµçÁ÷Ϊ    £¬´Ëʱ¸Ãµ¼ÌåµÄµç×èΪ     ¡£[1.5]

**14£®Èçͼ15-5ËùʾµÄµç·£¬ÊDZíʾ»¬¶¯±ä×èÆ÷Á¬Èëµç·µÄËÄÖÖ½Ó·¨¡£µ±»¬Æ¬Ïò×󻬶¯µÄ¹ý³ÌÖУ¬£¨1£©µçÁ÷±íʾÊý±ä´óµÄÊÇ     µç·ͼ£»£¨2£©µçÁ÷±íµÄʾÊý±äСµÄÊÇ       µç·ͼ£»£¨3£©µçÁ÷±íµÄʾÊý²»±äµÄÊÇ     µç·ͼ£»£¨4£©²»ÕýÈ·µÄÁ¬·¨ÊÇ    µç·ͼ¡£[2.5]

**15£®ÅжÏÌ⣺[2.5]

¢Ù£¨  £©µÆÅÝ·¢¹âʱͨ¹ýµÄµçÁ¿Ô½¶à£¬ÔòµçÁ÷Ô½´ó

¢Ú£¨  £©µç×èÊǵ¼Ìå¶ÔµçÁ÷µÄ×è°­×÷Óã¬ËùÒÔµ±µ¼ÌåÖÐûÓеçÁ÷ʱ£¬µ¼ÌåÖоÍûÓеç×èÁË 

¢Û£¨  £©Å·Ä·¾ÍÊǵç×è

¢Ü£¨  £©Ä³¶Îµ¼ÌåÖеĵçѹԽ´ó£¬Ôò¶ÔµçÁ÷µÄ×è°­×÷ÓþÍÔ½´ó

¢Ý£¨  £©µ¼Ì峤¶ÈÔ½³¤£¬ºá½ØÃæ»ýÔ½´ó£¬ÔòËü¶ÔµçÁ÷×è°­×÷ÓþÍÔ½´ó

¢Þ£¨  £©½«Á½¸ö×èÖµ²»Í¬µÄµç×è´®Áªºó½ÓÔÚµç×èÖУ¬Ôòµç×è´óµÄͨ¹ýµÄµçÁ÷С

¢ß£¨  £©ÓÉU=IR¿ÉÖª£¬ÔÚ²¢Áªµç·Öеç×è½Ï´óµÄ£¬ËüÁ½¶ËµÄµçѹҲ½Ï´ó

֪ʶµÄÓ¦ÓÃ**16£®ÏÂÁÐ˵·¨ÖÐÕýÈ·µÄÊÇ£¨   £©¡£[0.5]

A£®µçÁ÷¸úµçѹ³ÉÕý±È                B£®µçÁ÷¸úµç×è³É·´±È

C£®ÔÚµ¼ÌåµÄµç×èÒ»¶¨Ê±£¬µ¼ÌåÖеĵçÁ÷¸úµ¼ÌåÁ½¶ËµÄµçѹ³ÉÕý±È

D£®ÔÚµ¼ÌåÁ½¶Ëµçѹһ¶¨Ê±£¬µ¼ÌåÖеĵçÁ÷¸úµ¼ÌåµÄµç×è³ÉÕý±È

**17£®ÓÉÅ·Ä·¶¨ÂÉ ÍÆµÃ£¬ÏÂÁÐ˵·¨ÖÐÕýÈ·µÄÊÇ£¨   £©¡£[1.0]

A£®µ¼ÌåµÄµç×èÓëµ¼ÌåÁ½¶Ëµçѹ³ÉÕý±ÈB£®µ¼ÌåµÄµç×èÓëͨ¹ýµ¼ÌåµÄµçÁ÷³É·´±È

C£®µ¼ÌåµÄµç×èÊǵ¼Ìå±¾ÉíµÄÊôÐÔ£¬µÈÓÚµçѹÓëµçÁ÷µÄ±ÈÖµD£®ÒÔÉÏ˵·¨¶¼²»¶Ô

18£®Ò»¸öµÆÅݵĵÆË¿µÄµç×èÊÇ4¦¸£¬µ±ËüÁ½¶ËµÄµçѹÊÇ2.8Vʱ£¬Çóͨ¹ýµÆÅݵĵçÁ÷ÊǶàÉÙ£¿

 

**19£®Í¨¹ýÒ»¸öµç×èÆ÷µÄµçÁ÷ÊÇ0.4A£¬µç×èÆ÷µÄµç×èÊÇ90¦¸£¬ÇóËüÃÇÁ½¶ËµÄµçѹÊǶà´ó£¿

**20£®°ÑÒ»¸öµçÈÈÆ÷°ÑËü½ÓÔÚ¼ÒÍ¥µç·ÉÏ£¬Í¨¹ýËüµÄµçÁ÷ÊÇ5A£¬¸ÃµçÈÈÆ÷µÄµç×èÊǶàÉÙ£¿

**21£®Èçͼ15-6£¬¿ª¹ØºÏÉÏǰ£¬»¬¶¯±ä×èÆ÷µÄ»¬Æ¬PÓ¦ÒÆÖÁ   ¶Ë¡£µ±»¬Æ¬´ÓÖе㿪ʼ£¨´ËʱµÆÅÝÕý³£·¢¹â£©ÏòÓÒÒÆ¶¯Ê±£¬±ä×èÆ÷Á¬Èëµç·µÄ×èÖµ±ä      £¬µç·ÖеĵçÁ÷±ä     £¬µÆÅÝÁÁ¶È±ä     ¡£[2.5] 

**22£®Èçͼ15-7µçÁ÷±íA1µÄʾÊýΪ0.9A£¬µçÁ÷±íA2µÄʾÊýΪ0.5A£¬Ôòͨ¹ýµç×èR1µÄµçÁ÷ÊÇ      £¬Í¨¹ýµç×èR2µÄµçÁ÷ÊÇ     ¡£[1.5]

**23£®Èçͼ15-8ËùʾµÄµç·£¬SºÏÉϺ󣬵çѹ±íV1µÄʾÊýÊÇ6V£¬V2µÄʾÊýÊÇ3.8V£¬ÄÇôµçµÆL1Á½¶ËµÄµçѹÊÇ      £¬µÆL2Á½¶ËµÄµçѹÊÇ      ¡£[1.5]

**24£®Ò»Õµ°×³ãµÆ½ÓÔÚ¼ÒÓõç·ÉÏ£¬µÆÅÝÕý³£·¢¹âʱµÄµç×èÊÇ1210¦¸£¬Çó´ËµÆÕý³£·¢¹âʱµÄµçÁ÷ÊǶà´ó£¿[1.5]

25£®¼ÓÔÚijµ¼ÌåÁ½¶ËµÄµçѹΪ3Vʱ£¬²â³öͨ¹ýµ¼ÌåµÄµçÁ÷ÊÇ150mA£¬Ôò¸Ãµ¼ÌåµÄµç×è¶à´ó£¿

**26£®Óõçѹ±í²â³öÒ»¶Îµ¼ÌåÁ½¶ËµÄµçѹÊÇ72V£¬ÓõçÁ÷±í²â³öͨ¹ýÕâ¶Îµ¼ÌåµÄµçÁ÷Ϊ0.4A£¬ÔòÕâ¶Îµ¼ÌåµÄµç×èÊÇ    ¦¸¡£[1.0]

**27£®Ò»¸öµç×èΪ5¦¸µÄµ¼Ì壬ͨ¹ýËüµÄµçÁ÷Ϊ0.8A£¬ËµÃ÷ËüÁ½¶ËµÄµçѹÊÇ   V¡£[1.0]

**28£®Ò»¸öµ¼Ìåµ±ËüÁ½¶Ë¼Ó8Vµçѹʱ£¬Í¨¹ýËüµÄµçÁ÷Ϊ0.2A£¬ÔòËüµÄµç×èÊÇ    ¦¸£»Õâ¶Îµ¼ÌåÁ½¶Ë¼Ó6Vµçѹʱ£¬ËüµÄµçÁ÷Ϊ      A£¬µç×èΪ      ¦¸£»µ±ËüÁ½¶Ë²»¼Óµçѹʱ£¬µ¼ÌåµÄµç×èÊÇ      ¦¸£¬Í¨¹ýµ¼ÌåµÄµçÁ÷ÊÇ      A¡£[3.0]

**29£®Óмס¢ÒÒÁ½¸öµ¼Ì壬µ±Í¨¹ýÏàͬµÄµçÁ÷ʱ£¬¼×Á½¶ËµÄµçѹ±ÈÒÒÁ½¶ËµÄµçѹ¸ß£¬ÔòÁ½Õߵĵç×èÏà±È£¨   £©A£®R¼×>RÒÒ     B£®R¼×=RÒÒ     C£®R¼×<RÒÒ     D£®ÎÞ·¨Åж¨

**30£®¼ÓÔÚ×èÖµ12¦¸µÄµç×èÁ½¶ËµÄµçѹÊÇ6V£¬ÔòÔÚ3·Ö20ÃëÄÚͨ¹ý¸Ãµç×èµÄµçÁ¿ÊǶàÉÙ£¿

**31£®Ä³¶Îµç·Á½¶ËµÄµçѹÊÇ220V£¬ÓõçÆ÷µÄµç×èÊÇ40¦¸£¬ÄÜ·ñÓÃÁ¿³ÌΪ0¡«3AµÄµçÁ÷±í²âÆäµçÁ÷£¿[1.5]

**32£®¼ÓÔÚ×èֵΪ30¦¸µÄµç×èÁ½¶ËµÄµçѹÊÇ6V£¬10minͨ¹ý¸Ãµç×èµÄµçÁ¿ÊÇ    C¡£[1.0]

**33£®Èôµ¼ÌåÁ½¶Ë¼Ó8Vµçѹʱ£¬1minÄÚͨ¹ýµ¼Ìåºá½ØÃæ»ýµÄµçÁ¿ÊÇ18C£¬µ¼ÌåÖеĵçÁ÷ÊÇ      A£¬µ¼ÌåµÄµç×èÊÇ      ¦¸£»Èôµ¼ÌåÁ½¶Ë²»¼Óµçѹʱ£¬µ¼ÌåµÄµç×èΪ

    ¦¸£¬Í¨¹ýµ¼ÌåµÄµçÁ÷ÊÇ       A¡£[2.5]

**34£®¼×¡¢ÒÒÁ½¸öµ¼ÌåµÄµç×èÖ®±ÈÊÇ1¡Ã2£¬½«ËüÃÇ·Ö±ð½Óµ½Í¬Ò»µçÔ´µÄÁ½¶Ë£¬Ôòͨ¹ýËüÃǵĵçÁ÷Ö®±ÈÊÇ        ¡£[1.0]

35£®ÔÚµç×èÊÇ5¦¸µÄµ¼ÌåÖУ¬1.5minͨ¹ý¸Ãµ¼ÌåµÄµçÁ¿ÊÇ45C£¬ÄÇôµ¼ÌåÁ½¶ËµÄµçѹÊÇ    V¡£

**36£®Ò»¸ö5¦¸µÄµç×èÁ½¶ËµçѹΪUʱ£¬Í¨¹ýµç×èµÄµçÁ÷Ϊ3A£¬Èç¹û½«Õâ¸öµçѹ¼ÓÔÚ10¦¸µÄµç×èÁ½¶Ë£¬ÔòµçÁ÷ÊÇ        A¡£[1.0]

**37£®µ±µ¼ÌåÁ½¶ËµçѹΪ10Vʱ£¬Í¨¹ýµ¼ÌåµÄµçÁ÷Ϊ500mA£¬ÄÇôµ¼ÌåÁ½¶ËµçѹΪ2Vʱ£¬µ¼ÌåµÄµç×èÊÇ£¨   £©¡£ A£®0.004¦¸       B£®0.02¦¸        C£®4¦¸        D£®20¦¸

**38£®ÔÚÏÂÃæµÄ·½¿òÄÚ»­³ö·ü°²·¨²âµç×èµÄµç·ͼ£¬²¢¸ù¾Ýµç·ͼÁ¬½Ó15-9µç·¡£[3.5]

ÔÚÁ¬½Óµç·ͼʱ¿ª¹ØÓ¦´¦ÓÚ      ×´Ì¬£¬»¬¶¯±ä×èÆ÷µÄ»¬Æ¬Ó¦Î»ÓÚ    £¨ÌîA»òB£©¶Ë£¬ÕâÖ÷ÒªÊÇΪÁ˱ÜÃâµç·ÖеĠ     ¹ý´ó£¬¶øÉÕ»µµç·ÖеÄÓйØÔª¼þ¡£

**39£®ÔÚ·ü°²·¨²âµç×èµÄʵÑéÖУ¬ÀûÓÃR£½U£¯I¼ÆËã³ö¸÷´ÎµÄµç×èÖµ¡£µ«Ëã³öµÄ½á¹ûÍùÍùÊDz»Í¬µÄ£¬ÕâÊôÓÚʵÑéÖеĠ       £¬ÊDz»¿É±ÜÃâµÄ£¬²ÉÈ¡¶à´Î²âÁ¿È¡Æ½¾ùÖµµÄ°ì·¨¿ÉÒÔ             ¡£[1.5]

**40£®½«6VµÄµçѹ¼ÓÔÚÓõçÆ÷Á½¶Ëʱ£¬Í¨¹ýµÄµçÁ÷ÊÇ0.2A£¬¸ÃÓõçÆ÷µÄµç×èÊÇ

      ¦¸£»½«3VµÄµçѹ¼ÓÔÚͬһÓõçÆ÷Á½¶Ëʱ£¬Í¨¹ýµç·µÄµçÁ÷ÊÇ      A£¬ÓõçÆ÷µÄµç×èÊÇ    ¦¸£»Èç¹ûÓõçÆ÷Á½¶ËµÄµçѹΪÁ㣬¸Ãµç×èµÄ×èÖµÊÇ     ¦¸¡£[2.0]

**41£®Èçͼ15-10ËùʾµÄµç·£¬µçÔ´µçѹΪ6V£¬µçµÆL1ÉϵĵçѹΪ1.5V£¬Ôòµçѹ±íµÄʾÊý£¨   £©A£®1.5V     B£®4.5V   C£®6V       D£®7.5V

***42£®Óмס¢ÒÒ¡¢±ûÈý¸ùÓÃͬÖÖ²ÄÁÏÖÆ³ÉµÄµ¼Ïߣ¬ÒÑÖª¼×ºÍÒÒ´ÖϸÏàͬ£¬µ«¼×±ÈÒÒ³¤£»ÒҺͱûµÄ³¤¶ÈÏàͬ£¬µ«Òұȱûϸ¡£ÔòÈý¸ùµ¼ÏßÖеç×è×î´óµÄÊÇ£¨   £©¡£

[A£®¼×      B£®ÒÒ      C£®±û      D£®ÎÞ·¨ÅжÏ

***43£®ÖÊÁ¿ÏàͬµÄÍ­Ë¿ºÍÂÁË¿£¬ËüÃÇµÄºá½ØÃæ»ýÏàµÈ£¬Í­Ë¿ºÍÂÁË¿µÄµç×èÏà±È½Ï£¨   £©¡£

 A£®Í­Ë¿µÄµç×è´ó        B£®ÂÁË¿µÄµç×è´ó

 C£®µç×èÒ»Ñù´ó          D£®ÎÞ·¨±È½Ï

***44£®Èçͼ15-11ÊÇ»¬¶¯±ä×èÆ÷µÄ½á¹¹Ê¾Òâͼ£¬Èô»¬Æ¬Ïò

ÓÒÒÆ¶¯Ê±£¬µç·ÖеĵçÁ÷±äС£¬ÔòӦѡÓõĽÓÏßÖùÊÇ£¨   £©¡£

 A£®AC»òAD             B£®BC»òBD

 C£®AC»òBD             D£®AB»òBD

***45£®Çë°´ÒªÇó½«Í¼15-12ËùʾµÄÆ÷²ÄÓÃÉ«±ÊÁ¬ºÃµç·²¢»­³öµç·ͼ¡£ÒªÇ󣺵±»¬Æ¬ÏòÓÒÒÆ¶¯Ê±£¬µçµÆ±äÁÁ¡£

֪ʶµÄÍØÕ¹

***46£®ÏÂÁÐ˵·¨ÖÐÕýÈ·µÄÊÇ£¨   £©¡£[1.0]

 A£®µçÁ÷±íºÍµçѹ±í¶¼¿ÉÒÔÖ±½Ó½Óµ½µçÔ´µÄÁ½¼«ÉÏ

 B£®µçÁ÷±í¿ÉÒÔÖ±½Ó½Óµ½µçÔ´µÄÁ½¼«ÉÏ£¬¶øµçѹ±í²»ÐÐ

 C£®µçѹ±í¿ÉÒÔÖ±½Ó½Óµ½µçÔ´µÄÁ½¼«ÉÏ£¬¶øµçÁ÷±í²»ÐÐ

 D£®µçÁ÷±íºÍµçѹ±í¶¼²»ÄÜÖ±½Ó½Óµ½µçÔ´µÄÁ½¼«ÉÏ

***47£®Èçͼ15-13±ÕºÏ¿ª¹ØS£¬µçѹ±í²âµÄµçѹÊÇ£¨   £©¡£[1.0]

A£®R1Á½¶ËµÄµçѹ   B£®R2Á½¶ËµÄµçѹ    C£®R1ºÍR2Á½¶ËµÄµçѹ   D£®µçÔ´Á½¶ËµÄµçѹ

***48£®Ò»¶Îµ¼ÌåÁ½¶ËµÄµçѹÊÇ2Vʱ£¬µ¼ÌåÖеĵçÁ÷ÊÇ0.2A£¬Èç¹ûµçѹÔö´óµ½9Vʱ£¬µ¼ÌåÖеĵçÁ÷±äΪ¶à´ó¡£[1.5]

***49£®Ò»Ö»µç×èÆ÷Á½¶ËµÄµçѹ´Ó3VÔö¼Óµ½3.8Vʱ£¬Í¨¹ý¸Ãµç×èÆ÷µÄµçÁ÷Ôö¼ÓÁË0.2A£¬Ôò¸Ãµç×èÊǶàÉÙ£¿[1.5]

***50£®ÔÚͼ15-14ËùʾµÄµç·ÖУ¬µ±¿ª¹ØS±ÕºÏºó£¬

µçѹ±íV1ºÍV2ʾÊýÏàͬ£¬·¢ÉúµÄ¹ÊÕÏÊÇ£¨   £©¡£[1.5]

     A£®µÆL1µÄµÆË¿¶ÏÁË      B£®µÆL2µÄµÆË¿¶ÏÁË

     C£®¿ª¹ØS´¦¶Ï·        D£®L1Á½½ÓÏßÖù¶Ì·

***51£®µ±µ¼ÌåÁ½¶ËµÄµçѹÊÇ8Vʱ£¬Í¨¹ýµ¼ÌåµÄµçÁ÷ÊÇ0.4A£¬Èç¹ûʹµ¼ÌåÁ½¶ËµÄµçѹÔÙÔö¼Ó6Vʱ£¬¸Ãµ¼ÌåÖеĵçÁ÷ÊÇ£¨   £©A£®0.4A      B£®0.5A         C£®0.7A        D£®0.93A

***52£®Èçͼ15-15Ëùʾ£¬ÊÇ»¬¶¯±ä×èÆ÷½ÓÈëµç·µÄ4ÖÖÇé¿ö£¬µ±±ä×èÆ÷µÄ»¬Æ¬ÏòÓÒÒÆ¶¯Ê±£¬Ê¹µç·ÖеçÁ÷Ôö´óµÄÊÇ£¨   £©¡£

***53£®Éè¼Æµç·¡£ÒªÇó£ºL1ºÍL2´®Áª£¬µçÁ÷±í²âL1µÄµçÁ÷£¬µçѹ±í²âL2Á½¶ËµÄµçѹ£¬»¬¶¯±ä×èÆ÷¿ØÖƵç·ÖеĵçÁ÷²»³¬¹ý0.5A¡£»­³öµç·ͼ£¬²¢ÓÃǦ±ÊÏß´úÌæµ¼Ïß½«Í¼15-16ÖеÄÔª¼þÁ¬½ÓÆðÀ´¡£[3.5]

 

***54£®¼ÓÔÚµ¼ÌåÁ½¶ËµÄµçѹΪ3V£¬Í¨¹ýËüµÄµçÁ÷Ϊ200mA£¬Èç¹û½«Á½¶ËµçѹÔÙÔö¼Ó6Vʱ£¬Ó¦Ñ¡Ê²Ã´Á¿³ÌµÄµçÁ÷±í²âÆäµçÁ÷£¿[1.5]

55£®Èçͼ15-17ËùʾµÄµç·£¬µÆLµÄµç×èΪ10¦¸£¬µçÔ´µçѹΪ6V£¬Èç¹ûµçѹ±í±»¶Ì·£¬ÄÇô£¨   £©A£®µçÁ÷±í±»ÉÕ»µ   B£®µçѹ±í±»ÉÕ»µ  C£®µÆL±»ÉÕ»µ   D£®²»·¢ÉúÈκÎʹÊ

***56£®Ä³Í¬Ñ§×ö·ü°²·¨²âµç×èµÄʵÑéʱ£¬ÎÞÂÛÔõÑùÒÆ¶¯±ä×èÆ÷µÄ»¬Æ¬£¬·¢ÏÖµçѹ±íµÄʾÊý¾ùΪÁ㣬¶øµçÁ÷±íµÄÖ¸ÕëÖ¸ÔÚÂúÁ¿³ÌÖ®Í⣬Õâʱ£¨   £©¡£[1.5]

  A£®Ò»¶¨Êǵçѹ±íÒÑË𻵣¬Ó¦Á¢¼´¶Ï¿ª¹Ø

  B£®Ò»¶¨ÊǵçÁ÷±íÓëµçÔ´Á½¼«Ö±½ÓÏàÁ¬£¬Ó¦Á¢¼´¶Ï¿ª¿ª¹Ø

  C£®¿ÉÄÜÊǵçѹ±í·¢ÉúÁ˹ÊÕÏ£¬¶øµçÁ÷±í¼Èδ½Ó´íҲδËð»µ

  D£®¿ÉÄÜÊǵçÁ÷±íÓëµçѹ±í½Ó³ÉÁË´®Áªµç·

***57£®Èçͼ15-18ËùʾµÄµç·ÖУ¬µçÔ´µçѹ²»±ä£¬µ±¿ª¹Ø±ÕºÏ£¬»¬¶¯±ä×èÆ÷µÄ»¬Æ¬Ïò×óÒÆ¶¯Ê±£¨   £©A£®µçÁ÷±íʾÊý¼õС£¬µçѹ±íʾÊý²»±ä B£®µçÁ÷±íʾÊýÔö´ó£¬µçѹ±íʾÊýÔö´ó

C£®µçÁ÷±íʾÊý¼õС£¬µçѹ±íʾÊý¼õСD£®µçÁ÷±íʾÊýÔö´ó£¬µçѹ±íʾÊý¼õС

´®Áª¡¢²¢Áªµç·µÄÌØµã

»ù´¡ÖªÊ¶Óë»ù±¾¼¼ÄÜ

*1£®´®Áªµç·µÄ×ܵç×èµÈÓÚ                               £¬Ð´³ÉÊýѧ±í´ïʽÊÇ           £»´®Áªµç·ÖеĵçÁ÷               £¬Ð´³ÉÊýѧ±í´ïʽÊÇ          £»´®Áªµç·µÄ×ܵçѹµÈÓÚ                           £¬Ð´³ÉÊýѧ±í´ïʽÊÇ          ¡£

*2£®¼¸¸öµ¼Ìå´®ÁªÆðÀ´×ܵç×è±ÈÆäÖÐÈκÎÒ»¸öµ¼ÌåµÄµç×è¶¼    £¬ÒòΪµ¼ÌåµÄ´®ÁªÏ൱ÓÚÔö¼ÓÁ˵¼ÌåµÄ        ¡£[1.0]

**3£®×èֵΪ10¦¸µÄµç×èR1Óë×èֵΪ25¦¸µÄµç×èR2´®ÁªºóµÄ×ܵç×èÊÇ      ¡£Èôͨ¹ýR1µÄµçÁ÷Ϊ0.2A£¬Ôòͨ¹ýµç×èR2µÄµçÁ÷ÊÇ      £¬R2Á½¶ËµÄµçѹÊÇ     ¡£[1.5]

**4£®R1ÓëR2´®ÁªºóµÄ×ܵç×èΪ350¦¸£¬ÒÑÖªµç×èR1=170¦¸£¬Ôòµç×èR2=      ¦¸¡£

**5£®µç×èR1¡¢R2´®ÁªÔÚµç·ÖУ¬ÒÑÖªR1¡ÃR2=3¡Ã2£¬Ôòͨ¹ýµÄµçÁ÷Ö®±ÈI1¡ÃI2=      £¬µç×èÁ½¶ËµÄµçѹ֮±ÈU1¡ÃU2=         ¡£[2.5]

**6£®R1=5¦¸£¬R2=10¦¸£¬´®Áªºó½Óµ½6VµÄµçÔ´ÉÏ£¬ÔòR1Á½¶ËµÄµçU1Ϊ       £¬R2Á½¶ËµÄµçѹU2Ϊ        £¬U1¡ÃU2=       ¡£[2.5]

**7£®µç×èR1=30¦¸£¬Óëµç×èR2´®Áªºó×ܵç×èΪ90¦¸£¬Ôòµç×èR2Ϊ      ¦¸¡£½«ÕâÁ½¸öµç×è²¢Áª£¬Æä²¢ÁªµÄµç×èΪ       ¦¸¡£[1.5]

8£®´ÖϸÏàͬµÄÁ½¸ùÂÁµ¼Ïߣ¬³¤¶È¹ØÏµÊÇL1£¾L2£¬´®Áª½ÓÈëµç·ºó£¬ÆäµçÁ÷ºÍÁ½¶ËµçѹµÄ¹ØÏµÊÇ£¨  £©A£®I1£¾I2£¬U1£¼U2   B£®I1£¼I2£¬U1£¾U2   C£®I1=I2£¬U1£¾U2  D£®I1=I2£¬U1£¼U2

**9£®´®ÁªµçÂ·Ëæ×ÅÓõçÆ÷µÄ¸öÊýÔö¼Ó£¬Æä×ܵç×裨   £©¡£[1.0]

A£®±ä´ó      B£®±äС      C£®²»±ä       D£®ÎÞ·¨ÅжÏ

**10£®ÒÑÖª£ºR1=4¦¸£¬ËüÓëÒ»Ö»µç×èR2²¢ÁªºóµÄ×ܵç×èÊÇ2.4¦¸£¬Çó£ºR2µÄ×èÖµ¡£[1.5]

**11£®Èçͼ15-19£¬R1=6¦¸£¬U2=3V£¬×ܵçѹΪ7V£¬Çó£ºR2=£¿

**12£®Èçͼ15-20£¬R1=2¦¸£¬R2=3¦¸£¬µçѹ±íµÄʾÊýΪ1V¡£Çó£ºR2Á½¶ËµÄµçѹºÍµçÔ´µçѹ¡£[1.5]

֪ʶµÄÓ¦ÓÃ

**13£®ÔÚ¼ÒÍ¥µç·ÖУ¬Í¬Ê±¹¤×÷µÄÓõçÆ÷Ô½¶à£¬¸É·ÖеĵçÁ÷£¨   £©¡£[0.5]

 A£®Ô½´ó          B£®Ô½Ð¡        C£®²»±ä         D£®ÎÞ·¨ÅжÏ

**14£®½«µç×èR1¡¢R2²¢ÁªÔÚµç·ÖУ¬ÒÑÖªR1=4R2£¬ÔòÔÚͨ¹ýR1¡¢R2µÄµçÁ÷Ö®±ÈΪ£¨   £©[1.5]

 A£®1:4        B£®4:1      C£®2:1       D£®1:16

**15£®½«20Ö»µç×è¶¼ÊÇ9¦¸µÄСµÆÅÝ´®Áªºó½ÓÔÚ36VµÄµçÔ´ÉÏ£¬Í¨¹ýÆäÖÐÒ»¸öСµÆÅݵĵçÁ÷Ϊ       mA¡£[1.0]

**16£®Èçͼ15-21ËùʾµÄµç·£¬µçѹUΪ24V£¬µçÁ÷±íµÄʾÊýΪ1.2A£¬µçѹ±íµÄʾÊýΪ6V£¬Ôòµç×èR1×èֵΪ    ¦¸¡£[1.0]

**17£®µç×èR1ºÍR2´®ÁªºóµÄ×ܵç×èÊÇ1.5k¦¸£¬½ÓÈëµç·ºó£¬R1Á½¶ËµÄµçѹΪ6V£¬R2Á½¶ËµÄµçѹΪ3V£¬ÔòR1µÄ×èÖµÊÇ

     ¦¸¡£[1.5]

**18£®Èçͼ15-22Ëùʾ£¬ÒÑÖªR1=6¦¸£¬U¡ÃU2=4¡Ã1£¬ÔòR2µÄ×èÖµÊÇ    ¦¸£¬U1¡ÃU2=       ¡£[2.0]

**19£®°Ñ6¸öÍêÈ«ÏàͬµÄСµÆÅÝ´®ÁªÆðÀ´£¬½ÓÔÚ24VµÄµç·ÉÏ£¬Ã¿¸öСµÆÅÝÁ½¶ËµÄµçѹÊÇ      V¡£Èôÿ¸öСµÆÅݵĵç×è¶¼ÊÇ16¦¸£¬µç·ÖеĵçÁ÷ÊÇ     A¡£[2.5]

**20£®Èçͼ15-23ËùʾµÄµç·ÖУ¬²¢Áªµç·µÄµçѹU =      £»¸É·ÖеĵçÁ÷I =    £»×ܵç×èµÄµ¹Êý1/R =         ¡£[1.5]

**21£®²¢Áªµç·µÄ×ܵç×è±ÈÆäÖÐÈκÎÒ»¸öµç×è¶¼Òª      £¬ÒòΪµ¼Ìå²¢ÁªÏ൱ÓÚ                            ¡£[1.5]

**22£®Á½¸öÏàͬµÄµç×è²¢ÁªºóµÄ×ܵç×èΪ4¦¸£¬ÄÇô½«ËüÃÇ´®ÁªºóµÄ×ܵç×èÊÇ   ¦¸¡£[1.0]

**23£®½«6Ö»30¦¸µÄµç×è²¢ÁªÆðÀ´£¬Æäµç×èΪ       ¦¸£¬15¦¸µÄµç×èÓë30¦¸µÄµç×è²¢Áª£¬×ܵç×èÊÇ       ¦¸¡£[1.5]

**24£®½«Á½¸öµÆÅÝL1ÓëL2²¢Áª£¬ÓõçÁ÷±í²â³öͨ¹ýL1ºÍ¸É·ÖеĵçÁ÷·Ö±ðΪ0.5AºÍ0.7A£¬Ôòͨ¹ýL2µÄµçÁ÷Ϊ      mA¡£[1.5]

25£®½«Ò»×èֵΪ10¦¸µÄ¾ùÔȵĵç×èË¿¶ÔÕۺ󣬵±³ÉÒ»¸ùʹÓã¬Ôò¶ÔÕÛºóµÄµç×èΪ     ¦¸¡£

***26£®Èçͼ15-24ËùʾµÄµç·£¬R1µÄ×èֵΪ10¦¸£¬µçÁ÷±íµÄʾÊýΪ0.4A£¬µçѹ±íµÄʾÊýΪ3.2V¡£Çó£ºR1Á½¶ËµÄµçѹ£¬R2µÄ×èÖµ¼°µçÔ´µçѹ¡£[2.5]

***27£®Èçͼ15-25£ºU1=6V£¬U=10V£¬Í¨¹ýR1µÄµçÁ÷ÊÇ0.4A£¬Çó£ºR1¡¢R2µÄ×èÖµ¡£[2.5]

***28£®ÅжÏÌ⣺[2.5]

£¨1£©£¨   £©µ¼ÌåµÄµç×è¾ö¶¨ÓÚµ¼ÌåµÄ³¤¶È¡¢ºá½ØÃæ»ýºÍ²ÄÁÏ£¬¶øÓëÁ½¶ËµÄµçѹºÍͨ¹ýµÄµçÁ÷ÎÞ¹Ø

£¨2£©£¨   £©Å·Ä·¶¨Âɹ«Ê½ÖеÄI¡¢U¡¢RÊÇͬһµç·ÉϵĵçÁ÷¡¢µçѹºÍµç×è

£¨3£©£¨   £©´®Áªµç·ÖеÄÈÎÒ»ÓõçÆ÷±»ÉÕ¶Ïʱ£¬ÆäËüÓõçÆ÷ÈÔÈ»Õý³£¹¤×÷

£¨4£©£¨   £©´®Áªµç·ÉÏ£¬ÆäÖÐÒ»¸öµç×èÔö´óʱ£¬×ܵç×èÒ²Ôö´ó

£¨5£©£¨   £©½ðÊôÖÐÄܹ»×ÔÓÉÒÆ¶¯µÄÊÇ×ÔÓɵç×Ó£¬ËùÒÔµçÁ÷ºÍ·½Ïò¾ÍÊÇ×ÔÓɵç×ÓÒÆ¶¯µÄ·½Ïò

 ***29£®Á½ÕµµçµÆL1¡¢L2´®ÁªÔÚ¼ÒÍ¥µç·ÖУ¬Èç¹ûËüÃǵĵç×è·Ö±ðÊÇ440¦¸ºÍ110¦¸£¬Çóµç·ÖеĵçÁ÷ºÍµçµÆL1¡¢L2Á½¶ËµÄµçѹ¸÷¶à´ó£¿[2.5]

***30£®R1ÓëR2´®Áªºó£¬Á¬µ½10VµÄµçÔ´ÉÏ£¬R1=30¦¸£¬²âµÃR1Á½¶ËµÄµçѹΪ6V£¬Ç󣺵ç·ÖеĵçÁ÷ºÍR2µÄ×èÖµ¡£[2.5]

***31£®R1¡¢R2´®Áªºó½Óµ½18VµÄµçÔ´ÉÏ£¬²âµÃͨ¹ýR1µÄµçÁ÷Ϊ0.2A£¬R2µÄµç×èÊÇ40¦¸¡£Çó£ºR1µÄ×èÖµºÍR2Á½¶ËµÄµçѹ¡£[2.5]

***32£®R1=60¦¸£¬R2=70¦¸£¬ËüÃÇ´®Áªºó½Óµ½Ä³µçÔ´ÉÏ£¬²âµÃ5ÃëÖÓͨ¹ýR1µÄµçÁ¿ÊÇ6C£¬ÔòµçÔ´µçѹºÍR2Á½¶ËµÄµçѹ¸÷¶à´ó£¿[2.5]

***33£®Èçͼ15-26ËùʾµÄµç·£¬µçÔ´µçѹΪ20V£¬R1=25¦¸£¬µçÁ÷±íµÄʾÊýΪ0.25A£¬ÇóR2µÄ×èÖµºÍµçѹ±íµÄʾÊý¡£[2.5]

***34£®n¸ö×èÖµ·Ö±ðΪR1¡¢R2¡­¡­Rnµç×è´®ÁªÔÚµçѹΪUµÄµç·ÖУ¬U1¡ÃU2=      £»U1¡ÃU=    £»Un¡ÃU=    ¡£Óɴ˿ɼû´®Áªµç·ÖеÄ×ܵçѹµÄ·ÖÅäÓë¸÷²¿·Öµç×è³É       ¡£[2.5]

***35£®´ÖϸÏàͬµÄÁ½¸ùÄø¸õºÏ½ðÏßAºÍB£¬AµÄ³¤¶È´óÓÚBµÄ³¤¶È£¬½«ËüÃÇ´®Áªºó½ÓÈëµç·£¬Ôòͨ¹ýËüÃǵĵçÁ÷ºÍÁ½¶ËµçѹµÄ¹ØÏµÊÇ£¨   £©¡£[1.5]

A£®IA>IB£¬ UA=UB    B£® IA<IB£¬ U1=U2    C£®IA=IB£¬ UA<UB     D£® IA=IB£¬ UA>UB

***36£®ÓÐÈý¸öµç×裬×èÖµ·Ö±ðÊÇ3¦¸¡¢6¦¸¡¢9¦¸£¬´®Áªºó½Óµ½6VµÄµçÔ´ÉÏ£¬ÔòÈý¸öµç×èÁ½¶ËµÄµçѹ·Ö±ðÊÇ£¨   £©¡£

A£®2V¡¢4V¡¢6V      B£®1V¡¢2V¡¢3V     C£®3V¡¢2V¡¢1V     D£®6V¡¢4V¡¢2V

***37£®ÓÐÒ»µçÁåÕý³£¹¤×÷µÄµçѹÊÇ12V£¬Òª½«´ËµçÁå½Óµ½µçѹÊÇ20VµÄµçÔ´ÉÏ£¬Ó¦ÈçºÎ°ì£¿ 

***38£®Ò»°Ñµç¸õÌú£¬Õý³£¹¤×÷µÄµç×èÊÇ72¦¸£¬Í¨¹ýµÄµçÁ÷ÊÇ0.1A£¬ÎʱØÐë¸øËü´®ÁªÒ»¸ö¶à´óµÄµç×è²ÅÄܰѽӵ½220VµÄµçÔ´ÉÏ£¿[2.5]

***39£®Ò»¸öÓõçÆ÷Õý³£¹¤×÷µÄµçѹΪ6V£¬×èֵΪ15¦¸£¬½«ËüÓëÒ»Ö»12¦¸µÄµç×è´®Áªºó½Óµ½µçѹÊǶà´óµÄµçÔ´ÉÏ£¬´ËÓõçÆ÷²ÅÄÜÕý³£¹¤×÷£¿[2.5]

***40£®Á½¸öµç×èR1¡¢R2£¬ËüÃǵÄ×èÖµ·Ö±ðÊÇ10¦¸¡¢20¦¸£¬½«ËüÃÇ´®Áªºó½ÓÔÚµçѹΪ6VµÄµçÔ´ÉÏ£¬Í¨µç5min£¬Ôòͨ¹ýR1¡¢R2µÄµçÁ¿·Ö±ðÊÇ£¨   £©¡£[1.5]

A£®1C£¬2C      B£®180C£¬90C  C£®40C£¬20C     D£®60C£¬60C   

***41£®½«µç×èR1¡¢R2´®ÁªÔÚµç·ÖУ¬ÒÑÖª£ºR1=3R2£¬×ܵçѹΪ4V£¬ÔòR1Á½¶ËµÄµçѹΪ£¨   £©¡£

A£®4V        B£®3V        C£®2V          D£®1V

***42£®Á½¸ù³¤¶ÈÏàͬ£¬´Öϸ²»Í¬µÄÃÌÍ­Ë¿£¬°ÑËüÃÇ´®ÁªÔÚµç·ÖУ¬Ôò£¨   £©¡£[1.5]

A£®´ÖµÄµçÁ÷´ó£¬ÇÒµçѹҲ´ó     B£®Ï¸µÄµçÁ÷´ó£¬ÇÒµçѹҲ´ó

C£®´ÖµÄ¡¢Ï¸µÄµçÁ÷Ò»Ñù´ó£¬µ«Ï¸µÄµçѹ´óD£®´ÖµÄ¡¢Ï¸µÄµçÁ÷Ò»Ñù´ó£¬µ«´ÖµÄµçѹ´ó

***43£®Ò»¶Îµ¼ÌåµÄµç×èÔö¼Ó3¦¸ºó£¬½ÓÔÚÔ­µçÔ´ÉÏ£¬·¢ÏÖͨ¹ý¸Ãµ¼ÌåµÄµçÁ÷ÊÇÔ­À´µÄ4/5£¬Ôò¸Ãµ¼ÌåÔ­À´µÄ×èÖµÊǶàÉÙ£¿[2.5]

***44£®Èçͼ15-27ËùʾµÄµç·£¬R1=20¦¸£¬±ä×èÆ÷R2µÄ×èÖµ·¶Î§Îª0¡«40¦¸£¬µ±±ä×èÆ÷»¬Æ¬PÒÆÖÁ±ä×èÆ÷µÄÖеãʱ£¬µçÁ÷±íµÄʾÊýΪ0.5A£¬ÄÇôµ±±ä×èÆ÷»¬Æ¬PÒÆÖÁ×èÖµ×î´óλÖÃʱ£¬µçÁ÷±íµÄʾÊý¶à´ó£¿[3.5]

***45£®Èçͼ15-28Ëùʾ£¬Ð¡µÆÅÝÕý³£·¢¹âʱµÆË¿µÄµç×èÊÇ7.5¦¸£¬µçѹÊÇ1.5V¡£Èç¹ûµçÔ´µçѹΪ4V£¬ÒªÊ¹Ð¡µÆÅÝÕý³£·¢¹â£¬Ó¦´®ÁªÒ»¸ö±ä×èÆ÷·ÖÈ¥µçѹ    V£¬²¢¿ØÖƵç·ÖеĵçÁ÷Ϊ     A£¬µ÷½Ú»¬¶¯±ä×èÆ÷µÄ×èֵΪ     ¦¸¡£[2.5]

***46£®Èçͼ15-29Ëùʾ£¬µçÁ÷±íµÄʾÊýÊÇ0.3A£¬µÆÅÝLµÄµç×èΪ3¦¸£¬Õû¸öµç·µÄµç×èΪ30¦¸£¬ÄÇô£¬µÆÅÝÁ½¶ËµÄµçѹΪ     V£¬µçѹ±íµÄʾÊýÊÇ  V¡£

***47£®Èçͼ15-30ËùʾµÄµç·ÖУ¬µ±±ä×èÆ÷µÄ»¬Æ¬ÔÚÏòÓÒÒÆ¶¯¹ý³ÌÖУ¬±ä×èÆ÷Á¬½ÓÈëµç·µÄ×èÖµ½«       £¬µç·ÖеĵçÁ÷½«       £¬µç×èR1Á½¶ËµÄµçѹ½«      ¡££¨Ìî¡°±ä´ó¡±¡¢¡°±äС¡±»ò¡°²»±ä¡±£©[2.5]

***48£®Èçͼ15-31Ëùʾµ±»¬¶¯±ä×èÆ÷µÄ»¬Æ¬×Ô×óÏòÓÒÒÆ¶¯µÄ¹ý³ÌÖУ¬µç·µÄ×ܵç×è¡¢µçÁ÷±íʾÊýºÍµçѹ±íʾÊýµÄ±ä»¯Çé¿ö·Ö±ðÊÇ£¨   £©¡£[1.5]

 A£®±äС¡¢±ä´ó¡¢²»±ä       B£®²»±ä¡¢±ä´ó¡¢±äС

 C£®±ä´ó¡¢±äС¡¢±äС       D£®±ä´ó¡¢±ä´ó¡¢±ä´ó

***49£®Èçͼ15-32£¬R1=10¦¸£¬R2ÊÇ×èֵΪ0¡«40¦¸µÄ±ä×èÆ÷£¬µçÔ´µçѹΪ10V¡£µ±PÔÚB¶Ëʱ£¬µçѹ±íµÄʾÊý¶à´ó£¿µ±PÔÚABÖеãʱ£¬µçÁ÷±í¡¢µçѹ±íµÄʾÊý¸÷¶à´ó£¿[2.5]

***50£®R1=5¦¸£¬R2=7¦¸£¬½«R1¡¢R2´®ÁªÔÚijµç·ÉÏ£¬Í¨¹ýÁ½µç×èµÄµçÁ÷Ö®±ÈI1¡ÃI2=       £¬Á½µç×èÁ½¶ËµÄµçѹ֮±ÈU1¡ÃU2=       ¡£[2.0]

***51£®ÏÂÁи÷ͼ15-33ÖУ¬»¬¶¯±ä×èÆ÷»¬Æ¬PÒÆ¶¯Ê±£¬µçѹ±í¡¢µçÁ÷±íµÄʾÊý¸÷ÔõÑù±ä»¯£º

Èô»¬Æ¬PÏòÓÒÒÆ¶¯£º         Èô»¬Æ¬PÏò×óÒÆ¶¯£º       Èô»¬Æ¬PÏòÓÒÒÆ¶¯£º

µçÁ÷±íʾÊý      £»        µçÁ÷±íʾÊý      £»       µçÁ÷±íʾÊý      £»

µçѹ±íʾÊý      £»        µçѹ±íʾÊý      £»       µçѹ±íʾÊý      £»

***52£®Èçͼ15-34ËùʾµÄµç·£¬Òƶ¯»¬Æ¬P£¬Ê¹µçѹ±íµÄʾÊýÓÉU1±ä»¯µ½U2£¬U1¡ÃU2=5¡Ã2£¬Ôò»¬¶¯±ä×èÆ÷»¬Æ¬Òƶ¯Ç°ºó£¬Í¨¹ýµç×èRµÄµçÁ÷Ö®±ÈΪ£¨   £©¡£[2.5]

A£®5¡Ã2    B£®2¡Ã5   C£®1¡Ã1     D£®ÎÞ·¨ÅжÏ

***53£®½«µç×èR1ºÍR2×é³É´®Áªµç×裬R1¡ÃR2=3¡Ã1£¬Èç¹ûµç·Á½¶ËµÄ×ܵçѹÊÇ12V£¬ÄÇôR1Á½¶ËµÄµçѹÊÇ£¨   £©¡£[2.0]

 A£®4V       B£®3V        C£®8V       D£®9V

***54£®Èçͼ15-35ËùʾµÄµç·£¬µçÔ´µçѹΪ12V²»±ä£¬R1=8¦¸£¬R2ÊÇ×î´ó×èֵΪ60¦¸µÄ±ä×èÆ÷¡£Çóµçѹ±íºÍµçÁ÷±íµÄ±ä»¯·¶Î§¡£[2.5]

***55£®Èçͼ15-36ËùʾµÄµç·£¬µçÔ´µçѹΪ12VÇÒ±£³Ö²»±ä¡£R1=10¦¸£¬R2ÊÇ0¡«50¦¸µÄ±ä×èÆ÷¡£Çóµ±±ä×èÆ÷»¬Æ¬Òƶ¯Ê±£¬µçÁ÷±í¡¢µçѹ±íµÄʾÊý±ä»¯·¶Î§¡£[2.5]

***56£®Ä³ÓõçÆ÷R1ÉϱêÓС°10¦¸  3A¡±£¬ÁíÒ»ÓõçÆ÷R2ÉϱêÓС°50¦¸  1.5A¡±£¬´®Áªºó½Óµ½µçÔ´ÉÏ£¬ÎªÁËʹÓõçÆ÷Õý³£¹¤×÷£¬µçÔ´µçѹӦ²»³¬¹ýºÎÖµ£¿[2.5]

***57£®Èçͼ15-37ËùʾµÄµç·£¬µÆL1¡¢L2ÊÇ      ÁªµÄ£¬µ±¿ª¹ØS±ÕºÏºó£¬µçÁ÷±íA1µÄʾÊýΪ0.2A£¬A2µÄʾÊýΪA1ʾÊýµÄ3±¶£¬ÔòA3µÄʾÊýΪ      A¡£

***58£®1¦¸ºÍ10¦¸µÄµç×è²¢ÁªºóµÄ×ܵç×èÊÇR1£¬1¦¸¡¢10¦¸ºÍ100¦¸µÄÈýµç×è²¢ÁªºóµÄ×ܵç×èÊÇR2£¬ÔòR1¡¢R2µÄ´óС¹ØÏµÊÇ£¨   £©¡£      

A£®R1<R2      B£®R1>R2       C£®R1=R2        D£®ÎÞ·¨ÅжÏ

***59£®Ñ§Ð£ÕÕÃ÷µç·µÄ×ܵç×裨   £©¡£[1.5]

A£®Ö»¿ªÒ»ÕµµÆÊ±×ܵç×è×îС          B£®²»¿ªµÆÊ±×ܵç×è×îС

C£®ËùÓеƶ¼¿ª×Åʱ×ܵç×è×îС        D£®ËùÓеƶ¼¿ª×Åʱ×ܵç×è×î´ó

60£®Èçͼ15-38ËùʾµÄµç·£¬µ±»¬¶¯±ä×èÆ÷µÄ»¬Æ¬ÏòÓÒÒÆ¶¯Ê±£¬µçÁ÷±í¡¢µçѹ±íµÄʾÊý±ä»¯Çé¿ö·Ö±ðÊÇ£¨   £©A£®±ä´ó£¬±ä´ó  B£®±äС£¬±äС    C£®±äС£¬²»±ä     D£®±ä´ó£¬²»±ä

***61£®ÏÂÃæËĶԲ¢ÁªµÄµç×裬×ܵç×è×îСµÄÊÇ£¨   £©¡£[1.5]

A£®Á½¸ö4¦¸µÄ            B£®Ò»¸ö4¦¸£¬Ò»¸ö6¦¸

C£®Ò»¸ö1¦¸£¬Ò»¸ö8¦¸     D£®Ò»¸ö2¦¸£¬Ò»¸ö7¦¸

***62£®ÓÐÒ»¸ù´Öϸ¾ùÔȵÄÃÌÍ­Ïߣ¬×èֵΪR£¬½«Æä¶ÔÕÛºóµÄµç×èÊÇÔ­µç×èµÄ£¨   £©¡£[1.5]

     A£®1/2±¶        B£®1/4±¶          C£®1/8±¶          D£®2±¶

***63£®Á½¸öµç×è²¢ÁªºóµÄ½ÓÈëµç·£¬×ܵç×èΪR£¬Èô½«ÆäÖÐÈÎÒ»µç×èµÄ×èÖµ¼õС£¬Ôò×ܵç×轫     R£»Èô½«ÆäÖÐÈÎÒ»¸öµç×èµÄ×èÖµÔö´ó£¬Ôò×ܵç×轫     R¡££¨Ìî¡°£¾£¬£¼»ò=¡±[1.5]

***64£®Á½¸öͬÑùµÄµç×è´®ÁªºóµÄ×ܵç×èÊÇ36¦¸£¬Èô½«ËüÃDz¢Áªºó£¬×ܵç×èÊÇ      ¦¸¡£

***65£®µ¼Ìå´®ÁªºóÏ൱ÓÚÔö¼ÓÁ˵¼ÌåµÄ       £¬Òò´Ëµ¼Ìå´®Áªºó×ܵç×è       £»µ¼Ìå²¢ÁªºóÏ൱ÓÚÔö¼Óµ¼ÌåµÄ           £¬µ¼Ìå²¢Áªºó×ܵç×è      ¡£[1.5]

***66£®Ò»¸ù´Öϸ¾ùÔȵĵç×èÏߣ¬×èֵΪR£¬½«ÆäÓÃÀ­Ë¿»ú¾ùÔÈÀ­³¤ÎªÔ­À´µÄ2±¶£¬ÔÙ½«Æä¶ÔÕÛ£¬ÔòËüµÄµç×èÖµ     R¡££¨Ìî¡°£¾¡±£¬¡°£¼¡±»ò¡°=¡± [1.5]

***67£®ÏÖÓÐ20¦¸µÄµç×èÈô¸É£¬ÊµÑéʱÐèÒªÓÃ5¦¸µÄµç×èÒ»Ö»£¬Ó¦Óà    Ö»20¦¸µÄµç×è     Áª£»ÈôÐèÒª80¦¸µÄµç×èÒ»Ö»£¬Ó¦Óà   Ö»20¦¸µÄµç×è    Áª¡£[1.5]

***68£®ÏÖÓÐ×èÖµ·Ö±ðÊÇ2¦¸£¬5¦¸£¬8¦¸ºÍ20¦¸µÄµç×è¸÷Ò»¸ö£¬Òª»ñµÃ4¦¸µÄµç×è¿ÉÒÔ½«           µÄµç×è     Áª£»Èç¹ûÒª»ñµÃ10¦¸µÄµç×裬ÔòÓ¦½«            µÄµç×è     Áª¡£[2.5]

***69£®Èçͼ15-39ËùʾµÄµç·ÖУ¬µçÁ÷±íµÄ¶ÁÊý£ºA1Ϊ0.12A£¬A2Ϊ0.08A£¬A3Ϊ0.1A£¬µçѹ±íµÄʾÊýΪ2.8V¡£ÓÉ´Ë¿ÉÖª¸É·ÖеĵçÁ÷ÊÇ      A£»µÆL1Á½¶ËµÄµçѹΪ     V£¬µÆL2Á½¶ËµÄµçѹΪ      V¡£[2.5]

70£®µç×èR1=1¦¸£¬R2=24¦¸£¬°ÑËüÃDz¢ÁªºóµÄ×ܵç×裨  £©¡£A£®Ò»¶¨´óÓÚ24¦¸£¬  B£®´óÓÚ1¦¸£¬Ð¡ÓÚ24¦¸

C£®Ò»¶¨Ð¡ÓÚ1¦¸       D£®¿ÉÄܵÈÓÚ1¦¸

***71£®²¢Áªµç·£¬Ëæ×Ų¢ÁªÖ§Â·ÊýÄ¿Ôö¼Ó£¬Æä×ܵç×轫£¨   £©¡£[1.0]

A£®±ä´ó          B£®±äС           C£®²»±ä          D£®ÎÞ·¨ÅжÏ

***72£®´®ÁªºóµÄ×ܵç×èΪ10¦¸µÄÁ½¸öµç×裬²¢Áªºó¿ÉÄܵÄ×î´ó×ܵç×èÊÇ£¨   £©¡£[2.5]

 A£®2.4¦¸          B£®2.5¦¸         C£®5¦¸            D£®1.25¦¸

***73£®n¸ö×èÖµÏàͬµÄµç×裬´®ÁªµÄ×ܵç×èÓë²¢ÁªºóµÄ×ܵç×èÖ®±È£¨   £©¡£[2.0]

A£®n:1            B£®n2:1          C£®1:n             D£®1:n2

***74£®Èçͼ15-40ËùʾµÄµç·£¬»¬¶¯±ä×èÆ÷µÄ»¬Æ¬PÏòÓÒÒÆ¶¯Ê±£¬¸÷µç±íʾÊý±ä»¯Çé¿öÊÇ£¨   £©¡£[2.0]

 A£®V1Ôö´ó£¬V2¼õС£¬A¼õС 

 B£®V1Ôö´ó£¬V2¼õС£¬AÔö´ó

 C£®V1¼õС£¬V2Ôö´ó£¬AÔö´ó

 D£®V1¼õС£¬V2Ôö´ó  A¼õС

***75£®Èçͼ15-41Ëùʾ£¬R1=R2=10¦¸£¬ÔòA¡¢B¼äµÄ×ܵç×èÊÇ£¨   £©¡£[1.0]

 A£®5¦¸     B£®10¦¸     C£®20¦¸    D£®0¦¸

***76£®Èçͼ15-42£¬R1=5¦¸£¬R2=20¦¸£¬ÒÑÖª¸É·ÖеĵçÁ÷ÊÇ0.5A£¬Çóµç·Á½¶ËµÄµçѹºÍͨ¹ýµÄµç×èµÄµçÁ÷¡£[2.0]

***77£®Èçͼ15-42£¬Èôµç·Á½¶ËµÄµçѹÊÇ9V£¬I=0.2A£¬I1=0.15A¡£Çó£ºR1¡¢R2µÄ×èÖµ¡£[2.5]

***78£®Èçͼ15-43£¬µçÔ´µçѹÊÇ18V£¬R1=60¦¸£¬R2=10¦¸£¬I1=0.2A¡£Çó£ºI2=£¿£¬I=£¿[2.5]

***79£®Ò»¶Îµç×èÁ½¶ËµÄµçѹÊÇ4Vʱ£¬Í¨¹ýËüµÄµçÁ÷ÊÇ0.2A£¬Èç¹ûÔÚËüÁ½¶ËÔÙ²¢ÁªÉÏ×èֵΪRµÄµç×èʱ£¬¸É·ÖеĵçÁ÷Ôö¼ÓÁË0.4A£¬ÄÇôµç·µÄ×ܵç×èR×ܺÍRµÄ×èÖµ¸÷ÊǶà´ó£¿[2.5]

***80£®Èçͼ15-44£ºR1=10¦¸£¬R2=20¦¸£¬S¶Ï¿ªÊ±£¬µçÁ÷±íµÄʾÊýΪ0.6A.ÇóS±ÕºÏʱµçÁ÷±íµÄʾÊý¡£[2.5]

  

***81£®Èçͼ15-45ËùʾµÄµç·£¬µÆLµÄµç×èRL=40¦¸£¬RÊDZêÓС°20¦¸ 1.5A¡±×ÖÑùµÄ±ä×èÆ÷£¬µçÔ´ÊÇÓÉÁ½½Ú¸Éµç³Ø´®Áª¶ø³ÉµÄµç³Ø×é¡£ÊÔÇóµçÁ÷±íºÍµçѹ±íµÄ±ä»¯·¶Î§¡£[2.5]

***82£®°ÑR1ÓëR2²¢Áªºó½ÓÔÚµçÔ´ÉÏ£¬µ±R1¼õСʱ£¬Æä×ܵç×裨   £©¡£[1.0]

A£®Ò»¶¨¼õС     B£®Ò»¶¨Ôö´ó       C£®¿ÉÄÜ»áÔö´ó     D£®¿ÉÄÜ»á¼õС

***83£®°ÑÁ½¸ù³¤¶ÈÏàͬ´Öϸ²»Í¬µÄÄø¸õºÏ½ðÏßÁ¬½ÓÔÚµç·ÖУ¬Èôͨ¹ýËüÃǵĵçÁ÷ÏàµÈ£¬ÔòËüÃǵÄÁ¬½Ó·½Ê½ÊÇ£¨   £©¡£[1.0]A£®Ò»¶¨ÊÇ´®Áª        B£®Ò»¶¨ÊDz¢Áª

 C£®¿ÉÄÜÊÇ´®Áª£¬Ò²¿ÉÄÜÊDz¢Áª        D£®ÎÞ·¨ÅжÏ

***84£®Èçͼ15-46ËùʾµÄµç·£¬R1=2R2£¬µçÁ÷±íÔÚA¡¢BÁ½´¦²âµÃµÄµçÁ÷·Ö±ðΪIAºÍIB£¬Ôò£¨   £©¡£[2.5]

 A£®IA=IB   B£®IA=IB   C£®IA=IB   D£®IA=IB

***85£®½«µç×èR1¡¢R2²¢Áªºó½Óµ½Ä³µçÔ´ÉÏ£¬¸É·ÖеĵçÁ÷ΪI£¬Ôò£¨   £©¡£[2.5]

 A£®R1ÖеĵçÁ÷Ϊ  B£®µçÔ´µçѹΪ£¨£©I

 C£®R2ÉϵĵçѹΪIR2       D£®R1¡¢R2Éϵĵçѹ֮±ÈΪR2:R1

***86£®Èçͼ15-47ËùʾµÄµç·£¬µçÁ÷±íA1ÓëµçÁ÷±íA2µÄ¶ÁÊýÖ®±ÈÊÇ5:2£¬ÔòÁ½¸öµç×èR1ÓëR2Ö®±ÈÊÇ£¨   £© A£®2:5     B£®5:2      C£®3:2      D£®2:3

***87£®Èçͼ15-48ËùʾµÄµç·£¬µ±¿ª¹ØS¶Ï¿ªÊ±£¬µçÁ÷±íµÄʾÊýÊÇ1A£¬¿ª¹Ø±ÕºÏʱ£¬µçÁ÷±íµÄʾÊý½«£¨   £©¡£A£®²»±ä     B£®Ôö¼Óµ½2A    C£®¼õÉÙµ½1/2A   D£®Ôö¼Óµ½4A

***88£®Èçͼ15-49£¬µçÔ´µçѹ4V£¬R1=R2=4¦¸£¬R3=2¦¸¡£µçÁ÷±íA1¡¢A2¡¢A3µÄʾÊý·Ö±ðÊǶàÉÙ£¿[3.5]

***89£®Èçͼ15-50ËùʾµÄµç·£¬R1=2¦¸£¬R2=6¦¸£¬¿ª¹Ø±ÕºÏºó£¬µçÁ÷±íµÄʾÊýΪ4.8A£¬Çó£º[3.5]

£¨1£©µç·µÄ×ܵç×裻

£¨2£©µç×èR1¡¢R2Á½¶ËµÄµçѹ֮±È£»

£¨3£©Í¨¹ýR1¡¢R2µÄµçÁ÷Ö®±È¡£

֪ʶµÄÍØÕ¹

****90£®Èçͼ15-51£¬µ±S±ÕºÏʱ£¬µçÁ÷±íµÄʾÊý1.5A£¬µçѹ±íµÄʾÊýΪ9V¡££¨1£©ÇóµçÔ´µçѹºÍR1µÄ×èÖµ£»£¨2£©µ±S¶Ï¿ªÊ±£¬µçѹ±íµÄʾÊýΪ6V£¬µçÁ÷±íµÄʾÊýΪ1A£¬R2µÄ×èÖµÊǶà´ó£¿[3.5]

****91£®Èçͼ15-52ËùʾµÄµç·£¬µçÔ´µçѹ12VÇÒ±£³Ö²»±ä¡£R1=8¦¸£¬R2Ϊ0¡«12¦¸µÄ»¬¶¯±ä×èÆ÷¡£¿ª¹ØSºÏÉϺ󣬱ä×èÆ÷»¬Æ¬P´ÓA¶ËÒÆ¶¯µ½B¶Ëʱ£¬ÇóµçÁ÷±í¡¢µçѹ±íµÄ±ä»¯·¶Î§¡£

[3.5]

****92£®Èçͼ15-53ËùʾµÄµç·£¬R1£½9¦¸£¬R2£½6¦¸£¬R3£½4¦¸¡£¿ª¹ØS1¡¢S2¾ù¶Ï¿ªÊ±£¬µçѹ±íµÄʾÊýΪ5.4V¡£Ç󣺣¨1£©¿ª¹ØS1¡¢S2¾ù±ÕºÏʱ£¬µçÁ÷±í¡¢µçѹ±íµÄʾÊý¡££¨2£©½öºÏÉÏ¿ª¹ØS2ʱ£¬µçѹ±í¡¢µçѹ±íµÄʾÊý¡£[3.5]

****93£®Èçͼ15-54ËùʾµÄµç·£¬µÆL2µÄ×èÖµR2£½20¦¸£¬µ±S1¶Ï¿ª£¬S2ºÏÉÏʱ£¬µçÁ÷±í¡¢µçѹ±íµÄʾÊý·Ö±ðΪ0.3AºÍ3V¡£Ç󣺣¨1£©µçÔ´µçѹ£»£¨2£©S1¡¢S2¾ùºÏÉÏʱ£¬µçÁ÷±í¡¢µçѹ±íµÄʾÊý¡£[3.5]

****94£®Èçͼ15-55Ëùʾ£¬R1£½15¦¸£¬R2£½10¦¸£¬µ±S1ºÏÉÏ¡¢S2¶Ï¿ªÊ±£¬µçÁ÷±íµÄʾÊýΪ0.4A£»µ±S1¡¢S2¾ùºÏÉÏʱ£¬µçÁ÷±íµÄʾÊýΪ0.6A¡£Ç󣺣¨1£©R3µÄ×èÖµ£»£¨2£©S1¡¢S2¾ù¶Ï¿ªÊ±£¬µçÁ÷±íµÄʾÊý¡£[3.5]

****95£®Èçͼ15-56ËùʾµÄµç·£¬µçÔ´µçѹ±£³Ö6V²»±ä¡£µÆL1µÄµç×èΪ15¦¸£¬µ±¿ª¹ØS1¡¢S2±ÕºÏʱ£¬µçÁ÷±íµÄʾÊýΪ1A£¬ÇóµÆL2µÄµç×è¡££¨2£©µ±¿ª¹ØS1¡¢S2¶¼¶Ï¿ªÊ±£¬µçÁ÷±íµÄʾÊýΪ0.3A£¬ÇóL3µÄµç×è¡£[3.5]

****96£®Èçͼ15-57ËùʾµÄµç·£¬µçÔ´µçѹΪ12VÇÒ±£³Ö²»±ä¡£R1£½6¦¸£¬R3£½4¦¸£¬µ±S1¡¢S2¾ù¶Ï¿ªÊ±£¬µçÁ÷±íµÄʾÊýΪ1.2A¡£Ç󣺣¨1£©R2µÄ×èÖµ£»£¨2£©µ±S1¡¢S2¾ùºÏÉÏʱ£¬µçÁ÷±íºÍµçѹ±íµÄʾÊý£»£¨3£©½öºÏÉÏS1ʱ£¬µçÁ÷±í¡¢µçѹ±íµÄʾÊý¡£[3.5]

****97£®Èçͼ15-58Ëùʾµç·ÖУ¬RL=6¦¸£¬µçÁ÷±íµÄÁ¿³ÌΪ0¡«0.6A£¬µçѹ±íµÄÁ¿³ÌΪ0¡«3V£¬µçÔ´µçѹΪ8V¡£ÎªÁËʹÁ½±í¶¼Äܰ²È«Ê¹Ó㬶Աä×èÆ÷Á¬Èëµç·µÄ×èÖµÓкÎÒªÇó£¿[3.5]

****98£®Èçͼ15-59Ëùʾ£¬R1Ϊ0¡«200¦¸µÄ±ä×èÆ÷£¬R2=50¦¸£¬µçÔ´µçѹΪ20V£¬µçÁ÷±íµÄÁ¿³ÌA1ÊÇ0¡«0.6A£¬µçÁ÷±íA2µÄÁ¿³ÌÊÇ0¡«3A¡£ºÏÉÏS£¬µ±»¬¶¯±ä×èÆ÷µÄ»¬Æ¬Î»ÓÚR1µÄÖеãʱ£¬1minͨ¹ýR1µÄµçÁ¿ÊǶàÉÙ£¿ÎªÁËʹÁ½±í¶¼²»Ë𻵣¬R1Á¬Èëµç·µÄµç×èÖ»ÄÜÔÚʲô·¶Î§Äڱ仯£¿[4.5]

****99£®ÊµÑ飺¸øÄãÒ»¸öµç³Ø×飬һֻµçѹ±í£¬Ò»Ö»ÒÑÖª×èÖµµÄ¶¨Öµµç×èR£¬Ò»Ö»¿ª¹ØºÍ¼¸¸ùµ¼Ïߣ¬ÇëÄãÓÃÀ´²âÒ»¸öδ֪×èÖµµÄµç×èRX¡£ÒªÇ󣺣¨1£©»­³öµç·ͼ£»£¨2£©¼òÊöʵÑéÔ­ÀíºÍ²½Ö裻£¨3£©Ð´³ö¼ÆËãRXµÄ¹«Ê½¡£[4.5]

 

****100£®Èçͼ15-60ËùʾµÄ·½¿ò³ÆÎªºÚÏ䣨¿´²»¼ûÄÚ²¿Çé¿öµÄÒâ˼£©£¬ËüÍâÃæÓÐËĸö½ÓÏßÖù£¬²¢ÖªµÀÄÚ²¿ÓÐÈýÖ»×èÖµÏàͬµÄµç×裬µ«²»ÖªµÀ½Ó·¨¡£¾­´ÓÍⲿ¶ÔËĽÓÏßÖù½øÐвⶨ£¬µÃÖªRAD=RBC=R£¬RAB=RCD=2R¡£ÇëÔÚºÚÏäÄÚ»­³öµç×èµÄÁ¬½Ó·½·¨¡£[3.5]

¼ì ²â Ìâ

£¨Ã¿Ìâ10·Ö£¬¹²100·Ö£»Íê³Éʱ¼ä30·ÖÖÓ£©

»ù´¡ÖªÊ¶Óë»ù±¾¼¼ÄÜ*1£®µçѹÊÇʹµç·ÖÐÐγɠ     µÄÔ­Òò¡£µç×èÊDZíʾµ¼Ìå¶ÔµçÁ÷µÄ      ×÷Óõ쬯äËüÌõ¼þÒ»¶¨Ê±£¬µç×èÔ½´ó£¬µçÁ÷ԽС¡£

*2£®ÔÚÓÃʵÑéÑо¿Ò»¶Îµ¼Ìå(µç×è)ÖеĵçÁ÷ÓëËüÁ½¶ËµçѹµÄ¹ØÏµÊ±£¬Ó¦µ±ÔËÓû¬¶¯±ä×èÆ÷½øÐе÷½Ú£¬²»¶ÏµØ¸Ä±ä        Öµ£¬²¢¼Ç¼¶ÔÓ¦µÄ         Öµ£¬È»ºó¶ÔÊý¾Ý½øÐзÖÎöµÃ³ö½áÂÛ£»ÔÚÑо¿Ò»¶Îµ¼Ìå(µç×è)ÖеĵçÁ÷Óëµ¼Ìåµç×èµÄ¹ØÏµÊ±£¬Ã¿´ÎʵÑéÓ¦»»Óò»Í¬×èÖµµÄµ¼Ì壬²¢ÔËÓû¬¶¯±ä×èÆ÷½øÐе÷½Ú£¬Ê¹Ã¿Ò»´Îµ¼ÌåÁ½¶ËµÄµçѹ       £¬²¢¼Ç¼¶ÔÓ¦µÄ        Öµ£¬È»ºó¶ÔÊý¾Ý½øÐзÖÎö£¬µÃ³ö½áÂÛ¡£×ÛºÏÒÔÉÏÁ½·½ÃæµÄʵÑé½á¹û¿ÉµÃµ½ÖøÃûµÄÅ·Ä·¶¨ÂÉ£¬ÆäÄÚÈÝÊÇ                                     ¡£

**3£®Ò»¶Îµ¼ÌåÁ½¶ËµÄµçѹÊÇ6Vʱ£¬Í¨¹ýµ¼ÌåµÄµçÁ÷ÊÇ200mA£¬Ôò¸Ãµ¼ÌåµÄ×èֵΪ

      ¦¸£»Èôʹ¸Ãµ¼ÌåÁ½¶Ëµçѹ±äΪ3V£¬Ôò¸Ãµ¼ÌåµÄµç×èΪ        ¦¸¡£

**4£®ÒÑÖªÁ½¸öµ¼ÌåµÄµç×è·Ö±ðΪR1£½4¦¸£¬R2£½6¦¸¡£Èô½«ËüÃÇ´®Áª½ÓÈ˵ç·£¬Ôò×ܵç×èΪ     ¦¸£¬ËüÃǸ÷×ÔÁ½¶ËµÄµçѹU1¡ÃU2=      £»Èô½«ËüÃDz¢Áª½ÓÈ˵ç·£¬Ôò×ܵç×èΪ      ¦¸£¬Í¨¹ýËüÃǵĵçÁ÷Ö®±ÈI1¡ÃI2=         ¡£

֪ʶµÄÓ¦ÓÃ

**5£®µç×èR1:R2=4:3£¬ËüÃDz¢Áªºó½ÓÈëµç·ÖУ¬Í¨¹ýËüÃǵĵçÁ÷Ö®±ÈΪ        £¬ËüÃÇÁ½¶ËµÄµçѹ֮±ÈΪ       ¡£

**6£®ÔÚ²¢Áªµç·ÖУ¬Í¨¹ý֧·µÄµçÁ÷¸ú¸Ã֧·µÄµç×è³É      ±È£¬²¢Áªµç·¾ßÓÐ

         ×÷Óá£

***7£®n¸öµÈÖµµç×è²¢Áªºó£¬×ܵç×èRµÈÓÚijһµç×èµÄ      ±¶£¬×ܵçÁ÷µÈÓÚijһÌõ֧·µçÁ÷µÄ     ±¶¡£

***8£®ÒÑÖª£ºR1<R2£¬½«Í¼15-1ÖеÄËÄÖÖ²»Í¬½Ó·¨½Óµ½Í¬Ò»µçÔ´µÄÁ½¼«¼ä£¬µç·ÖеĵçÁ÷×îСµÄÊÇ£¨   £©¡£

֪ʶµÄÍØÕ¹****9£®¸øÄãÒ»¸öµç³Ø×飬һֻµçÁ÷±í£¬Ò»Ö»ÒÑÖª×èÖµµÄ¶¨Öµµç×èR£¬ÒÔ¼°¿ª¹Ø¡¢µ¼Ïß¡£ÓÃÕâЩÆ÷²Ä²âÒ»¸öδ֪×èÖµµÄµç×èRxµÄ×èÖµ¡£ÒªÇó£º(1)»­³öµç·ͼ£»(2)д³öÖ÷Òª²½ÖèºÍ¼ÆËãʽ¡£

****10£®Ä³Í¬Ñ§Ó÷ü°²·¨²âһֻСµÆÅݵĵç×裬ÇëÄã»Ø´ð¸ÃͬѧÔÚʵÑéÖÐÓöµ½µÄÎÊÌ⣺

(1)µÆÅݵÄÁÁ¶ÈÔÚËû¿´À´ÊÇÕý³£Ê±£¬ËûÍ£Ö¹Á˶Ի¬¶¯±ä×èÆ÷µÄµ÷½Ú£¬²¢Ï¸Ðĵع۲ìµçÁ÷±í£¬·¢ÏÖµçÁ÷±íµÄʾÊýÔÚ»ºÂýµØ±äС£¬ÄãÈÏΪ³öÏÖÕâÖÖÏÖÏóµÄÔ­ÒòÊÇ     

                                        ¡£

(2)ºóÀ´ËûÓÖµ÷½Ú»¬¶¯±ä×èÆ÷£¬Ò»²»ÁôÉñµÆÅÝϨÃðÁË(µÆË¿ÉÕ¶ÏÁË)¡£ÕâʱËû¹Û²ìµ½Á½µç±íµÄʾÊýÇé¿ö½«ÊÇ(    )¡£

A£®Á½µç±íʾÊý¶¼ÎªÁã         B£®µçÁ÷±íÓÐʾÊý£¬µçѹ±íʾÊýΪÁã

C£®Á½µç±íµÄʾÊý¶¼²»ÎªÁã     D£®µçÁ÷±íʾÊýΪÁ㣬µçѹ±íÓÐʾÊýÇÒ±ÈÔ­À´´ó

³õÖÐÎïÀíµç¹¦¡¢µç¹¦Âʽ×ÌÝѵÁ·

µç  ¹¦

»ù´¡ÖªÊ¶Óë»ù±¾¼¼ÄÜ*1£®µçÁ÷ͨ¹ýµç¶¯»ú×ö¹¦µÄ¹ý³ÌÖУ¬µçÄÜת»¯Îª     ÄÜ£»µçÁ÷ͨ¹ýµçµÆÊ±£¬µÆË¿³ãÈÈ·¢¹â£¬µçÄÜת»¯Îª     Äܺ͠     ÄÜ¡£µçÁ÷ͨ¹ýµç¯ʱ£¬µçÄÜÖ÷Ҫת»¯Îª      ÄÜ£»µçÁ÷ͨ¹ýµç·çÉÈʱ£¬µçÄÜÖ÷Ҫת»¯Îª      ÄÜ£»¸øÐîµç³Ø³äµçʱ£¬µçÄÜÖ÷Ҫת»¯Îª

       ÄÜ¡£[1.5]

*2£®ÔÚͨµçʱ¼äÏàͬµÄÇé¿öÏ£¬µçѹԽ´ó£¬µçÁ÷Ô½´ó£¬µçÁ÷×ö¹¦Ô½    £»Èç¹ûµçѹºÍµçÁ÷²»±ä£¬Í¨µçʱ¼äÔ½³¤£¬µçÁ÷×ö¹¦¾ÍÔ½    ¡£ËùÒÔµçÁ÷ÔÚij¶Îµç·ÉÏËù×öµÄ¹¦£¬µÈÓÚÕâ¶Îµç·ÉÏ      ¡¢       ºÍ        µÄ³Ë»ý¡£Ð´³É¹«Ê½ÊÇ          ¡£[1.5]

*3£®Ò»¸öСµç¶¯»úÔÚ£¶VµÄµçѹÏ£¬µçÁ÷ÔÚ£±minÄÚ×ö¹¦180J£¬Í¨¹ýµç¶¯»úµÄµçÁ÷ÊÇ      A¡£

*4£®Í¨¹ýijÓõçÆ÷µçÁ÷ÊÇ0.4A£¬3minÄÚÓõçÆ÷ÏûºÄµÄµçÄÜÊÇ4320J£¬Ôò¸ÃÓõçÆ÷Á½¶ËµÄµçѹÊÇ      V¡£[1.0]

*5£®Ä³ÓõçÆ÷½ÓÔÚ¼ÒÍ¥µç·ÉÏ£¬Í¨¹ýÓõçÆ÷µÄµçÁ÷ÊÇ0.4A£¬ÏûºÄÁË44000JµÄµçÄÜ£¬Ôò¸ÃÓõçÆ÷ʹÓõÄʱ¼äÊÇ       s¡£[1.0]

*6£®²âÁ¿µç¹¦Ó¦Ñ¡ÓõÄÒDZíÊÇ£¨   £©¡£[0.5]

  A£®µçÁ÷±í      B£®µçѹ±í       C£®µçÄÜ±í       D£®µçѹ±íºÍµçÁ÷±í

֪ʶµÄÓ¦ÓÃ**7£®Ä³¶Îµç·Á½¶ËµÄµçѹÊÇ6V£¬Í¨¹ýËüµÄµçÁ÷ÊÇ0.5A£¬Ôòͨµç5min£¬µçÁ÷×ö¹¦

     J¡£[1.0]

**8£®µçÄÜ±í¼ÆÊýÆ÷ÉÏǰºóÁ½´Î¶ÁÊý     £¬¾ÍÊÇÕâ¶Îʱ¼äÄÚÓõçÆ÷ÓõçµÄ¶ÈÊý¡£Ä³Í¬Ñ§¼ÒÖеĵçÄܱí¾ÅÔµ×ÏÔʾ£³£³£¶£² £³ £¬Ê®Ôµ×ÏÔʾ£³£´£²£¸ £µ £¬ÄÇôÕâλͬѧ¼ÒʮԷݹ²ÓÃµç    ¶È£¬Ï൱ÓÚ      J¡£[1.5]

**9£®Èç¹û°Ñ±êÓС°220V  100W¡±µÄµçµÆ½ÓÈë¼ÒÍ¥µç·£¬Í¨µç1Сʱ£¬ÔòµçÁ÷×öµÄ¹¦Îª      J£¬ËüµÄµç×èΪ      ¦¸¡£[1.5]

**10£®ÒÑÖª£ºµç×è£Ò£±>£Ò£²£¬½«ËüÃÇ´®ÁªÔÚµç·ÖУ¬Ôò    Á½¶Ëµçѹ´ó£¬µçÁ÷ͨ¹ý    ×ö¹¦¶à£»Èô½«ËüÃDz¢ÁªÔÚµç·ÖУ¬Ôòͨ¹ý    µçÁ÷´ó£¬Ïàͬʱ¼äÄÚµçÁ÷ͨ¹ý    ×ö¹¦¶à¡£[1.5]

**11£®ÏÂÁмÆË㹦µÄ¹«Ê½ÖУ¬ÄÄÒ»¸ö²»ÊÊÓÃÓÚ¼ÆËãµç¹¦?£¨    £©¡£[0.5]

£Á£®£×=£Õ£Ñ       £Â£®£×£½£Ðt        £Ã£®W=UIt      £Ä£®W=Fs

**12£®µçÁ÷ÔÚÒ»¶Îµç·ÉÏ×öµÄ¹¦£¬¾ö¶¨ÓÚµç·Öеģ¨    £©¡£[0.5]

£Á£®µçÁ÷                 £Â£®µçÁ÷ºÍÕâ¶ÎÁ½¶Ëµç·µÄµçѹ

 £Ã£®µç·Á½¶ËµÄµçѹºÍͨ¹ýËüµÄµçÁ¿£Ä£®µçÁ÷¡¢Õâ¶Îµç·Á½¶ËµÄµçѹºÍµç·Öеĵç×è

**13£®Ä³Óû§µÄµçÄܱíÔÚÈýÔµ׳­±íʱµÄʾÊýΪ£°£²£¶£¸ £· £¬µ½ËÄÔµ׳­±íµÄʾÊýΪ£°£³£µ£² £¹ ¡£ÔòÓû§£´Ô·ÝÓõçΪ£¨   £©¡£

A£®352.9¶È    B£®268.7J    C£®84.2¶È       D£®84.2J

**14£®R1£½6¦¸£¬R2£½12¦¸£¬´®Áªºó½Óµ½12VµÄµçÔ´ÉÏ¡£Çó£¨1£©1minµçÁ÷ͨ¹ýR1×öµÄ¹¦¡££¨2£©3minͨ¹ýR2µÄµçÁ¿¡£[1.5]

**15£®ÔÚµç·ÖÐÓÐÒ»ÓõçÆ÷£¬Á½¶ËµÄµçѹÊÇ£¶V£¬Í¨¹ýµÄµçÁ÷ÊÇ200mA£¬5minÄÚµçÁ÷×öµÄ¹¦ÊǶàÉÙ£¿[1.5]

**16£®ÓÐÒ»Ö»µÆÅݽÓÔÚ220VµÄ¼ÒÍ¥µç·ÖУ¬Õý³£Ê¹ÓÃ10Сʱ£¬ÏûºÄÁË1¶Èµç£¬ÕâÖ»µÆÅݹ¤×÷ʱµÄµçÁ÷¶à´ó£¿[1.5]

**17£®Èçͼ16-2ËùʾµÄµç·£¬µçÔ´µçѹΪ12V£¬R1µÄ×èֵΪ40¦¸£¬¿ª¹ØS±ÕºÏºó£¬µçÁ÷±íµÄʾÊýΪ0.8A£¬Çó£º1minÄÚR2ÏûºÄµÄµçÄÜ¡£[1.5]

**18£®£®ÓÐÒ»ÓõçÆ÷½ÓÔÚ220VµÄµç·ÖУ¬¹¤×÷ÁË2Сʱ£¬ÓÃÁË1.1¶Èµç£¬Í¨¹ýÓõçÆ÷µÄµçÁ÷ÊǶà´ó£¿[1.5]

***19£®µç×èR1=100¦¸£¬R2=300¦¸£¬°ÑËüÃDz¢ÁªÔÚͬһµç·ÖУ¬ÔÚͨµçʱ¼äÏàͬµÄÇé¿öÏ£¬Í¨¹ýÁ½µç×èµÄµçÁ÷Ö®±ÈÊǶàÉÙ£¿Á½µç×èÏûºÄµÄµçÄÜÖ®±ÈÊǶàÉÙ£¿[1.5]

֪ʶµÄÍØÕ¹***20£®Ò»Ö»µçÄܱíÉϱêÓС°220V  10A¡±ºÍ¡°3000R/kWh¡±µÄ×ÖÑù¡£Èô¸ÃµçÄܱíµÄתÅÌת¹ý30Ȧ£¬ÇóÕâ¶Îʱ¼äÄÚµç·ÉÏÏûºÄÁ˼¸¶Èµç£¬µçÁ÷×öÁ˶àÉÙ¹¦¡£[2.0]

****21£®Ä³º½ÌìÆ÷ÉÏ×°Óйâµç³Ø°å£¬ÆäÃæ»ýS£½8m2£¬Õý¶ÔÌ«ÑôÄܲúÉúU£½120VµÄµçѹ£¬Îª¹¤×÷²ÕÌṩI£½10AµÄµçÁ÷¡£ÈôÌ«Ñô¹âÕÕÉ䴦ÿ1m2Ãæ»ýÉÏÿ1s»ñµÃµÄÌ«Ñô·øÉäÄÜÁ¿ÊÇE=1¡Á103J£¬ÊÔ¼ÆËã¸Ã¹âµç³ØµÄ¹âµçÄÜÁ¿×ª»»Ð§ÂʦÇ=?[3.5]

µç¹¦ÂÊ

»ù´¡ÖªÊ¶Óë»ù±¾¼¼ÄÜ*1£®µç¹¦ÂÊÊDZíʾµçÁ÷×ö¹¦        µÄÎïÀíÁ¿¡£µçÁ÷ÔÚ                 ½Ð×öµç¹¦ÂÊ¡£µç¹¦Âʵij£ÓüÆË㹫ʽÊÇ          ¡£[1.0]

*2£®µç¹¦ÂʵĹú¼Êµ¥Î»ÊÇ        £¬³£Óõ¥Î»»¹ÓР        ¡£[0.5]

*3£®×öͬÑù¶àµÄ¹¦£¬µç¹¦ÂÊ´óµÄÓõçÆ÷ÓõÄʱ¼ä        £¬¶øµç¹¦ÂÊСµÄÓõçÆ÷ÓõÄʱ¼ä        £»ÔÚÏàͬµÄʱ¼äÀµç¹¦ÂÊ´óµÄÓõçÆ÷×öµÄ¹¦        £¬¶øµç¹¦ÂÊСµÄÓõçÆ÷×öµÄ¹¦          ¡£[1.0]

**4£®Ò»Ö»µÆÅÝÁ½¶ËµçѹÊÇ220V£¬10minÏûºÄµÄµçÄÜΪ2.4¡Á104J£¬ÔòµÆÅݵŦÂÊÊÇ

     W£¬Í¨¹ýµÆÅݵĵçÁ÷ÊÇ        A£¬µÆË¿µÄµç×èÊÇ        ¦¸¡£[1.5]

**5£®Ä³ÓõçÆ÷µÄµç×èÊÇ10¦¸£¬½ÓÔÚ220VµÄµçÔ´ÉÏ£¬Õý³£¹¤×÷ʱµÄµçÁ÷2A£¬Ôò¸ÃÓõçÆ÷Õý³£¹¤×÷1minÏûºÄÁË      JµÄµçÄÜ£¬¸ÃÓõçÆ÷µÄµç¹¦ÂÊÊÇ     W¡£[1.5]

**6£®5minÄÚͨ¹ýµ¼Ìåºá½ØÃæµÄµçÁ¿ÊÇ180C£¬Ôòµ¼ÌåÖеĵçÁ÷ÊÇ    A£¬Èôµ¼ÌåÁ½¶ËµÄµçѹÊÇ6V£¬ÔòÕâ¶Îʱ¼äÄÚµçÁ÷Ëù×öµÄ¹¦    J£¬µ¼ÌåÏûºÄµÄµç¹¦ÂÊÊÇ    W¡£[1.5]

**7£®ÓÐÒ»Ö»±êÓС°220V  1500W¡±×ÖÑùµÄµç¯½ÓÔÚ220VµÄµç·ÉÏ£¬1hÒªÏûºÄ    ¶Èµç£¬Í¨¹ýµç¯µÄµçÁ÷ÊÇ      A£¬1sµçÁ÷Òª×ö¹¦      J¡£[1.5]

**8£®5sÓÐ3CµÄµçÁ¿Í¨¹ýÓõçÆ÷£¬µçÁ÷×öÁË18JµÄ¹¦£¬Ôòͨ¹ý¸ÃÓõçÆ÷µÄµçÁ÷ÊÇ

      A£¬ÓõçÆ÷Á½¶ËµÄµçѹÊÇ      V¡£[1.0]

**9£®Ä³ÓõçÆ÷µÄ¹¦ÂÊÊÇ100W£¬Ëü¹¤×÷1hÏûºÄµÄµçÄÜÊÇ      kWh¡£[1.0]

**10£®Ä³ÓõçÆ÷¹¤×÷40h£¬ÏûºÄµçÄÜ1kWh£¬ËüµÄ¹¦ÂÊÊÇ      W¡£[1.0]

**11£®°Ñ1210¦¸µÄµç×èË¿½ÓÔÚ¼ÒÍ¥µç·ÉÏ£¬µç×èË¿ÏûºÄµÄ¹¦ÂÊÊÇ      W¡£[1.0]

**12£®Ä³ÓõçÆ÷½ÓÔÚ220VµÄµçÔ´ÉÏ£¬µçÁ÷ÊÇ1.2A£¬Èôͨµç10min£¬µçÁ÷×ö¹¦     J£¬¸ÃÓõçÆ÷µÄ¹¦ÂÊΪ      W¡£[1.5]

֪ʶµÄÓ¦ÓÃ**13£®ÓõçÆ÷Õý³£¹¤×÷µÄµçѹ½Ð          £¬Ôڴ˵çѹϹ¤×÷µÄÓõçÆ÷µÄ¹¦ÂʽР         ¡£ÓõçÆ÷Ö»ÓÐÔÚ          Ï²ÅÄÜÕý³£¹¤×÷£¬Êµ¼ÊµçѹƫµÍ£¬ÓõçÆ÷µÄʵ¼Ê¹¦ÂÊ      ¶î¶¨¹¦ÂÊ£¬ÓõçÆ÷²»ÄÜÕý³£¹¤×÷£»Êµ¼Êµçѹƫ¸ß£¬»áÓ°ÏìÓõçÆ÷µÄÊÙÃü£¬»¹¿ÉÄÜ      ÓõçÆ÷¡£

**14£®Ò»Ö»±êÓС°220V  40W¡±µÄµÆÅÝ£¬ËüÕý³£·¢¹âʱ£¬Í¨¹ýµÆË¿µÄµçÁ÷Ϊ      A£¬µÆË¿µÄµç×èΪ      ¦¸¡£[1.5]

**15£®±êÓС°220V  5A¡±µÄµçÁ÷±í£¬×î¶à¿É½Ó¡°220V  100W¡±µÄµçµÆ    Õµ£¬Èç¹ûÕâЩµÆÃ¿Ì칤×÷5Сʱ£¬30ÌìÓÃµç      kWh¡£[1.5]

**16£®Ð¡µÆÅݵĶµçѹÊÇ6V£¬¶î¶¨µçÁ÷ÊÇ0.3A£¬½«Ëü½ÓÈëµç·ÖУ¬²âµÃµÆÅÝÁ½¶ËµÄµçѹΪ3V£¬ÄÇôСµÆÅÝÕý³£·¢¹âʱµÆË¿µÄµç×èÖµÊÇ   ¦¸£¬ËüµÄ¶î¶¨¹¦ÂÊÊÇ   W£¬´ËʱµÄʵ¼Ê¹¦ÂÊÊÇ     W¡£[2.0]

**17£®¡°12V  6W¡±µÄµÆÅݽÓÈë6VµÄµç·ÖУ¬Í¨¹ýµÆË¿µÄµçÁ÷ÊÇ£¨   £©¡£[1.0]

A£®2A        B£®0.5A       C£®1A        D£®0.25A

**18£®ÒÔÏÂ˵·¨ÖÐÕýÈ·µÄÊÇ£¨   £©¡£[0.5]

A£®kWhÊǵ繦Âʵĵ¥Î»£¬kWÊǵ繦µÄµ¥Î»    B£®µçÄܱíÊDzâÁ¿ÓõçÆ÷µç¹¦ÂʵÄÒDZí

C£®¹¦ÂÊ´óµÄÓõçÆ÷£¬ÏûºÄµÄÒ»¶¨¶à           D£®µÆµÄÁÁ¶È¾ö¶¨ÓڵƵÄʵ¼Ê¹¦ÂÊ

**19£®ÒÔϸ÷µ¥Î»Öв»Êǵ繦Âʵ¥Î»µÄÊÇ£¨   £©A£®kWh     B£®J/s     C£®W     D£®V A

**20£®¹ØÓڵ繦ÂʵÄ˵·¨ÕýÈ·µÄÊÇ£¨   £©¡£[0.5]

A£®µç¹¦ÂÊÊDZíʾµçÁ÷×ö¹¦¶àÉÙµÄÎïÀíÁ¿   B£®µç¹¦ÂʱíʾµçÁ÷×ö¹¦µÄЧÂʸߵÍ

C£®µç¹¦ÂʱíʾµçÁ÷×ö¹¦µÄ¿ìÂý³Ì¶È      D£®µç¹¦ÂÊÊDZíʾµçÄÜת»¯ÎªÆäËüÐÎʽÄܵĶàÉÙ

**21£®°Ñ10¦¸ºÍ20¦¸µÄÁ½¶¨Öµµç×è´®ÁªÆðÀ´£¬½ÓÔÚ12VµÄµçÔ´ÉÏ£¬ËüÃÇÏûºÄµÄ¹¦ÂÊÖ®±ÈÊÇ£¨   £©¡£[1.5]A£®1:2        B£®1: 1         C£®2: 1         D£®1: 4

**22£®µç¹¦ÂÊÊÇ·´Ó³£¨   £©¡£A£®µçÁ÷×ö¹¦´óСµÄÎïÀíÁ¿   B£®µçÁ÷×ö¹¦¿ìÂýµÄÎïÀíÁ¿

C£®ÏûºÄµçÄÜ´óСÎïÀíÁ¿            D£®ÄÜÁ¿×ª»¯Ð§ÂʵÄÎïÀíÁ¿

**23£®°×³ãµÆµÄÁÁ¶È¾ö¶¨ÓÚËü£¨   £©¡£[0.5]A£®¶î¶¨¹¦ÂʵĴóС      B£®Êµ¼Ê¹¦ÂʵĴóС  

C£®¼ÓÔÚµÆÉϵĵçѹµÄ´óС          D£®µçµÆ×ÔÉíµç×èµÄ´óС

**24£®Ä³ÓõçÆ÷µç×èΪ4¦¸£¬Ã¿ÃëÖÓÓÐ5CµÄµçÁ¿Í¨¹ý¸ÃÓõçÆ÷£¬ÇóÓõçÆ÷µÄ¹¦ÂÊ¡£[1.5]

**25£®±êÓС°220V 100W¡±×ÖÑùµÄµÆÅÝ£¬½ÓÔÚ¼ÒÍ¥µç·ÉÏÕý³£¹¤×÷ʱ£¬Í¨¹ýµÆË¿µÄµçÁ÷ÊǶàÉÙ£¿µÆË¿µÄµç×èÊǶàÉÙ£¿¸ÃµÆÕý³£¹¤×÷40h£¬ºÄµç¶àÉÙkWh£¿[1.5]

**26£®±êÓС°36V 40W¡±µÄµÆÅÝ£¬Õý³£·¢¹âʱͨ¹ýËüµÄµçÁ÷¶à´ó£¿µÆË¿µÄµç×è¶à´ó£¿Èô½Óµ½40VµÄµç·ÉÏʱ£¬Êµ¼Ê¹¦Âʶà´ó£¿[1.5]

**27£®Ò»Ö»Ð¡µÆÅݵĶµçѹÊÇ4.5V£¬Õý³£·¢¹âʱµÄµç×èΪ12.5¦¸£¬Õâ¸öСµÆÅݵĶ¹¦Âʶà´ó£¿°ÑËü½ÓÔÚ3.5VµÄµçÔ´ÉÏ£¬ËüµÄʵ¼Ê¹¦ÂÊÊǶà´ó£¿[2.5]

**28£®ÒªÊ¹±êÓС°9V  9W¡±×ÖÑùµÄµÆÅݵÄʵ¼Ê¹¦ÂÊΪ0.75W£¬ËüÁ½¶ËµÄʵ¼ÊµçѹӦΪ¶à´ó£¿

**29£®±êÓС°220V  100W¡±×ÖÑùµÄµÆÅݽÓÔÚ110VµÄµç·ÉÏʵ¼Ê¹¦ÂÊÊǶà´ó£¿[2.5]

**30£®±êÓС°3V  3W¡±×ÖÑùµÄµÆÅÝ£¬Í¨¹ý0.2AµÄµçÁ÷ʱ£¬µç¹¦Âʶà´ó£¿[2.0]

**31£®Ò»¶¨Öµµç×裬µ±Í¨¹ý0.4AµÄµçÁ÷ʱ£¬Êµ¼Ê¹¦ÂÊΪ16.4W£¬µ±Í¨¹ýµÄµçÁ÷Ϊ0.3Aʱ£¬Êµ¼Ê¹¦Âʶà´ó£¿[2.5]

֪ʶµÄÍØÕ¹32£®ÏÖÓС°220V 40W¡±¡¢¡°110V 40W¡±ºÍ¡°36V 40W¡±µÄÈý¸öµçµÆ£¬·Ö±ðÔڶµçѹϹ¤×÷£¬Ôò£¨   £©[1.0]A£®¡°220V  40W¡±µÄµçµÆ×îÁÁ      B£®¡°110V  40W¡±µÄµçµÆ×îÁÁ

C£®¡°36V  40W¡±µÄµçµÆ×îÁÁ        D£®ÈýÕµµçµÆÒ»ÑùÁÁ

***33£®½«¡°220V  60W¡±¡¢¡°220V  40W¡±ºÍ¡°220V  100W¡±µÄÈýÖ»µÆÅݲ¢ÁªÆðÀ´½Óµ½220VµÄµç·ÉÏ£¬ÔòËüÃǵÄ×ܹ¦ÂÊÊÇ£¨   £©¡£A£®200W      B£®100W        C£®60W           D£®40W

***34£®ÏÂÁÐËÄÕµµÆÕý³£·¢¹âʱ£¬µÆË¿ÖеçÁ÷×î´óµÄÊÇ£¨   £©¡£[1.5]

 A£®¡°220V 60W¡±    B£®¡°110V 100W¡±    C£®¡°36V 40W¡±   D£®¡°24V  25W¡±

***35£®¼ÒÍ¥µç·ÔÚÓõç¸ß·åʱ£¬µçÔ´µçѹֻÓÐ210V,ÄÇô±êÓС°220V  100W¡±µÄµÆÅݵÄʵ¼Ê¹¦ÂÊ£¨   £©¡£[1.0]A£®µÈÓÚ100W    B£®Ð¡ÓÚ100W      C£®´óÓÚ100W    D£®ÎÞ·¨È·¶¨

***36£®¼ÒÍ¥µç·ÖÐÓмס¢ÒÒ¡¢±ûÈýÕµµçµÆ£¬ËüÃǵĶ¹¦ÂÊ·Ö±ðÊÇ40W¡¢60W¡¢100W£¬ËüÃǾùÕý³£·¢¹âʱ×îÁÁµÄÊÇ£¨   £©¡£A£®¼×µÆ      B£®ÒÒµÆ      C£®±ûµÆ    D£®ÈýÕµµÆÒ»ÑùÁÁ

***37£®¶î¶¨µçѹÏàͬµÄÁ½Ö»µÆÅÝ£¬Æä¶î¶¨¹¦ÂÊÖ®±ÈΪ2¡Ã3£¬ÔòÁ½µÆµÄµç×èÖ®±ÈΪ£¨   £©¡£ A£®2¡Ã3          B£®3¡Ã2          C£®4¡Ã9        D£®9¡Ã4

***38£®ÔÚ¡°²â¶¨Ð¡µÆÅݶ¹¦ÂÊ¡±µÄʵÑéÖУ¬Ä³Í¬Ñ§µç·Á¬½ÓÕýÈ·£¬±ÕºÏ¿ª¹Ø£¬µÆÅÝ·¢¹â£¬µ«ÎÞÂÛÔõÑùµ÷½Ú»¬¶¯±ä×èÆ÷£¬µçѹ±íµÄʾÊýËäÈ»Óб仯£¬µ«Ê¼ÖÕ´ï²»µ½µÆÅݵĶµçѹ£¬ÆäÔ­Òò¿ÉÄÜÊÇÏÂÊöµÄÄÄÒ»ÖÖ£¿£¨   £©[1.5]A£®±ä×èÆ÷µÄ×ܵç×èÌ«´ó    B£®µçѹ±íµÄÁ¿³ÌÌ«´ó

C£®µçÔ´µçѹ̫µÍ                D£®µçÁ÷±íµÄÁ¿³ÌÌ«´ó

***39£®ÔÚ¡°²â¶¨Ð¡µÆÅݶ¹¦ÂÊ¡±µÄʵÑéÖУ¬Ä³Í¬Ñ§µç·Á¬½ÓÕýÈ·¡£±ÕºÏ¿ª¹Ø£¬µÆÅÝ·¢¹â½Ï°µ£¬µ«ÎÞÂÛÔõÑùµ÷½Ú»¬¶¯±ä×èÆ÷£¬×ܲ»Ä܏ı䵯ÅݵÄÁÁ¶È£¬ÇÒµçÁ÷±íºÍµçѹ±íµÄʾÊýÒ²²»·¢Éú±ä»¯¡£Ôì³ÉÕâÒ»ÏÖÏóµÄÔ­Òò¿ÉÄÜÊÇÏÂÊöµÄÄÄÒ»ÖÖ£¿£¨   £©¡£[1.5]

A£®µçÔ´µçѹ̫µÍ             B£®±ä×èÆ÷µÄ×ܵç×èÌ«´ó

C£®±ä×èÆ÷½Ó³ÉÁ˶¨Öµµç×è     D£®±ä×èÆ÷½ÓÈëµç·ʱ£¬½ÓµÄÊÇÉÏÃæÁ½½ÓÏßÖù

***40£®ÔÚÈçͼ16-3ËùʾµÄµç·ÖУ¬µçÔ´µçѹΪ6V¡£µ±¿ª¹ØS±ÕºÏʱ£¬Ö»ÓÐÒ»¸öµÆÅÝ·¢¹â£¬ÇÒµçѹ±íµÄʾÊýΪ6V£¬²úÉúÕâÒ»ÏÖÏóµÄÔ­Òò¿ÉÄÜÊÇ£¨   £©¡£[1.5]

A£®µÆL1¶Ì·   B£®µÆL2¶Ì·  C£®µÆL1¶Ï·   D£®µÆL2¶Ï·

***41£®Èçͼ16-4ËùʾµÄµç·£¬µçÔ´µçѹ±£³Ö²»±ä£¬µ±»¬¶¯±ä×èÆ÷µÄ»¬Æ¬Ïòb¶Ë»¬¶¯Ê±£¬Ôò£¨   £©¡£[1.5]

A£®µçѹ±íµÄʾÊý¼õС£¬µçµÆµÄ¹¦Âʱä´ó

B£®µçѹ±íµÄʾÊý±ä´ó£¬µçµÆµÄ¹¦Âʱä´ó

C£®µçѹ±íµÄʾÊý¼õС£¬µçµÆµÄ¹¦ÂʱäС

D£®µçѹ±íµÄʾÊý±ä´ó£¬µçµÆµÄ¹¦ÂʱäС

***42£®µç·Á½¶ËµÄµçѹ±äΪԭÀ´µÄ2±¶£¬µç·µÄµç×è±äΪԭÀ´µÄ3/4£¬Ôòµç·ÏûºÄµÄ¹¦ÂÊΪԭÀ´µÄ£¨   £©¡£[1.5]

A£®4/3±¶         B£®3/4±¶        C£®3/16±¶          D£®16/3±¶

***43£®AµÆ±êÓС°220V 100W¡±£¬BµÆ±êÓС°220V 60W¡±£¬Á½µÆÕý³£¹¤×÷ʱµÄµç×è·Ö±ðÊÇRAÓëRB£¬Ôò£¨   £©¡£A£®RA£¾R    B£®RA=RB       C£®RA£¼RB      D£®ÎÞ·¨È·¶¨RA¡¢RBµÄ´óС

***44£®ÔÚ¡°²â¶¨Ð¡µÆÅݵĵ繦ÂÊ¡±µÄʵÑéÖУ¬Ð¡µÆÅÝÔÚ           µÄÌõ¼þϲÅÄÜÕý³£·¢¹â£»Ð¡µÆÅݹýÁÁ£¬ÊÇÒòΪ                            £»Ð¡µÆÅݹý°µ£¬ÊÇÒòΪ                                ¡£[1.5]

***45£®ÔÚ¡°²â¶¨¶î¶¨µçѹΪ2.5VµÄСµÆÅݵĵ繦ÂÊ¡±µÄʵÑéÖУ¬ÖÁÉÙÒª    ½Ú¸Éµç³Ø¡£µçѹ±íÓ¦ºÍ    ²¢Áª£¬×îºÃÑ¡Óà    VµÄÁ¿³Ì¡£±ÕºÏ¿ª¹Øºó£¬µ÷½Ú            £¬Ê¹µçѹ±íµÄʾÊýΪ    £»Èô´ËʱµçÁ÷±íµÄʾÊýΪ0.2A£¬Ôò¸ÃµÆÅݵĶ¹¦ÂÊΪ    W¡£

***46£®»¬¶¯±ä×èÆ÷ÔÚ¡°²â¶¨Ð¡µÆÅݶ¹¦ÂÊ¡±ÊµÑéÖеÄ×÷ÓÃÊÇ                    

                                      ¡£[3.5]

***47£®°ÑR1£½2¦¸µÄµç×èºÍR2£½4¦¸µÄµç×裬´®Áªºó½ÓÔÚµçÔ´ÉÏ£¬ÒÑÖªR1Á½¶ËµÄµçѹÊÇ3V¡£Çó£¨1£©µçÔ´µçѹ£»£¨2£©R1¡¢R2ÏûºÄµÄµç¹¦Âʸ÷ÊǶàÉÙ£¿[2.5]

***48£®Èçͼ16-5Ëùʾ£¬R1£½2¦¸£¬R2£½4¦¸£¬ÈôµçÁ÷±íµÄʾÊýΪ3A£¬Ç󣺣¨1£©µçѹ±íµÄʾÊý£»£¨2£©R1¡¢R2ÏûºÄµÄ¹¦Âʸ÷¶àÉÙ£¿[2.5]

***49£®Èçͼ16-6Ëùʾ£¬µÆÅݵĵç×èRL£½40¦¸£¬RÊDZêÓС°20¦¸ 5A¡±µÄ±ä×èÆ÷£¬µçÔ´ÊÇÓÉËÄ½Ú¸Éµç³Ø´®Áª¶ø³ÉµÄµç³Ø×é¡£ÊÔÇ󵯵ŦÂʱ仯·¶Î§¡£[2.5]

***50£®µçÄܱíÉϱꡰ220V  3A¡±µÄ×ÖÑù£¬´ËµçÄܱí×î¶à¿É½Ó¡°220V  100W¡±µÄµçµÆ¶àÉÙÕµ£¿ÕâЩµçµÆÕý³£¹¤×÷Ò»¸öÔ£¨30Ì죩£¬Æ½¾ùÿÌìÓÃ4Сʱ£¬¹²ºÄµç¶àÉÙ¶È£¿[2.5]

***51£®±êÓС°220V  75W¡±×ÖÑùµÄµç¸õÌú£¬Õý³£¹¤×÷ʱͨ¹ýËüµÄµçÁ÷¶à´ó£¿ËüÕý³£Ê¹ÓÃ8СʱÏûºÄ¶àÉÙµçÄÜ£¿1kWhµÄµçÄܿɹ©ËüÕý³£¹¤×÷¶à³¤Ê±¼ä£¿[2.5]

***52£®Ò»Ö»11¦¸µÄµç×裬ҪʹËüµÄʵ¼Ê¹¦ÂÊΪ44W£¬Ó¦½«Ëü½ÓÔÚµçѹΪ¶àÉÙVµÄµçÔ´ÉÏ£¿½Óͨºó1minͨ¹ý¸ÃÓõçÆ÷µÄµçÁ¿ÊǶàÉÙ£¿[2.5]

***53£®½ÌÊÒÀïÓÐ6Õµ40WµÄÈÕ¹âµÆ£¬Èç¹ûͬѧÃÇÆ½Ê±×¢Òâ½ÚÔ¼Óõ磬×öµ½ÈË×ßµÆÏ¨£¬Æ½¾ùÿÌìÉÙ¿ªµÆ°ëСʱ£¬ÄÇô£¬Ò»¸öÔ£¨30Ì죩¿É½ÚÔ¼¼¸¶Èµç£¿[2.5]

***54£®Ò»¸ö±êÓС°24V 40W¡±µÄµÆÅݽÓÔÚ36VµÄµçÔ´ÉÏ£¬ÒªÊ¹ËüÕý³£·¢¹â£¬»¹Ó¦´®ÁªÒ»¸ö¶à´óµÄµç×裿´Ëµç×èÏûºÄµÄ¹¦Âʶà´ó£¿´Ëµç·¹¤×÷5hÏûºÄ¶àÉÙµçÄÜ£¿[2.5]

***55£®µç×èR1ÓëR2´®Áªºó½Óµ½µçѹΪ3VµÄµçÔ´ÉÏ£¬ÒÑÖª£ºµç×èR1=3¦¸£¬ÇÒÏûºÄµÄ¹¦ÂÊP1=0.12W¡£Çó£¨1£©Í¨¹ýµç×èR2µÄµçÁ÷£»£¨2£©µç×èR1Á½¶ËµÄµçѹ¡£[2.5]

***56£®ÓÐһֻСµÆÅÝ£¬ËüµÄ¶î¶¨µçѹÊÇ6V£¬µ±¼ÓÔÚËüÁ½¶ËµÄµçѹÊÇ4Vʱ£¬Í¨¹ýµÆÅݵĵçÁ÷Ϊ0.2A£¬ÔòµÆÅݵĶ¹¦ÂÊÊǶàÉÙ£¿ÈôËù¼ÓµçѹΪ5Vʱ£¬µÆÅݵÄʵ¼Ê¹¦ÂÊÊǶàÉÙ£¿[2.5]

***57£®Èçͼ16-7µçÔ´µçѹΪ24V£¬µÆL±êÓС°12V  10W¡±¡££¨1£©ÒªÊ¹µÆÕý³£·¢¹â£¬±ä×èÆ÷Á¬Èëµç·µÄµç×èӦΪ¶à´ó£¿£¨2£©µ±±ä×èÆ÷Á¬Èëµç·µÄµç×èÊÇ25.6¦¸Ê±£¬µÆLÏûºÄµÄ¹¦ÂÊÊǶàÉÙ£¿[3.0]

****58£®Ä³Í¬Ñ§ÔÚÓõçÁ÷±íºÍµçѹ±í¡°²â¶¨Ð¡µÆÅݵŦÂÊ¡±µÄʵÑéÖУ¬µ±ËûºÏÉÏ¿ª¹Ø¡¢Òƶ¯±ä×èÆ÷»¬Æ¬µÄ¹ý³ÌÖз¢ÏÖ£ºµçµÆ±äÁÁʱ£¬µçѹ±íµÄʾÊý·´¶ø±äС£»µÆÅݱ䰵ʱ£¬µçѹ±íµÄʾÊý·´¶ø±ä´ó¡£¾­¼ì²éËùÓÐÆ÷²Ä¾ùÍêºÃ¡£

£¨1£©¸ù¾ÝÉÏÊöÇé¿ö»­³ö¸ÃͬѧʵÑéʱµÄµç·ͼ£»

£¨2£©Èô°´¸ÃͬѧʵÑéʱËùÁ¬½ÓµÄµç·½øÐÐʵÑ飬½á¹ûµçÁ÷±íºÍµçѹ±íÈçͼ16-8Ëùʾ£¨ÒÑÖªµçÔ´µçѹΪ6V£©£¬ÔòµçÁ÷±íµÄ¶ÁÊýΪ    A£¬µçѹ±íµÄ¶ÁÊýΪ   V£¬²âµÃСµÆÅݵÄʵ¼Ê¹¦ÂÊΪ     W¡£

½¹¶ú¶¨ÂÉ

»ù´¡ÖªÊ¶Óë»ù±¾¼¼ÄÜ

*1£®´óÁ¿ÊµÑéÖ¤Ã÷£¬µçÁ÷ͨ¹ýµ¼ÌåÖ÷ÉúµÄÈÈÁ¿¸ú          ³ÉÕý±È£¬¸ú      ³ÉÕý±È£¬¸úͨµçµÄʱ¼ä³É   ±È¡£Õâ¸ö¹æÂɽР      ¶¨ÂÉ£¬¿ÉÓù«Ê½        ±íʾ¡£[1.5]

**2£®Ä³µçÈÈÆ÷ÔÚ220VµÄµçѹϹ¤×÷5min£¬·Å³ö11880JµÄÈÈÁ¿£¬Ôòͨ¹ýËüÃǵĵçÁ÷ÊÇ      A¡£**3£®ÓÐÒ»¸ö110¦¸µÄµç×èË¿£¬Í¨¹ýËüµÄµçÁ÷ÊÇ2A£¬Òª²úÉú44000JµÄÈÈÁ¿£¬ËùÐèµÄʱ¼äÊÇ       ¡£[1.5]

**4£®×èֵΪ20¦¸µÄµç×裬Á½¶Ë¼Ó6Vµçѹʱ£¬1minͨ¹ýµç×èË¿µÄµçÁ¿ÊÇ       £¬10minµç×èË¿ÉϲúÉúµÄÈÈÁ¿ÊÇ       ¡£[1.5]

**5£®ÏÂÁй«Ê½ÖУ¬ÄÄÒ»¸öÊǽ¹¶ú¶¨ÂɵÄÊýѧ±í´ïʽ£¨   £©¡£[0.5]

A£®Q=I2Rt       B£®Q=UIt       C£®       D£®ÒÔÉ϶¼ÊÇ

**6£®ÒÑÖªµçÁ÷I°²Í¨¹ýµç×èRÅ·£¬tÃëÄÚ²úÉúµÄÈÈÁ¿ÊÇQ½¹¡£Èç¹ûµç×è¼õ°ë£¬µçÁ÷±äΪԭÀ´µÄ2±¶£¬ÔÚÏàͬµÄʱ¼äÄÚ²úÉúµÄÈÈÁ¿½«ÊÇ£¨   £© A£®2Q      B£®Q     C£® Q/2        D£®8Q

**7£®Ò»°Ñ±êÓС°220V 40W¡±×ÖÑùµÄµç¸õÌú£¬Õý³£¹¤×÷ʱ£¬1 min²úÉúÈÈÁ¿Îª£¨   £©¡£[1.5]

A£®40J        B£®240J      C£®2400J       D£®24J

**8£®Á½¸ùµç×èË¿µÄ×èÖµÖ®±ÈÊÇ2¡Ã3£¬Í¨¹ýËüµÄµçÁ÷Ö®±ÈÊÇ3¡Ã2£¬ÔÚÏàµÈµÄʱ¼äÄÚ£¬Á½¸öµ¼ÌåÉϲúÉúÈÈÁ¿Ö®±ÈÊÇ£¨   £©¡£A£®2¡Ã3      B£®3¡Ã2       C£®1¡Ã1        D£®9¡Ã4

֪ʶµÄÓ¦ÓÃ

**9£®µçÈÈÆ÷ÊÇÀûÓõçÁ÷µÄ     Ð§Ó¦ÖƳɵļÓÈÈÉ豸£¬ËüµÄÖ÷Òª²¿·ÖÊÇ      £¬ËüÊÇÓà     ´ó£¬     ¸ßµÄºÏ½ðË¿ÈÆÖÆ³ÉµÄ¡£³£¼ûµÄµçÈÈÆ÷ÓР     ¡¢     µÈ¡£[1.5]

**10£®Ä³µ¼ÌåµÄµç×èÊÇ2¦¸£¬µ±Í¨¹ýµÄµçÁ÷Ϊ2Aʱ£¬1min²úÉúµÄÈÈÁ¿ÊÇ      J¡£[1.0]

**11£®Á½¸ùµç×èË¿µÄ×èÖµ·Ö±ðÊÇ20¦¸ºÍ10¦¸£¬Èç¹û°ÑËüÃDz¢ÁªÔÚµç·ÉÏ£¬Í¨µçºó£¬ÔÚÏàͬµÄʱ¼äÄÚ£¬Á½¸ùµç×èË¿ÉϲúÉúµÄÈÈÁ¿Ö®±ÈÊÇ      £»Èç¹û½«ËüÃÇ´®Áªºó½ÓÈëµç·£¬Í¨µçºó£¬Á½µç×èÉϲúÉúµÄÈÈÁ¿Ö®±ÈÊÇ      ¡£[1.5]

**12£®Ò»Ö»µçìÙ¶·½ÓÔÚ220VµÄµç·ÉÏ£¬Ã¿·ÖÖÓÄܲúÉú30000JµÄÈÈÁ¿£¬Ôò¸ÃµçìÙ¶·µÄ¹¦ÂÊÊÇ      W£¬ËüµÄ¹¤×÷µçÁ÷ÊÇ      A¡££¨±£ÁôÁ½Î»Ð¡Êý£©[1.5]

13£®µ¼ÌåÁ½¶ËµçѹÊÇ220V£¬5minͨ¹ýµ¼ÌåµçÁ¿ÊÇ20C£¬ÔòµçÁ÷ͨ¹ýµ¼Ìå²úÉúÈÈÁ¿ÊÇ       J¡£

***14£®°ÑÁ½Ìõµç×èË¿´®Áªºó½Óµ½µçÔ´ÉÏ£¬·¢³öÈÈÁ¿½Ï¶àµÄÒ»¶¨ÊÇ£¨   £©¡£[1.0]

A£®µçÁ÷½ÏÇ¿µÄ   B£®µçѹ½Ï´óµÄ   C£®µç×è½ÏСµÄ     D£®ÒÔÉÏÈý¸ö¶¼¶Ô

***15£®Í¨¹ýµçÈÈÆ÷µÄµçÁ÷ÊÇ0.2A£¬1min²úÉúµÄÈÈÁ¿ÊÇ432J£¬ÔòµçÈÈÆ÷Á½¶ËµÄµçѹÊÇ£¨   £©¡£

A£®120V       B£®60V        C£®36V           D£®10V

**16£®Ò»¸öµç·¹¹øµÄµç×èÊÇ55¦¸£¬¶î¶¨µçѹΪ220V£¬Õý³£¹¤×÷ʱÿ·ÖÖÓ²úÉú¶àÉÙÈÈÁ¿£¿Ã¿Ð¡Ê±ÏûºÄ¼¸¶Èµç£¿[1.5]

**17£®Á½¸öµç×èR1=12¦¸£¬R2=24¦¸£¬´®Áªºó½Óµ½µçѹΪ48VµÄµçÔ´ÉÏ£¬Ç󣺣¨1£©R1ÏûºÄµÄµç¹¦ÂÊÊǶàÉÙ£¿£¨2£©R1ºÍR2ÿ·ÖÖÓ²úÉúµÄÈÈÁ¿¸÷¶àÉÙ£¿[2.0]

***18£®±êÓС°3V  1W¡±×ÖÑùµÄµÆÅÝ£¬Óë18¦¸µÄµç×èR´®Áªºó½Óµ½6VµÄµçÔ´ÉÏ£¬µÆÅݵÄʵ¼Ê¹¦Âʶà´ó£¿µç×èRÔÚ5·ÖÖÓÄÚ²úÉú¶àÉÙÈÈÁ¿£¿[2.0]

***19£®°Ñ¡°220V  900W¡±µÄµçÈÈË®ºø½ÓÔÚ220VµÄµçÔ´ÉÏ¡£Çó£¨1£©Í¨µç10min£¬Í¨¹ýµ¼ÌåµÄµçÁ¿ÊǶà´ó£¿£¨2£©ÈôµçÈÈË®ºø·Å³öµÄÈÈÁ¿È«²¿±»Ë®ÎüÊÕ£¬½«5kg¡¢15¡æµÄË®¼ÓÈȵ½100¡æÐèÒª¶à³¤Ê±¼ä£¿[2.5]

֪ʶµÄÍØÕ¹

***20£®Ò»¸ö±êÓС°6V  4W¡±×ÖÑùµÄµÆÅÝ£¬½«½ÓÔÚµçѹÊÇ9VµÄµçÔ´ÉÏ£¬ÒªÏëʹËüÕý³£·¢¹â£¬»¹Ó¦´®ÁªÒ»Ö»×èֵΪ   ¦¸µÄµç×裬½ÓºÃºó¸Ãµç×èÏûºÄµÄ¹¦ÂÊÊÇ    W¡£[1.5]

***21£®Ò»Ö»±êÓС°220V  5A¡±×ÖÑùµÄµçÄÜ±í£¬×î¶àÄܰ²×°¡°220V 60W¡±µÄµçµÆ     Õµ¡£ÈôÕâЩµçµÆÆ½¾ùÿÌ쿪2Сʱ£¬Ò»¸öÔ£¨30Ì죩ҪÏûºÄ     ¶Èµç¡£[1.5]

***22£®Á½Ö»×èÖµ²»Í¬µÄµç×è²¢ÁªÔÚͬһµçÔ´µÄÁ½¼«ÉÏ£¬ÏÂÁÐ˵·¨ÕýÈ·µÄÊÇ£¨   £©¡£[1.0]

A£®µç×è½Ï´óµÄ·¢ÈÈ½Ï¶à         B£®µç×è½ÏСµÄ·¢ÈȽ϶à

C£®Í¨µçʱ¼ä³¤µÄ·¢ÈÈ½Ï¶à       D£®Í¨µçʱ¼äÏàͬ£¬µç×è½ÏСµÄ·¢Èȶà

***23£®Ò»¶Îµ¼ÌåÖеçÁ÷Ϊ2Aʱ£¬²úÉúµÄÈÈÁ¿ÎªQ¡£Èôͨµçʱ¼ä²»±ä£¬¶øÍ¨¹ýµ¼ÌåµÄµçÁ÷Ôö¼Óµ½4Aʱ£¬µçÁ÷ͨ¹ýµ¼Ìå²úÉúµÄÈÈÁ¿ÊÇ£¨   £©¡£[1.5]

A£®Q/4         B£®Q/2        C£®2Q         D£®4Q

24£®Èçͼ16-9ËùʾµÄµç·£¬R=3¦¸£¬L±êÓС°6V  0.5A¡±×ÖÑù£¬µ±Ð¡µÆÅÝÕý³£·¢¹âʱ£¬ÔÚÏàͬµÄʱ¼äÄÚµçÁ÷Á÷¹ýµÆÅÝLºÍµç×èR×ö¹¦Ö®±È£¨  £©A£®2¡Ã1   B£®1¡Ã2    C£®1¡Ã4   D£®4¡Ã1

***25£®Ä³½ÌÊÒ´óÂ¥ÄÚ×°ÓÐ50WµÄÈÕ¹âµÆ60Õµ£¬´óÂ¥µÄµç±íÔ³õºÍÔÂÄ©³­±íµÄʾÊý·Ö±ðÊÇ£¹£³£µ5 £° ºÍ£¹£µ£¸£° £° £¬ÔòÕâЩÈÕ¹âµÆÆ½¾ùÿÌ쿪£¨ÒÔ30Ìì¼ÆË㣩£¨   £©¡£A£®2.5h    B£®3h      C£®4.5h     D£®5h

***26£®µç¯˿Èȵ÷¢ºì£¬¶ø¸úµç¯˿Á¬½ÓµÄÍ­µ¼ÏßÈ´²»ÔõôÈÈ¡£ÕâÊÇÒòΪ£¨   £©¡£[

A£®Í¨¹ýµç¯˿µÄµçÁ÷±Èͨ¹ýÍ­µ¼ÏߵĵçÁ÷´ó

B£®Í­µ¼Ïߵĵç×èС£¬ËùÒÔÏûºÄµÄµçÄÜÉÙ¡£µç¯˿µÄµç×è´ó£¬ÏûºÄµÄµçÄܶ࣬ËùÒÔÈȵ÷¢ºì

C£®Í­µ¼ÏßÓоøÔµ²ã£¬ËùÒÔ²»ÔõôÈÈ    D£®Í­µ¼Ï߱ȵç¯˿´«Èȿ죬ËùÒÔ²»ÔõôÈÈ

***27£®µç¯˿»µÁË£¬È¥µô1/4ºó£¬ÈÔ½ÓÔÚÔ­µçÔ´ÉÏ£¬ÔÚÏàͬµÄʱ¼äÄÚ²úÉúµÄÈÈÁ¿ÓëÔ­À´²úÉúµÄÈÈÁ¿Ö®±ÈΪ£¨   £©A£®4¡Ã3       B£®3¡Ã4          C£®4¡Ã1         D£®1¡Ã4

***28£®°×³ãµÆÅݵĵÆË¿³£ÔÚ¿ªµÆµÄ˲¼äÉÕ¶Ï£¬ÆäÔ­ÒòÊÇÔÚ¿ªµÆµÄ˲¼ä£¨   £©¡£[1.0]

A£®µÆÅÝÉϵĵçÑ¹ÌØ±ð´ó£¬Òò¶øµçÁ÷Ò²ºÜ´ó    B£®µÆË¿µÄµç×è±È½ÏС£¬Òò¶øµçÁ÷ºÜ´ó

C£®µÆË¿µÄµç×èÌØ±ð´ó£¬²úÉúµÄÈÈÁ¿Ìرð´ó    D£®µÆË¿µÍÎÂʱ±È½Ï´à

***29£®Á½¸ùµç×èË¿µÄµç×èΪR1µÄR2£¬ÇÒR1£¾R2£¬½ÓÔÚÒ»µçѹ²»±äµÄµçÔ´ÉÏ£¬ÓÃÀ´¼ÓÈÈÒ»ºøË®¡£ÓûʹˮµÄζÈÉý¸ßµÃ¿ì£¬Ó¦²ÉÈ¡µÄ°ì·¨ÊÇ£¨   £©¡£[1.5]

A£®ÏȰÑÁ½¸ùµç×èË¿´®Áªºó½Óµ½µçÔ´Á½¶ËB£®ÏȰÑÁ½¸ùµç×èË¿²¢Áªºó½Óµ½µçÔ´Á½¶Ë

C£®µ¥¶ÀʹÓõç×è½ÏСµÄµç×èË¿R2½ÓÔÚµçÔ´Á½¶Ë

D£®µ¥¶ÀʹÓõç×è½Ï´óµÄµç×èË¿R1½ÓÔÚµçÔ´Á½¶Ë

***30£®ÒªÊ¹µçÈÈÆ÷ÔÚµ¥Î»Ê±¼äÄÚ¹©ÈȼõÉÙÒ»°ë£¬ÒÔÏ·½·¨ÖÐÕýÈ·µÄÊÇ£¨   £©¡£[1.5]

A£®µç×èË¿²»±ä£¬°Ñ¼ÓÔÚËüÁ½¶ËµÄµçѹ¼õÉÙÒ»°ë

B£®µç×èË¿²»±ä£¬°Ñͨ¹ýËüµÄµçÁ÷¼õÉÙÒ»°ë

C£®±£³Öµçѹ²»±ä£¬°Ñµç×èË¿µÄµç×è¼õСһ°ë

D£®°ÑµçÈÈÆ÷µÄµç×èºÍ¼ÓËüÁ½¶ËµÄµçѹ¾ù¼õСһ°ë

***31£®Ò»¸ùµçÈÈË¿µÄµç×èΪ48.4¦¸£¬½ÓÔÚ220VµÄµçÔ´ÉÏ£¬1min·Å³ö¶àÉÙÈÈÁ¿£¿Èô¸Ä½ÓÔÚ110VµÄµçÔ´ÉÏ£¬·Å³öÏàͬµÄÈÈÁ¿ÐèÒªÓö೤ʱ¼ä£¿[2.5]

***32£®µçÈÈË®Æ÷ÖÐÓÐÁ½¸ùµç×èË¿£¬ÆäÖÐÒ»¸ùͨµçʱ£¬ÈÈË®Æ÷ÖеÄË®¾­15min·ÐÌÚ£»ÁíÒ»¸ùµ¥¶Àͨµçʱ£¬ÈÈË®Æ÷ÖеÄË®¾­30min·ÐÌÚ¡£Èç¹û°ÑÁ½¸ùµçÈÈË¿·Ö±ð´®ÁªºÍ²¢Áª£¬ÎÊͨµçºó¸÷ÐèÒª¶àÉÙʱ¼ä²ÅÄÜʹÈÈË®Æ÷ÖеÄË®·ÐÌÚ£¿£¨ÉèµçÈÈË¿µç×è²»±ä£©[3.5]

×ÛºÏÌâ

»ù´¡ÖªÊ¶Óë»ù±¾¼¼ÄÜ

**1£®1kWhµÄµçÄÜ¿ÉÒÔʹ£¨   £©¡£[1.5]

A£®¡°220V  40W¡±µÄµçµÆÕý³£¹¤×÷50hB£®¡°220V  80W¡±µÄµçµÆÕý³£¹¤×÷20h

C£®¡°220V  100W¡±µÄµçµÆÕý³£¹¤×÷10hD£®¡°220V  100W¡±µÄµçµÆÕý³£¹¤×÷3h

**2£®Èçͼ16-10ËùʾµÄµç·ÖУ¬µçÔ´µçѹ±£³Ö²»±ä£¬µ±¿ª¹ØS±ÕºÏʱ£¬µçÁ÷±í¡¢µçѹ±íµÄʾÊý·Ö±ðÊÇ£¨   £©¡£[1.5]

A£®±ä´ó£¬±ä´ó        B£®±ä´ó£¬±äС

C£®±äС£¬±ä´ó        D£®±äС£¬±äС

**3£®Èçͼ16-11ËùʾµÄµç·£¬R1£½R2£½R3£½9¦¸¡£ÈôS1¡¢S2¾ù¶Ï¿ª£¬ÔòRAB£½     ¦¸£»ÈôS1¡¢S2¾ùºÏÉÏ£¬ÔòRAB£½      ¦¸£»ÈôS1±ÕºÏ£¬S2¶Ï¿ª£¬ÔòRAB£½      ¦¸¡£[2.5]

**4£®ÔÚÈçͼ16-12ËùʾµÄµç·ÖУ¬µçÔ´µçѹΪ12V²»±ä£¬µÆÅݵĵç×èRL=100¦¸£¬±ä×èÆ÷RµÄ×èÖµ·¶Î§ÊÇ0¡«200¦¸¡£µ±»¬Æ¬P´Ó×ó¶Ë»¬¶¯µ½ÓҶ˵Ĺý³ÌÖУ¬µçÁ÷±íʾÊý±ä»¯·¶Î§ÊÇ         £¬µçѹ±íʾÊý±ä»¯·¶Î§ÊÇ           ¡£[2.5]

**5£®Èçͼ16-13ËùʾµÄµç·ÖУ¬µ±±ÕºÏ¿ª¹Øºó£¬·¢ÏÖµçÁ÷±íµÄÖ¸Õë²»¶¯£¬µçѹ±íµÄ¶ÁÊýÕý³££¬Ôò¿ÉÄÜÊÇ£¨   £©¡£[1.5]A£®µçÁ÷±í»µÁË£¬µçÁ÷±íÎÞͨ·  B£®µçÔ´µÄÕý¸º¼«½Ó·´ÁË

C£®µçÁ÷±íµÄÁ¿³ÌÑ¡µÃ²»ºÏÊÊD£®µÆÅݵĵÆË¿¶ÏÁË£¬»òÁ¬½ÓµçÁ÷±íµÄÁ½½ÓÏßÖùÏàÅöÁË

**6£®È¡Ò»¸ö300¦¸µÄµç×èË¿×ö³ÉÒ»¸öÔ²£¬Èçͼ16-14Ëùʾ£¬ABÁ½µã¼äµÄ×ܵç×èΪ48¦¸£¬ÔòABÁ½µã°Ñµç×èË¿·Ö³ÉÁ½¶ÎµÄ×èÖµ·Ö±ðΪ£¨   £©[1.5]

A£®240¦¸£¬60¦¸      B£®160¦¸£¬140¦¸

C£®100¦¸£¬200¦¸     D£®50¦¸£¬250¦¸

**7£®ÓÐÈýÕµµÆ£¬L1±êÓС°220V  25W¡±£¬L2±êÓС°110V  40W¡±£¬L3±êÓС°36V  60W¡±£¬ÈýÕµµÆ¶¼Õý³£·¢¹âʱ×îÁÁµÄÊÇ£¨   £©¡£[1.5]

A£®L1       B£®L2        C£®L3       D£®ÈýÕµµÆÍ¬ÑùÁÁ

֪ʶµÄÓ¦ÓÃ**8£®µÆÅÝL1ºÍL2·Ö±ð±êÓС°220V 25W¡±ºÍ¡°220V  15W¡±µÄ×ÖÑù£¬½«Á½µÆ´®ÁªÆðÀ´£¬½ÓÔÚ¼ÒÍ¥µç·ÖУ¬ÔòÁ½µÆµÄµçѹ֮±ÈÊÇ      £¬µçÁ÷Ö®±ÈÊÇ      £¬Êµ¼ÊÏûºÄµÄ¹¦ÂÊÖ®±ÈÊÇ      £¬½ÏÁÁµÄµÆÊÇ      ¡£[1.5]

9£®Ä³µçÄܱíÉϱêÓС°3000R/kWh¡±µÄ×ÖÑù£¬Èç¹û¸Ã±íËù²âÁ¿µÄµç·ÖУ¬Ö»½ÓÒ»¸öÓõçÆ÷ʽ×÷£¬6minµçÄܱíµÄתÅÌת¹ý30ת£¬ÄÇô£¬¸ÃÓõçÆ÷ÏûºÄµçÄÜ     J£¬ÓõçÆ÷µÄ¹¦ÂÊÊÇ       W¡£

***10£®Èçͼ16-15ËùʾµÄµç·£¬Á½Ö»µÆ¾ù±êÓС°PZ220¡ª40¡±£¬µÄ×ÖÑù£¬U=220V£¬µ±¿ª¹ØS¶Ï¿ªÊ±£¬Á½µÆÊµ¼ÊÏûºÄµÄ¹¦ÂÊÖ®ºÍÊÇ     £¬µ±¿ª¹ØS±ÕºÏʱ£¬µÆL1µÄʵ¼Ê¹¦ÂÊÊÇ      £¬µÆL2µÄ¶î¶¨¹¦ÂÊÊÇ      ¡£[1.5]

***11£®µç×èR1Êǵç×èR2×èÖµµÄ2±¶¡£Èô½«R1ÓëR2´®Áªºó½ÓÔÚµçѹΪUµÄµçÔ´ÉÏ£¬ÔÚʱ¼ätÄÚµçÁ÷ͨ¹ýR1²úÉúµÄÈÈÁ¿ÎªQ1£»ÈôR1ÓëR2²¢Áªºó½Óµ½Í¬Ò»µçÔ´ÉÏ£¬ÔÚÏàͬʱ¼ätÄÚµçÁ÷ͨ¹ýR1²úÉúµÄÈÈÁ¿ÎªQ1¡¯£¬ÔòQ1: Q1¡¯=       ¡£[1.5]

***12£®ÔÚÈçͼ16-16ËùʾµÄµç·ÀR1=2¦¸£¬R3=6¦¸£¬µçѹ±íV1µÄʾÊýΪ3V£¬µçѹ±íV2µÄʾÊýΪ5V¡£ÄÇô£¬µç×èR2=

    ¦¸£¬10sÖÓµç×èR2²úÉúµÄÈÈÁ¿Îª     J¡£[2.5]

***13£®×èֵΪRµÄµç×èË¿£¬½Óµ½µçÔ´ÉÏ6minÉÕ¿ªÒ»ºøË®£¬ÏÖÔÚÓÃÁ½¸ùͬÑùµÄµçÈÈË¿´®ÁªÆðÀ´£¬½Óµ½Í¬Ò»µçÔ´ÉÏÉÕ¿ªÍ¬Ò»ºøË®£¬ÐèÒªµÄʱ¼äÊÇ£¨   £©¡£

A£®12min       B£®4min       C£®8min        D£®6min 

***14£®°Ñ±êÓС°220V 60W¡±ºÍ¡°220V 40W¡±×ÖÑùµÄÁ½µÆ´®Áªºó½ÓÔÚ220VµÄµçÔ´ÉÏ£¬½á¹ûÁ½ÕµµÆ¶¼±ä°µÁË£¬ÕâÊÇÒòΪ£¨   £©¡£[2.0]

A£®Ã¿Ö»µÆÅݵĶµçѹ¶¼±äСÁË        B£®Ã¿Ö»µÆÅݵĶ¹¦Âʶ¼±äСÁË

C£®Ã¿Ö»µÆÅݵÄʵ¼Ê¹¦Âʶ¼Ð¡ÓÚËüµÄ¶î¶¨¹¦ÂÊ  D£®Ã¿Ö»µÆÅݵÄʵ¼Ê¹¦Âʶ¼´óÓÚËüµÄ¶î¶¨¹¦ÂÊ

15£®½«±êÓС°36V  40W¡±µÄ¼×µÆºÍ±êÓС°36V  20W¡±µÄÒҵƴ®Áªºó½Óµ½40VµÄµçÔ´ÉÏ£¬Ôò£¨   £©¡£

A£®Á½µÆ¶¼²»ÄÜÕý³£·¢¹â£¬µ«¼×µÆ±ÈÒÒµÆÁÁЩ  B£®Á½µÆ¶¼²»ÄÜÕý³£·¢¹â£¬µ«ÒҵƱȼ׵ÆÁÁЩ

C£®Á½µÆ¶¼ÄÜÕý³£·¢¹â          D£®ÎÞ·¨È·¶¨

***16£®Á½¸öµç×è²¢ÁªÔÚµç·ÖÐʱ£¬¹¦ÂÊÖ®±ÈΪP1:P2=9:25£¬Èô½«ËüÃǸÄΪ´®Áª½ÓÈëµç·£¬ÔòËüÃǵŦÂÊÖ®±ÈΪ£¨   £©[2.0]A£®9:25       B£®25:9          C£®3:5          D£®5:3

***17£®¶î¶¨µçѹΪΪU¡¢¶î¶¨¹¦ÂÊΪ40WµÄÁ½ÕµµçµÆ£¬´®Áªºó½ÓÔÚµçѹΪUµÄµçÔ´ÉÏ£¬ÔòÁ½µÆµÄ×ܹ¦ÂÊÊÇ£¨   £©¡£[2.0]A£®10W         B£®20W        C£®40W         D£®80W

***18£®ÓÐÁ½Ö»·Ö±ð±êÓС°6V  2W¡±ºÍ¡°12V  8W¡±×ÖÑùµÄСµÆÅÝ£¬Èç¹û½«ËüÃÇ´®ÁªÔÚµç·ÖУ¬Ç¡ºÃÄÜʹÆäÖÐÒ»ÕµµÆÕý³£·¢¹â£¬Ôò¼ÓÔÚ´®Áªµç·Á½¶ËµÄµçѹÊÇ£¨   £©¡£[2.5]

A£®6V          B£®12V        C£®18V         D£®24V

***19£®¼×µÆ±êÓС°10V  5W¡±£¬ÒҵƱêÓС°6V  1.8W¡±£¬½«ËüÃÇ´®Áªºó½ÓÈëµç·ÖУ¬Á½µÆ¾ùÄÜ·¢¹â£¬±È½ÏËüÃÇʵ¼Ê¹¦ÂÊ£¨   £©A£®¼×µÆ´óЩ  B£®ÒҵƴóЩ  C£®Á½µÆÒ»Ñù´ó D£®ÎÞ·¨È·¶¨

***20£®¶î¶¨µçѹÏàͬµÄÁ½Ö»Ð¡µÆÅÝL1¡¢L2´®ÁªÔÚµç·ÖУ¬·¢ÏÖL1±ÈL2ÁÁ£»Èô°ÑËüÃDz¢ÁªÔÚͬһµçÔ´ÉÏ£¬Ôò£¨   £©A£®L1±ÈL2ÁÁ    B£®L1±ÈL2°µ    C£®L1¡¢L2Ò»ÑùÁÁ   D£®ÎÞ·¨±È½Ï

***21£®Ò»¸ö¶¨Öµµç×裬½ÓÔÚµç·ÖÐÿ·ÖÖÓ²úÉúµÄÈÈÁ¿ÎªQ£¬ÏÖÔÚÏëÈÃËüÿ·ÖÖÓ²úÉúµÄÈÈÁ¿Îª3Q£¬ÏÂÁдëÊ©ÕýÈ·µÄÊÇ£¨   £©A£®½«µçѹ±äΪԭÀ´µÄ3±¶     B£®½«µçѹ±äΪԭÀ´µÄ±¶

C£®½«´Ëµç×è¶ÔÕÛºó½ÓÈëÔ­µç·      D£®½«µçÁ÷±ä³ÉÔ­À´µÄ3±¶

***22£®Èçͼ16-17Ëùʾ£¬L1¡¢L2·Ö±ð±êÓС°12V  8W¡±ºÍ¡°12V  4W¡±µÄ×ÖÑù£¬Á¬ÔÚ12VµÄµçÔ´ÉÏ£¬ÏÂÁÐ˵·¨ÖÐÕýÈ·µÄÊÇ£¨   £©¡£[2.0]

A£®S1¡¢S3±ÕºÏ£¬S2¶Ï¿ªÊ±£¬µÆL1±ÈL2ÁÁ

B£®½ö±ÕºÏS1ʱ£¬µÆL1±ÈµÆL2ÁÁ

C£®½ö±ÕºÏS2ʱ£¬µÆL1±ÈµÆL2ÁÁ

D£®S1¡¢S2¡¢S3¾ù±ÕºÏʱ£¬µÆL1ÁÁ£¬µÆL2²»ÁÁ

***23£®Ò»Ö»Ð¡µÆÅݵ±ËüÓë4¦¸µÄµç×è´®Áªºó½ÓÈë12VµÄµçԴʱ£¬¿ÉÕý³£·¢¹â£¬ÕâʱµÆÅݵŦÂÊÊÇ8W¡£Ç󣺣¨1£©Ð¡µÆÅÝÕý³£¹¤×÷ʱµÄµç×裻£¨2£©Ð¡µÆÅݵĶµçѹ£»£¨3£©4¦¸µÄµç×èÔÚ1minÄÚ²úÉúÈÈÁ¿¡£[3.5]

***24£®±êÓС°6V  3W¡±µÄµÆÅÝL1ºÍ±êÓС°9V  3W¡±µÄµÆÅÝL2´®ÁªÆðÀ´½Óµ½µçÔ´ÉÏ£¬ÒªÊ¹ÆäÖÐÒ»Ö»µÆÅÝÕý³£·¢¹â£¬Çó£¨1£©µçÔ´µçѹ£»£¨2£©·¢¹â½Ï°µµÄµÆÅݵÄʵ¼Ê¹¦ÂÊ¡£[2.5]

***25£®Ä³µçµÆ±êÓС°3V  1W¡±×ÖÑù£¬½ÓÔÚµçѹ²»±äµÄµçÔ´ÉÏÇ¡ºÃÕý³£·¢¹â¡£Ç󣺣¨1£©´Ëʱͨ¹ýµÆË¿µÄµçÁ÷£»µÆË¿µÄµç×裻ͨµç5minµÆÏûºÄµÄµçÄÜ¡££¨2£©ÈôʹµÆÏûºÄµÄ¹¦ÂʼõΪ0.36W£¬Ðè´®ÁªÒ»¸ö¶à´óµÄµç×èºó½Óµ½Ô­µçÔ´ÉϲÅÐС£[3.5]

֪ʶµÄÍØÕ¹

****26£®Èçͼ16-18ËùʾµÄµç·ÖУ¬µçÔ´µçѹ±£³Ö²»±ä£¬µÆL1±êÓС°6V  3W¡±£¬µÆL2±êÓС°8V  8W¡±¡£µ±¿ª¹ØS±ÕºÏʱ£¬µÆL1Ç¡ÄÜÕý³£·¢¹â¡£Ç󣺵çѹ±íV¡¢µçÁ÷±íA1¡¢A2´ËʱµÄʾÊý¸÷Ó¦ÊǶà´ó£¿[3.5]

****27£®Èçͼ16-19Ëùʾ£¬R0=5¦¸£¬µ±»¬¶¯±ä×èÆ÷RµÄ»¬Æ¬PÓÉijһλÖÃMÒÆ¶¯µ½ÁíһλÖÃNʱ£¬µçѹ±íµÄʾÊýÓÉ4V±äΪ8V£¬Èô»¬Æ¬PÔÚM¡¢NÁ½µãʱµç×èR0µÄÁ½´Î¹¦ÂÊÖ®±ÈΪ25¡Ã1£¬Ç󣺣¨1£©µçÔ´µçѹ¶à´ó£¿£¨2£©»¬¶¯±ä×èÆ÷µÄ»¬Æ¬PÔÚÉÏÊöÁ½¸öλÖÃʱ£¬±ä×èÆ÷Á¬Èëµç·µÄ×èÖµ¸÷¶à´ó£¿[3.5]

****28£®Èçͼ16-20ËùʾµÄµç·ÖУ¬µÆL±êÓС°4V 1W¡±µÄ×ÖÑù£¬»¬¶¯±ä×èÆ÷µÄ×èÖµ·¶Î§ÊÇ0~40¦¸£¬µç×èR=30¦¸£¬µçÁ÷±íµÄÁ¿³ÌΪ0~0.6A¡££¨1£©µ±¿ª¹ØS1¡¢S2¶Ï¿ª£¬±ä×èÆ÷Á¬Èëµç·µÄ×èֵΪ×Ü×èÖµµÄ1/5ʱ£¬µÆLÕý³£·¢¹â£¬Ç󣺵çÔ´µçѹ¡££¨2£©±ÕºÏ¿ª¹ØS1¡¢S2£¬ÔÚÒÆ¶¯±ä×èÆ÷»¬Æ¬PµÄ¹ý³ÌÖУ¬Ç󻬶¯±ä×èÆ÷ÉÏÏûºÄµÄ×îС¹¦ÂÊÓë×î´ó¹¦ÂÊÊǶà´ó£¿[4.5]

****29£®Èçͼ16-21ËùʾµÄµç·ÖУ¬µÆL±êÓС°6V  3W¡±µÄ×ÖÑù¡£µ±¿ª¹Ø±ÕºÏ»¬¶¯±ä×èÆ÷µÄ»¬Æ¬ÔÚa¶Ëʱ£¬µÆÕý³£·¢¹â£»µ±»¬Æ¬»¬µ½bµãʱ£¬µÆÏûºÄµÄ¹¦ÂÊΪ¶î¶¨¹¦ÂʵÄ1/4£¬Ôò»¬¶¯±ä×èÆ÷µÄ×î´ó×èÖµÊǶàÉÙ£¿´Ëʱ±ä×èÆ÷ÏûºÄ¶à´óµÄ¹¦ÂÊ£¿[4.0]

****30£®Èçͼ16-22ËùʾµÄµç·ÖУ¬µÆLµÄ¶î¶¨¹¦ÂÊΪ2W£¬R2=10¦¸£¬Ð¡µÆÅݵĵç×èRL£¼R2£¬µçÔ´µçѹ9VÇÒ±£³Ö²»±ä¡££¨1£©ÈôS1¡¢S2¾ù¶Ï¿ªÊ±Ð¡µÆÅÝÄÜÕý³£·¢¹â£¬ÔòСµÆÅݵç×èºÍ¶î¶¨µçѹÊǶà´ó£¿£¨2£©ÈôS1¡¢S2¾ùºÏÉÏʱ£¬µç·µÄ×ܹ¦ÂÊΪ24.3W£¬ÔòR3µÄ×èÖµ¶à´ó£¿[3.5]

****31£®Èçͼ16-23ËùʾµÄµç·ÖУ¬LÊDZêÓС°3V  0.15W¡±µÄµçµÆ£¬R=20¦¸¡££¨1£©µ±¿ª¹ØS1¶Ï¿ª£¬S2±ÕºÏʱ£¬LÇ¡ÄÜÕý³£·¢¹â£¬´ËʱµçÁ÷±í¡¢µçѹ±íµÄʾÊý¸÷¶à´ó£¿£¨2£©µ±¿ª¹ØS1±ÕºÏ£¬S2¶Ï¿ªÊ±£¬µç×èRÔÚ1minÄÚ²úÉú¶àÉÙÈÈÁ¿£¿£¨3£©µ±S1¡¢S2¾ù¶Ï¿ªÊ±£¬µçµÆLµÄʵ¼Ê¹¦ÂÊÊǶàÉÙ£¿[4.5]

****32£®ÔÚͼ16-24Ëùʾµç·ÖУ¬R1Ϊ¶¨Öµµç×裬R2Ϊ»¬¶¯±ä×èÆ÷£¬µçÔ´µçѹ²»±ä¡£µ±»¬Æ¬»§·Ö±ðÔÚa¡¢bÁ½¶Ëʱ£¬RlµÄÁ½´Î¹¦ÂÊÖ®±ÈΪ9¡Ã1£¬ÇÒ»¬Æ¬PÔÚa¶ËʱµçÁ÷±íµÄʾÊýΪ0.6A£¬»¬Æ¬PÔÚb¶Ëʱµçѹ±íµÄʾÊýΪ8V¡£ÇóµçÔ´µÄµçѹ¡¢R1µÄ×èÖµ¡¢±ä×èÆ÷µÄ×èÖµ±ä»¯·¶Î§¡£[4.5]

****33£®ÔÚͼ16-25ËùʾµÄµç·ÖУ¬Ll¡¢L2·Ö±ð±êÓС°6V  3W¡±ºÍ¡°6V  6W¡±µÄ×ÖÑù£¬L3¶î¶¨µçѹµÄ×ÖÑù¿´²»Ç壬¶ø¶î¶¨¹¦ÂÊΪ4W¿É¼û¡£

(1)ÇóL1¡¢L2Õý³£·¢¹âʱµÄµç×èR1¡¢R2£»

(2)µ±¿ª¹ØS1¶Ï¿ª¡¢S2±ÕºÏʱ£¬Ç¡ÓÐÒ»Ö»µÆÅÝÕý³£·¢¹â£¬´Ëʱ£¬µçÁ÷±íºÍµçѹ±íµÄʾÊý·Ö±ðΪ¶à´ó?

(3)µ±¿ª¹ØS2¶Ï¿ª¡¢S1±ÕºÏʱ£¬Èô·¢¹âµÆÅݵÄʵ¼Ê¹¦ÂÊΪ1W£¬Ôò´ËʱµçÁ÷±íµÄʾÊýÊǶàÉÙ? µÆL3µÄ¶î¶¨µçѹÊǶà´ó? [5.0]

»ù´¡ÖªÊ¶Óë»ù±¾¼¼ÄÜ*1£®µçÁ÷×ö¹¦µÄʵÖÊÊÇ                               ¡£µç¹¦µÄ»ù±¾¹«Ê½ÊÇ            £¬³ý´ËÖ®Í⻹ÓР                               ¡£

*2£®µç¹¦ÂÊÊDZíʾµçÁ÷×ö¹¦       ÎïÀíÁ¿£¬ËüµÄ¹ú¼Êµ¥Î»ÊÇ       £¬³£Óõ¥Î»»¹ÓР            ¡£µç¹¦ÂʵĻù±¾¹«Ê½ÊÇ       £¬³ý´ËÖ®Í⻹ÓР             ¡£

**3£®µçÈÈÆ÷ÊǸù¾Ý               ÖƳɵļÓÈÈÉ豸£¬ËüµÄ·¢ÈÈÌåÊÇÓà        ´ó¡¢

      ¸ßµÄ²ÄÁÏÖÆ³ÉµÄ¡£½¹¶ú¶¨ÂÉÖ¸³ö£ºµçÁ÷²úÉúµÄÈÈÁ¿¸ú                     

                            ¡£ËüµÄ¹«Ê½ÊÇ                   ¡£

**4£®Ä³ÓõçÆ÷Á½¶ËµÄµçѹÊÇ6Vʱ£¬1minÄÚÏûºÄµçÄÜ144J£¬Ôòͨ¹ýÓõçÆ÷µÄµçÁ¿Îª     £¬ÓõçÆ÷µÄ¹¦ÂÊΪ        £¬µç×èֵΪ        ¡£

֪ʶµÄÓ¦ÓÃ**5£®ÏÂÁÐ˵·¨ÖÐÕýÈ·µÄÊÇ£¨   £©¡£

A£®kWhÊǵ繦Âʵĵ¥Î»£¬kWÊǵ繦µÄµ¥Î»B£®µçÄܱíÊDzâÁ¿ÓõçÆ÷¹¦ÂʵÄÒDZí

C£®¹¦ÂÊ´óµÄÓõçÆ÷£¬ÏûºÄµÄµçÄÜÒ»¶¨¶àD£®¹¦ÂÊΪ100WµÄÓõçÆ÷Õý³£¹¤×÷10hºÄµç1kWh

**6£®Ò»Ö»±êÓС°220V  25W¡±µÄµÆÅÝ£¬ÆäÖС°220V¡±±íʾ¸ÃµÆµÄ          £¬¡°25W¡±±íʾ¸ÃµÆµÄ          ¡£1¶ÈµçÄܹ©¸ÃµÆÕý³£¹¤×÷    Ð¡Ê±¡£

***7£®Ò»Ö»µçÄܱíÉϱêÓС°220V  10A¡±ºÍ¡°3000R/kWh¡± µÄ×ÖÑù¡£ËüËùÔڵĵç·ÉÏÁ¬ÈëµÄÓõçÆ÷µÄ×ܹ¦Âʲ»µÃ³¬¹ý      W¡£Èô¸ÃµçÄܱíµÄתÅÌת¹ý15Ȧ¾­ÀúµÄʱ¼äÊÇ3min£¬Ôò¸Ãµç·ÉÏÕýÔÚ¹¤×÷µÄÓõçÆ÷µÄ¹¦ÂÊÊÇ        W¡£

֪ʶµÄÍØÕ¹***8£®¼×µÆ±êÓÐ"220V  100W"µÄ×ÖÑù£¬ÒҵƱêÓÐ"220V  15W"µÄ×ÖÑù£¬¼×µÆµÄµç×è±ÈÒҵƵĵç×è      £»Èô½«ËüÃÇ´®Áª½ÓÈ˵ç·ÖУ¬Ôò    µÆÁÁЩ¡£

***9£®µÆÅÝL1ºÍL2·Ö±ð±êÓС°220V 40W¡±ºÍ¡°220V 60W¡±µÄ×ÖÑù£¬ËüÃÇÖР   µÄµç×è´óЩ£¬ÈôµÆË¿µÄ³¤¶ÈÏàͬ£¬     µÆË¿´ÖЩ¡£Èô½«Á½µÆ²¢ÁªÆðÀ´£¬½ÓÔÚijһµçÔ´ÉÏ£¬ÔòÁ½µÆµÄµçѹ֮±ÈÊÇ     £¬µçÁ÷Ö®±ÈÊÇ      £¬Êµ¼ÊÏûºÄµÄ¹¦ÂÊÖ®±ÈÊÇ      £¬½ÏÁÁµÄµÆÊÇ       ¡£

****10£®Ä³Í¬Ñ§²â¶¨¶î¶¨µçѹΪ3.8VСµÆÅݵĶ¹¦ÂÊ£¬ËûËùÁ¬½ÓµÄµç·Èçͼ16-1¼×Ëùʾ¡£µÆÅݵĵç×èԼΪ15¦¸£¬ÇëÖ¸³ö¸Ãµç·ÖеĴíÎó¼°²»µ±Ö®´¦¡£

                                                                      

                                                       ¡£

µ±¸ÃͬѧÕýÈ·Á¬Ïߺ󣬱պϿª¹Ø£¬µ÷½Ú»¬¶¯±ä×èÆ÷£¬Ê¹µçѹ±íµÄʾÊýΪ3.8Vʱ£¬µçÁ÷±íµÄʾÊýÈçͼ16-1ÒÒËùʾ£¬ÔòСµÆÅݵĶ¹¦ÂÊΪ     W¡£

Î¥·¨ºÍ²»Á¼ÐÅÏ¢¾Ù±¨µç»°£º027-86699610 ¾Ù±¨ÓÊÏ䣺58377363@163.com

¾«Ó¢¼Ò½ÌÍø