网址:http://m.1010jiajiao.com/timu3_id_387252[举报]
2005年的诺贝尔化学奖颁给在烯烃复分解反应研究方面做出突出贡献的化学家。烯烃复分解是指在催化条件下实现C=C双键断裂两边基团换位的反应。
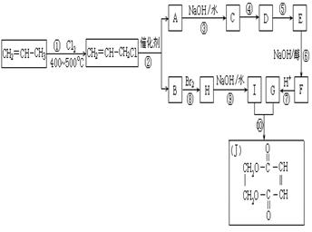
如图表示两个丙烯分子进行烯烃复分解,生成两个新的烯烃分子:2一丁烯和乙烯。
![]()
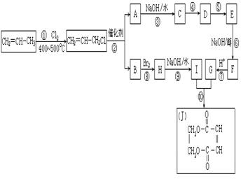
现以丙烯为原料,可以分别合成重要的化工原料I和G,I和G在不同条件下反应可生成多种化工产品,如环酯J;
![]()
(1)反应①的类型: 反应;反应⑥的类型: 反应
(2)G的结构简式: ;反应⑩的反应条件:
(3)反应②的化学方程式是 ;
(4)反应④中C与HCl气体在一定条件只发生加成反应,反应④和⑤不能调换的原因是 ,E的结构简式: ;
(5)反应⑨的化学方程式: 。
查看习题详情和答案>>2005年的诺贝尔化学奖颁给在烯烃复分解反应研究方面做出突出贡献的化学家。烯烃复分解是指在催化条件下实现C=C双键断裂两边基团换位的反应。
如图表示两个丙烯分子进行烯烃复分解,生成两个新的烯烃分子:2一丁烯和乙烯。
现以丙烯为原料,可以分别合成重要的化工原料I和G,I和G在不同条件下反应可生成多种化工产品,如环酯J;
(1)反应①的类型: 反应;反应⑥的类型: 反应
(2)G的结构简式: ;反应⑩的反应条件:
(3)反应②的化学方程式是 ;
(4)反应④中C与HCl气体在一定条件只发生加成反应,反应④和⑤不能调换的原因是 ,E的结构简式: ;
(5)反应⑨的化学方程式: 。
查看习题详情和答案>>
2005年的诺贝尔化学奖颁给在烯烃复分解反应研究方面做出突出贡献的化学家。烯烃复分解是指在催化条件下实现C=C双键断裂两边基团换位的反应。
如图表示两个丙烯分子进行烯烃复分解,生成两个新的烯烃分子:2一丁烯和乙烯。![]()
现以丙烯为原料,可以分别合成重要的化工原料I和G,I和G在不同条件下反应可生成多种化工产品,如环酯J;![]()
(1)反应①的类型: 反应;反应⑥的类型: 反应
(2)G的结构简式: ;反应⑩的反应条件:
(3)反应②的化学方程式是 ;
(4)反应④中C与HCl气体在一定条件只发生加成反应,反应④
和⑤不能调换的原因是 ,E的结构简式: ;
(5)反应⑨的化学方程式: 。
2005年的诺贝尔化学奖颁给在烯烃复分解反应研究方面做出突出贡献的化学家。烯烃复分解是指在催化条件下实现C=C双键断裂两边基团换位的反应。如图表示两个丙烯分子进行烯烃换位,生成两个新的烯烃分子:2—丁烯和乙烯。![]()
现以丙烯为原料,可以分别合成重要的化工原料I和G,I和G在不同条件下反应可生成多种化工产品,如环酯J;![]()
(1)G的结构简式:______________ ;
(2)反应②的化学方程式是___________________________________________;
(3)反应④中C与HCl气体在一定条件只发生加成反应,反应④和⑤不能调换的原因是___________________________________,E的结构简式:_____________ ;
(4)反应⑨的化学方程式:___________________________________________ 。
2005年的诺贝尔化学奖颁给在烯烃复分解反应研究方面做出突出贡献的化学家。烯烃复分解是指在催化条件下实现C=C双键断裂两边基团换位的反应。如图表示两个丙烯分子进行烯烃换位,生成两个新的烯烃分子:2—丁烯和乙烯。![]()
现以丙烯为原料,可以分别合成重要的化工原料I和G,I和G在不同条件下反应可生成多种化工产品,如环酯J;![]()
(1)G的结构简式:______________ ;
(2)反应②的化学方程式是___________________________________________;
(3)反应④中C与HCl气体在一定条件只发生加成反应,反应④和⑤不能调换的原因是___________________________________,E的结构简式:_____________ ;
(4)反应⑨的化学方程式:___________________________________________ 。