摘要: 如图7所示的电路中.说法正确的是: A. 闭合开关.L2.L3并联 B. 闭合开关.L1.L2串联 C. 闭合开关.只有L2亮 D. 闭合开关.L1.L2和L3并联三灯都亮
网址:http://m.1010jiajiao.com/timu3_id_1444928[举报]
如图7所示的电路中,小灯泡L1和L2都标有“3V 0.25A”字样,电源由2节1.5V的干电池串联而成。则下列说法中正确的是( )
A.S闭合后L1、L2并联且都能发光
B.S闭合后电路将发生短路
C.若将导线M接到接线柱A上L1、L2两端电压均为1.5V
D.若将导线 M从接线柱 B改接到接线柱 C上通过L1、L2的电流为0.25A
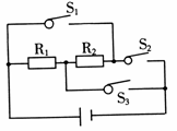
如图7所示的电路中,下列说法正确的是【 】
A.当S2断开,S1、S3闭合时,R1和R2并联
B.当S2闭合,S1、S3断开时,R1和R2并联
C.当S1断开,S2、S3闭合时,R1和R2串联
D.当S1、S2、S3均闭合时,R1和R2串联
![]()
如图7所示的电路中,电源电压恒定不变,R2=40Ω,能过R1的电流随它两端电压的变化规律如图7乙所示,当S1、S2、S3均闭合时,电流表的示数为0.6;当S1闭合,S2、S3断开时,电流表的示数为0.1A。则下列说法中正确的是
A.R1的阻值是20Ω B.当S1、S2、S3均闭合时,通过电阻R2的电流0.2A
C.电源电压是6V D. 当S1闭合,S2、S3断开时,R3消耗的功率是0.4W
![]()