题目内容
某学校的一个教室里装有6盏电灯,由3个开关控制,请根据自己的理解画出合理的电路图.
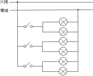
【答案】分析:(1)家庭电路电压是220V,每盏电灯的额定电压也是220V,这六盏灯是并联的,有六条支路;
(2)六盏灯用三个开关控制,一个开关控制两盏灯,要求一个开关控制两条支路.
解答:解:教室里的每盏灯都能独立工作,互不影响,灯应并联;
六盏灯由三个开关控制,每一个开关可以控制两个灯泡,
两并联灯泡与一个开关串联,然后接在火线上,灯泡的螺旋套管接在零线上,电路图如图所示.
故答案为:电路图如图所示.

点评:本题考查了电路设计,首先根据要求判断出电路的连接方式是串联还是并联;根据开关的作用,确定开关在电路中的位置,即可正确作图.
(2)六盏灯用三个开关控制,一个开关控制两盏灯,要求一个开关控制两条支路.
解答:解:教室里的每盏灯都能独立工作,互不影响,灯应并联;
六盏灯由三个开关控制,每一个开关可以控制两个灯泡,
两并联灯泡与一个开关串联,然后接在火线上,灯泡的螺旋套管接在零线上,电路图如图所示.
故答案为:电路图如图所示.
点评:本题考查了电路设计,首先根据要求判断出电路的连接方式是串联还是并联;根据开关的作用,确定开关在电路中的位置,即可正确作图.
练习册系列答案
相关题目
某学校共40个教室,每个教室里装着6盏40W的日光灯,由于注意节约用电,平均每盏每天少开半小时,那么一个月(按30天)可节约电多少度( )
| A.144 | B.24 | C. 3.6 | D. 4.8 |